

|
OP16 PIN NR |
ESSOP10 PIN NR |
Qfn16 pin nee |
Speldnaam |
Pin -type |
PIN BESCHRIJVING |
|
16 |
4 |
3 |
VDD5 |
STROOM |
De voedingsspanningsingang van de stroomregelaar
Vereist een externe ontkoppelingscondensator |
|
15 |
7 |
1 |
Vio |
STROOM |
I/O -poortstroominvoer vereist een externe ontkoppeling
condensator |
|
1 |
3,0 |
2,0 |
GND |
STROOM |
Grond |
|
4 |
10 |
6 |
V3 |
STROOM |
Interne stroomregelaaruitgang;kern- en USB -stroominvoer
Maak verbinding met vdd5 wanneer vdd5 <3,6V, verbinding met ontkoppelende condensator wanneer
VDD5> 3.6V |
|
5 |
1 |
7 |
UD+ |
USB |
Verbind direct met USB D+ -signaal, geen externe weerstand |
|
6 |
2 |
8 |
Ud- |
USB |
Maak direct verbinding met USB D-signaal, geen externe weerstand |
|
7 |
GEEN |
9 |
VBU's |
IN |
VBUS -statusdetectie -invoer van USB -bus, geïntegreerd
pull-down weerstand |
|
2 |
8 |
4 |
TXD |
UIT |
Verzend asynchrone gegevensuitgang, inactieve toestand is hoog
niveau |
|
3 |
9 |
5 |
RXD |
IN |
Ontvang asynchrone gegevensinvoer, geïntegreerde pull-up
weerstand |
|
13 |
15 |
CTS |
IN |
Het modeminvoersignaal is duidelijk om te verzenden, actief laag |
|
|
6 |
CTS of DTR |
Standaardinvoer, schakel automatisch naar de uitvoer |
Standaard is het modeminvoersignaal, wissen om te verzenden, actief laag.
Wanneer computersoftware DTR instelt op geldig, schakelt u automatisch over naar de modem
Uitgangssignaal, Gegevensterminal Klaar, actief laag |
||
|
12 |
GEEN |
14 |
DSR |
IN |
Het modeminvoersignaal, gegevensset gereed, actief laag laag |
|
14 |
GEEN |
16 |
Ri |
IN |
Het modemgangssignaal, ringindicator, actief laag |
|
9 |
GEEN |
11 |
DCD |
IN |
Modem -ingangssignaal, gegevensdrager detecteren, actief laag |
|
10 |
GEEN |
12 |
DTR/TNOW |
UIT |
Modemuitvoersignaal, Gegevensterminal Gereed, Actief laag.Als
Een externe pull-down weerstand wordt gedetecteerd tijdens power-on, schakel over naar een
Statusindicatie over de lopende seriële poort die wordt verzonden, actief high |
|
11 |
5 |
13 |
RT's |
UIT |
Modemuitgangssignaal, verzoek om te verzenden, actief laag |
|
8 |
GEEN |
10 |
HANDELING# |
UIT |
USB -configuratie voltooide statusuitgang, actief laag.Als
Een externe pull-down weerstand wordt gedetecteerd tijdens power-on, schakel naar naar
Communicatie baud rate adaptieve modus.Software kan deze modus ook gebruiken |
|
Functie |
Beschrijving |
|
I/O onafhankelijke stroomvoorziening |
Ondersteunt 5V, 3.3V, 2.5V en 1.8V voeding. |
|
Geïntegreerde reset en klok |
Geïntegreerde power-on reset en 12MHz klok;geen extern
kristal vereist. |
|
Geïntegreerde EEPROM |
Configureert chip vid, pid, maximale stroomwaarde, leverancier
en productinformatiereeks, etc. |
|
Unieke ID |
Chip bevat een geïntegreerde unieke ID (USB Serial
Nummer). |
|
USB -compatibiliteit |
USB-apparaatinterface op volledige snelheid, compatibel met USB 2.0. |
|
Ingebouwde firmware |
Emuleert de standaard UART -interface voor het upgraden van origineel
Seriële randapparatuur of het toevoegen van extra UART's via USB. |
|
Applicatiecompatibiliteit |
Volledig compatibel met originele seriële toepassingen
zonder aanpassing. |
|
Driversteun |
Ondersteunt OS met ingebouwd CDC-stuurprogramma of multifunctioneel
High-speed VCP-leverancier Driver zonder installatie. |
|
Seriële UART -interface |
Hardware full-duplex interface met onafhankelijke
zendrece-receive buffers;Ondersteunt communicatie -baudrates van 50bps tot
6Mbps. |
|
Dynamische aanpassing van de baudrate |
Automatisch identificeert en past zich aan aan gemeenschappelijke baudrente
op of onder 115200bps. |
|
Gegevens- en pariteitsopties
|
Ondersteunt 5, 6, 7 of 8 gegevensbits;Ondersteunt vreemde, zelfs,
ruimte, mark en geen pariteit. |
|
Modem -interfacesignalen |
Ondersteunt RTS, DTR-, DCD-, RI-, DSR- en CTS -signalen. |
|
Stroomregeling |
Ondersteunt CTS en RTS Hardware Automatic Flow Control. |
|
Half-duplexondersteuning |
Inclusief het verzenden van status TNOW voor RS485 schakelen. |
|
RS232 -ondersteuning |
Ondersteunt RS232 -interface via een externe spanning
Conversiechip. |
|
Voedingsopties |
Ondersteunt USB -poort 5V en 3.3V voeding. |
|
Pakket en naleving |
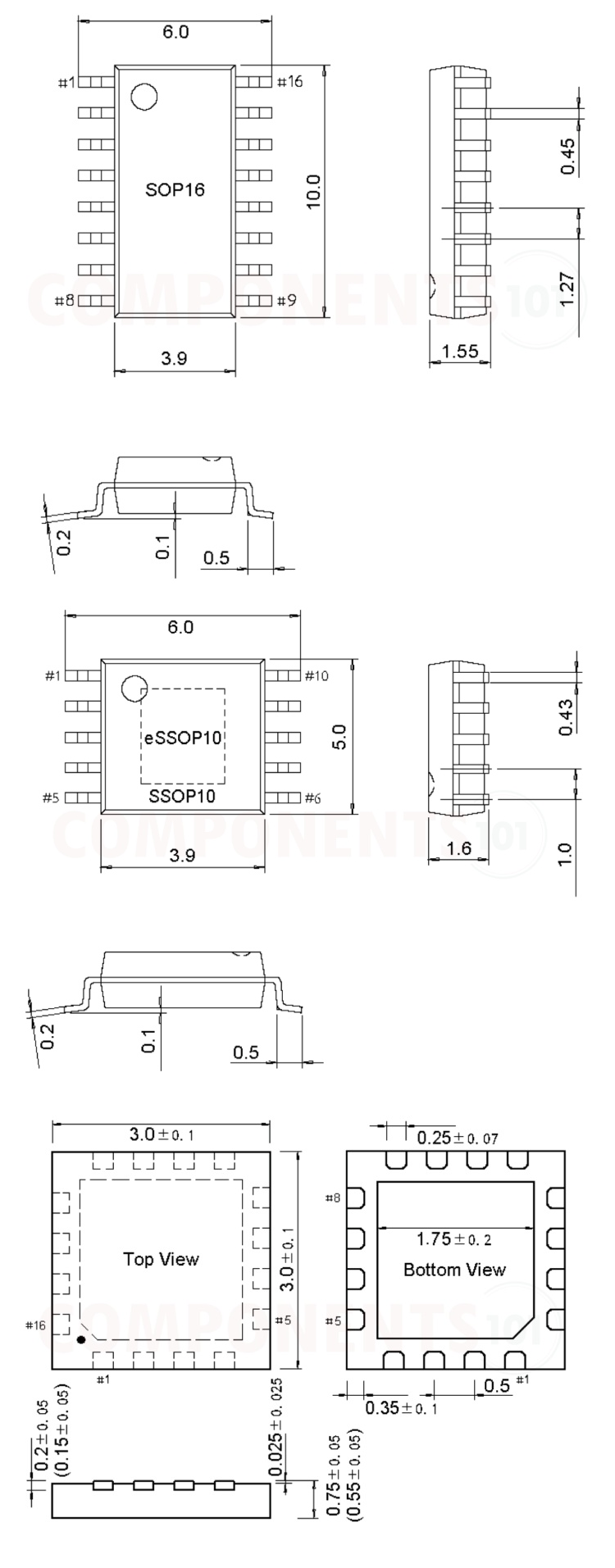
ROHS-conform, beschikbaar in SOP-16, ESSOP-10 en QFN16
Loodvrije pakketten. |
CH343 valt op als een actieve component in de wereld van elektronica, exclusief gemaakt door WCH.CN, die een niet -aflatende toewijding aantoont om hoge normen in zijn productieprocessen te handhaven.Dit enkelvoudige productiepad biedt een uniek scenario waarin hoogwaardige consistentie wordt gevoed, omdat het de complicaties ontwijkt die vaak ontstaan wanneer meerdere fabrikanten dezelfde component produceren, zoals inconsistentie in kwaliteit of betrouwbaarheid.In elektronica bevordert de voorspelbare en betrouwbare aard van componenten zoals deze een omgeving die rijp is voor innovatie.
Met de hele productie wordt door één entiteit gedraaid, wordt het afdwingen van een robuust kwaliteitscontrolesysteem eenvoudiger.WCH.CN heeft de mogelijkheid om lopende strategieën voor monitoring en verbetering toe te passen om ervoor te zorgen dat elk CH343 -stuk overeenkomt met de rigoureuze normen die zijn vastgesteld voor de industrie.Deze gerichte aanpak leidt tot een vermindering van defecten, wat de voordelen van geconsolideerd kwaliteitsbeheer benadrukt.In scenario's waarbij meerdere bedrijven een soortgelijk item produceren, zijn kwaliteitsschommelingen niet ongewoon, zoals blijkt uit verschillende sectoren.

|
Pakket |
Pin Pitch (mm) |
Pin Pitch (MIL) |
Onderdelenmarkering |
|
SOP16 |
1,27 mm |
50 miljoen |
CH343G |
|
ESSOP10 |
1,00 mm |
39 miljoen |
CH343K |
|
QFN16-3X3 |
0,5 mm |
19,7 miljoen |
CH343P |
Bij het verkennen van vervangers voor het CH343 -geïntegreerde circuit zijn verschillende vergelijkbare opties beschikbaar om tegemoet te komen aan verschillende communicatiebehoeften.Elk alternatief brengt zijn unieke kenmerken en voordelen met zich mee, waardoor een zorgvuldige overweging nodig is in het licht van specifieke projectvereisten.
• CH340
• Ma112AS16
• FT230X
• CP2102
• PL2303341
• CH9102
• MCP2200
• CP2110
• FT232

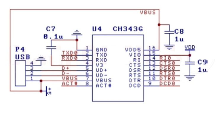
In typische CH343-circuits maakt de eenvoudige verbinding van USB-lijnen met de D+ en D-PIN's gladde communicatieprocessen mogelijk.De efficiëntie van deze lay -out berust in het vermogen om differentiaalsignalering in het bijzonder te beheren, waardoor optimale gegevensoverdracht wordt gewaarborgd.Om betrouwbaarheid te garanderen, wordt speciale aandacht besteed aan het verminderen van elektromagnetische interferentie door effectieve technieken zoals afscherming en aarding, die een gevoel van stabiliteit voor uw emoties brengen.
Condensatoren zijn van cruciaal belang om een gladde stroomstroom te waarborgen, terwijl de geluidsniveaus dempen.Deze componenten dienen als energiereserves en bieden stabiliteit over fluctuerende belastingsomstandigheden.Door plotselinge spanningsveranderingen te wensten, beschermen condensatoren niet alleen de circuitcomponenten, maar dragen ze ook aanzienlijk bij aan de robuuste werking van de CH343 -chipset.Het kiezen van condensatoren die overeenkomen met de operationele criteria van het circuit weerspiegelt het delicate evenwicht en de vooruitziende blik waarin u belegt tijdens de ontwerpfase.
Communicatie tussen de CH343 -chipset en elke microcontroller wordt uitgevoerd via de TX- en RX -lijnen, waardoor precieze verbindingen nodig zijn - TX naar RX en vice versa.Elke verkeerde uitlijning kan leiden tot corrupte gegevens en potentiële communicatie -afbraak.Anticiperen hierop door verbindingen tijdens de ontwerpfase te bevestigen, kan toekomstige inspanningen voor het oplossen van problemen aanzienlijk verminderen.Bovendien kunnen verschillende microcontroller -opstellingen unieke configuraties vereisen, wat de behoefte aan flexibiliteit en zorgvuldige planning in het ontwerp benadrukt.
Begin met het grondig onderzoeken van alle verbindingen met betrekking tot uw CH343 USB-naar-serie converters.Verbindingen moeten stevig en correct zijn uitgelijnd, omdat onjuiste setups effectieve communicatie kunnen dwarsbomen.Controleer bovendien dat signaalspanningsniveaus overeenkomen met de verbonden apparaten, omdat conflicterende spanningsniveaus de signalen kunnen verstoren en de communicatiestroom kunnen aantasten.
Graaf in de fysieke toestand van de USB -kabel, gezien de impact ervan op de kwaliteit van de gegevensoverdracht.Controleer waakzaam op slijtage of schade, omdat gecompromitteerde kabels kunnen leiden tot onregelmatige verbindingen die de prestaties van stabiele apparaten ondermijnen.
Zorg ervoor dat de gekozen baudsnelheidsinstelling de precieze specificaties weerspiegelt die zowel door de CH343 als het verbonden apparaat zijn vereist.Niet -overeenkomende baudsnelheidconfiguraties worden vaak over het hoofd gezien, maar ze activeren vaak problemen met gegevensoverdracht en een veelvoud aan communicatiehaken.
Wanneer ze worden geconfronteerd met connectiviteitsproblemen, ontstaat het uitvoeren van een loopback -test als een waardevolle aanpak.Door de TX- en RX -pennen op de CH343 te verbinden, kunt u het interne gegevensoverdrachtspad beoordelen.Dit eenvoudige diagnostische proces isoleert potentiële fouten naar de CH343 wanneer transmissiefouten zich voordoen.
Als de computer het apparaat niet herkent, bevestigt u dat de nieuwste stuurprogramma's met succes zijn geïnstalleerd.Controleer de apparaatbeheer op foutmeldingen, wat kan leiden tot het blootleggen van bestuurdersconflicten of hardwarecommunicatiebarrières.Deze procedure onthult vaak verborgen problemen die apparaatherkenning belemmeren, waardoor de oplossing voor de kwestie een snelle oplossing brengt.
Strategisch positionering van de USB -poort in de buurt van het CH343 -geïntegreerde circuit dient om een efficiënte signaaltransmissie te garanderen.Deze doordachte lay -out verkort de lengtes van de gegevenslijn, bewerkt potentiële signaalverzwakking en externe storingen.Directe gegevenslijnroutering heeft voorrang, waardoor onnodige omwegen worden omzeild die latentie kunnen introduceren of de signaalomgeving kunnen verstoren.Het naleven van veel gerespecteerde industriepraktijken omvat het creëren van duidelijke, onbelemmerde paden, wat een bewijs is van succes in het ontwerp van elektronica.
Het beheren van het aantal VIA's in het PCB -ontwerp speelt een rol bij het behoud van signaalintegriteit en de juiste impedantie.Elk via draagt het risico op het introduceren van kleine vertragingen en reflecties, die high-speed gegevenscommunicatie kunnen belemmeren.Het handhaven van een minimaal aantal verbetert de signaalintegriteit, wat de wijsheid weerspiegelt dat gestroomlijnde circuitpaden bijdragen aan verhoogde prestaties en operationele betrouwbaarheid.
De plaatsing van filtercondensatoren in de buurt van de vermogenspennen van de CH343 helpt de spanningsvariaties te matigen en de voeding te stabiliseren.Deze condensatoren voeren een essentiële functie uit als buffers tegen abrupte belastingveranderingen, waardoor de consistente apparaatfunctionaliteit wordt bevorderd.Dit principe geniet wijdverbreide toepassing, ondersteund door bevindingen dat zelfs kleine spanningsverschuivingen de stabiliteit van het apparaat diep kunnen beïnvloeden.
Het regelen van componenten op een compacte en georganiseerde manier kan de elektromagnetische interferentie aanzienlijk verminderen, terwijl de optimale signaalintegriteit wordt ondersteund.Het verminderen van de afstand tussen componenten vermindert de risico's van overspraak en wederzijdse interferentie.Deze methode wordt vaak onderschreven als een dynamische praktijk voor het behoud van de samenhang van snelle elektronische circuits.
De CH343 -chip draagt aanzienlijk bij aan microcontroller -projecten en biedt effectieve communicatiekanalen die interacties tussen apparaten vereenvoudigen.De veelzijdigheid bij het verbinden met diverse microcontrollers vergemakkelijkt gestroomlijnde ontwikkeling, waardoor de prototyping- en implementatiestadia in verschillende toepassingen worden verbeterd.Door de efficiëntie van gegevensoverdracht te verbeteren en te zorgen voor harmonie met gemeenschappelijke softwarebronnen, verhoogt de chip de snelheid en precisie van microcontroller -inspanningen.In de praktische toepassing kunt u deze mogelijkheid gebruiken om projecttijdlijnen te comprimeren, waardoor het opmerkelijk voordelig is in snelle prototyping-instellingen waar snelle voortgang wordt geprioriteerd.
Bij het diagnosticeren en probleemoplossing komt CH343 naar voren als een uitgebreide oplossing.De sterke interface maakt een diepgaande analyse en oplossing van problemen met elektronische systeem mogelijk zonder onnodige complicaties toe te voegen.Het aanpassingsvermogen van de chip in verschillende foutopsporingsprotocollen benadrukt de brede toepasbaarheid ervan, waardoor u problemen in staat kunt stellen en problemen kunt aanpakken.Ervaringen in het veld geven aan dat dit aanpassingsvermogen de betrouwbaarheid van het systeem aanzienlijk versterkt, omdat u fouten kunt detecteren en software met grotere precisie kunt optimaliseren.
Binnen industriële controlekaders vergemakkelijkt de CH343 -chip stabiele communicatielijnen, major voor het beheren en automatiseren van ingewikkelde processen.De veerkracht ervan in ongunstige omstandigheden, in combinatie met zijn vermogen om substantiële gegevensoverdrachtsnelheden te verwerken, positioneert het als een gunstige optie voor industriële instellingen.Het opnemen van deze chip in industriële kaders kan leiden tot duidelijke verbeteringen in operationele efficiëntie en foutmitigatie.U kunt deze chip vaak gebruiken om de robuustheid en optimale prestaties van het systeem te verzekeren, waardoor het vermogen om operationele consistentie in veeleisende scenario's te handhaven te maximaliseren.
In de sfeer van DIY -elektronica is de CH343 -chip ongelooflijk invloedrijk geworden vanwege de toegankelijkheid.U kunt de flexibiliteit en toegankelijkheid ervan waarderen, die hen in staat stellen inventieve concepten gemakkelijk te veranderen in realistische prototypes.Door een breed scala aan perifere apparaten onder te brengen, kunt u vol vertrouwen verkennen en innoveren, dankzij de CH343 die de technologische behoeften van hun projecten ondersteunt.Deze toegankelijkheid stimuleert een ruimte voor verkenning en onderwijs, waar praktische vaardigheden verfijnd zijn en ingenieuze ideeën tot leven komen.
Waar huidige systemen elkaar kruisen met legacy -technologie, is de CH343 meestal effectief, waardoor moeiteloze communicatie met oudere apparaten mogelijk is.Deze compatibiliteit zorgt voor het voortdurende gebruik van deze apparaten, een belangrijk aspect voor u over gedateerde infrastructuur.Door de operationele continuïteit te handhaven, kunnen bedrijven dure upgrades afwenden, waardoor de functionaliteit van bestaande systemen wordt verlengd.Deze pragmatische flexibiliteit stelt bedrijven in staat om voortdurende waarde te halen uit hun technologie -investeringen, terwijl ze naadloos moderne oplossingen worden opgenomen.
Precisie en effectieve communicatieprotocollen zijn nodig in automatisering en robotica, en de CH343 -chip biedt een boeiende oplossing.Het Adept Data Management ondersteunt dynamische automatiseringskaders en agile robotapplicaties.Deze functionaliteit ondersteunt de ontwikkeling van complexe, zeer efficiënte geautomatiseerde omgevingen.De bijdrage van de chip aan dergelijke systemen benadrukt zijn rol bij het sturen van de toekomst van automatisering, waar effectieve integratie met verschillende componenten een must is.

Stuur een aanvraag, we zullen onmiddellijk reageren.
Op 2024/12/19
Op 2024/12/19
Op 8000/04/17 147713
Op 2000/04/17 111752
Op 1600/04/17 111324
Op 0400/04/17 83638
Op 1970/01/1 79296
Op 1970/01/1 66792
Op 1970/01/1 62955
Op 1970/01/1 62842
Op 1970/01/1 54038
Op 1970/01/1 52012