

|
Speldnaam |
PIN Nr. |
Type |
Beschrijving |
|
VDD |
16 |
Stroom |
Leveringsspanning (+3 tot +15V) |
|
GND |
8 |
Stroom |
Grond (0V) |
|
D0-D7 |
1, 4, 5, 6, 7, 13, 14, 15 |
Invoeren |
Parallelle gegevensinvoerpennen |
|
Q5, q6, q7 |
2, 3, 12 |
Uitvoer |
Gebufferde uitgangen van de laatste drie bits |
|
Pe |
9 |
Invoeren |
Parallel inschakelen |
|
CP |
10 |
Invoeren |
Klokpen om de invoer te synchroniseren |
|
Ds |
11 |
Invoeren |
Seriële invoerpen |
Om te beginnen met het gebruik van de 4014 IC, begin je door het zorgvuldig verbinden van VDD met de positieve terminal van uw stroombron en GND met de negatieve terminal.Dit IC werkt binnen een vermogensbereik van 3V tot 15V, maar specifieke modellen kunnen tot 20V uitstrekken.Het is raadzaam om het gegevensblad te onderzoeken op precieze elektrische details, de compatibiliteit op te passen aan uw unieke opstelling.Het gekozen spanningsbereik heeft direct invloed op de operationele integriteit van het apparaat en de gestage functionaliteit.
Start parallelle gegevenslaading door de parallelle inschakelen (PE) -pen in een hoge toestand te schakelen.Verbind uw gekozen gegevensinvoer in parallelle gegevenspinnen gemarkeerd D0 met D7.Een stijgend randsignaal dat op de CLK -pin wordt toegepast, legt de beoogde gegevens in het register vast.Deze voorbereidende fase weerspiegelt het instellen van een team op een goed gecoördineerde praktijk, waarbij rollen en synchronisatie van het grootste belang zijn.
Begin gegevens die verschuiven door de PE -pin naar een lage toestand te schakelen.Elke stijgende CLK -puls verschuift gegevens stapsgewijs.In deze modus dient de DS -pin voor seriële gegevensinvoer, waardoor flexibele gegevensverwerking wordt vergemakkelijkt.Deze functie wordt met name gunstig wanneer vloeistofgegevensovergang nodig is, waardoor een efficiënte organisatie en categorisatie van digitale signalen wordt gewaarborgd.

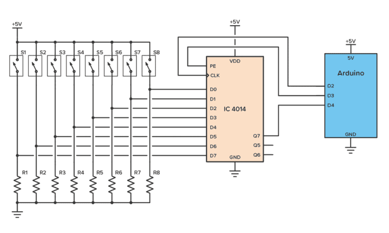
De CD4014 Shift Register is een praktisch hulpmiddel voor het lezen van de toestanden van maximaal acht schakelaars met slechts drie microcontroller -pinnen, zoals met een Arduino.Dit maakt het ideaal voor projecten waarbij de beschikbaarheid van pin beperkt is, omdat het de invoercapaciteit efficiënt uitbreidt zonder extra hardware.Het circuit werkt door de toestanden van alle verbonden schakelaars vast te leggen en deze gegevens een beetje tegelijk naar de microcontroller te verzenden.De CD4014 maakt gebruik van parallel-naar-seriale conversie, zodat u meerdere schakelaars kunt controleren terwijl u de bedrading eenvoudig en compact kunt houden.
Om het in te stellen, verbindt u de D3 -pin van Arduino op de parallelle enable -pin, D2 van de CD4014, D2 op de klok (CLK) PIN en D4 op de gegevensuitvoer (Q) -pen.D3 activeert de vergrendeling om schakelaarstaten vast te leggen, D2 stuurt klokpulsen om de toestanden naar de uitvoer te verplaatsen en D4 leest de gegevens achtereenvolgens.Elke klokpuls verschuift de volgende schakelaarstatus naar de uitgangspen, waardoor de Arduino alle acht schakelaars één voor één kan lezen.Deze aanpak is efficiënt en bespaart zowel ruimte als bronnen.Door de CD4014 te gebruiken, kunt u meerdere ingangen beheren met minimaal I/O -gebruik, uw ontwerp vereenvoudigen en de bedradingcomplexiteit verminderen.Het is een compacte en betrouwbare oplossing voor projecten die nauwkeurige monitoring van schakelstaten vereisen.
• NTE4014
• MC14014
• HCF4014
• HEF4014
• CD4014be
• 74HC165
• 74HC166
• 74HC198
Cilindrische batterijhouders.pdf
Stuur een aanvraag, we zullen onmiddellijk reageren.
Op 2024/12/9
Op 2024/12/8
Op 8000/04/18 147757
Op 2000/04/18 111936
Op 1600/04/18 111349
Op 0400/04/18 83721
Op 1970/01/1 79508
Op 1970/01/1 66907
Op 1970/01/1 63042
Op 1970/01/1 63012
Op 1970/01/1 54081
Op 1970/01/1 52125