
De BF245 wordt voornamelijk gebruikt voor het versterken van signalen binnen VHF, UHF -banden en audiofrequenties.Met hoge versterking en lage ruiskenmerken versterkt het trouwe kleine signalen, terwijl het ruisinterferentie wordt geminimaliseerd.
De serie, inclusief BF245, BF245A, BF245B en BF245C, vertoont verschillende elektrische kenmerken, meestal in poort-source spanning en nul-poort spanningsafvoerstroom.Deze verschillen zijn geschikt voor specifieke toepassingen en bieden veelzijdigheid bij het optimaliseren van circuitontwerpen voor diverse signaalversterkingsbehoeften.De werkzaamheid in VHF- en UHF -banden is opmerkelijk vanwege hun vermogen om zwakkere signalen te beheren en te versterken, waardoor signaalhelderheid en sterkte worden verbeterd, basis voor uitzend- en communicatiesystemen.
In audiofrequentietoepassingen blinkt de BF245 uit door de integriteit van de signaal te behouden en vervorming te minimaliseren, gebruikt in audioapparatuur met high-fidelity.Het vermogen om ruis uit te filteren, zorgt voor schonere audio -uitvoer.In vergelijking met vergelijkbare transistoren maakt het evenwicht van de BF245 tussen hoge versterking en lage ruis het een populaire keuze.U kunt dit onderdeel vaak verkiezen boven zijn robuustheid en betrouwbaarheid in veeleisende omgevingen.

|
PIN |
SYMBOOL |
BESCHRIJVING |
|
1 |
G |
Hek |
|
2 |
S |
Bron |
|
3 |
D |
Droogleggen |



|
Functie |
Specificatie |
|
Pakkettype |
TO-92 |
|
Transistortype |
N kanaal jfet |
|
Afvoerspanning |
30V (maximaal) |
|
Aftapspanning |
30V (maximaal) |
|
Omgekeerde gate-source spanning |
–30V (maximaal) |
|
Continue afvoerstroom |
25MA (maximaal) |
|
Gate-Source Cutoff Voltage |
-0.5V tot –0V |
|
Power Dissipation |
300 MW (maximaal) |
|
Opslag- en bedrijfstemperatuur |
-55 ° C tot +150 ° C |
|
Geluidsniveau en winst |
Laag geluid en hoge versterking |
|
Werkfrequentie |
Tot 700 MHz |
|
Draai en bronuitwisselbaarheid af |
Ja |
Hier is de technische specificatietabel voor de On Semiconductor BF245B Jfet.
|
Type |
Parameter |
|
Levenscyclusstatus |
Verouderd |
|
Laatste zendingen |
Laatst bijgewerkt: 1 week geleden |
|
Inzetten |
Door gat |
|
Pakket / kast |
TO-226-3, TO-92-3 (TO-226AA) |
|
Aantal pinnen |
3 |
|
Gewicht |
200 mg |
|
Afbraakspanning / v |
-30 V |
|
Aantal elementen |
1 |
|
Verpakking |
Bulk |
|
Gepubliceerd |
2009 |
|
JESD-609 Code |
E0 |
|
PBFree -code |
Nee |
|
Onderdeelstatus |
Verouderd |
|
Vochtgevoeligheidsniveau (MSL) |
1 (onbeperkt) |
|
Aantal beëindigingen |
3 |
|
ECCN -code |
EAR99 |
|
Eindafwerking |
Tin/lead (sn/pb) |
|
Max bedrijfstemperatuur |
150 ° C |
|
Min bedrijfstemperatuur |
-55 ° C |
|
HTS -code |
8541.21.00.75 |
|
Spanning - beoordeelde DC |
30 V |
|
Huidige beoordeling (AMP's) |
100 ma |
|
Max Power Dissipation |
350 MW |
|
Eindpositie |
Onderkant |
|
Piekrefllowtemperatuur (° C) |
240 |
|
Bereik de nalevingscode |
Niet compliant |
|
Huidige beoordeling |
10 Ma |
|
Time@peak reflow temp-max (s) |
30 |
|
Basisonderdeelnummer |
BF245 |
|
Telling |
3 |
|
Kwalificatiestatus |
Niet gekwalificeerd |
|
Elementconfiguratie |
Enkel |
|
Werkmodus |
Uitputtingmodus |
|
Power Dissipation |
350 MW |
|
Transistortoepassing |
Versterker |
|
Draai naar bronspanning (VDSS) |
15 V |
|
Transistortype |
N-kanaal jfet |
|
Continue afvoerstroom (ID) |
15 ma |
|
Gate to Source Voltage (VGS) |
-30 V |
|
Drain stroom-max (ABS) (ID) |
0,1 a |
|
Giet af om de afbraakspanning te breken |
30 V |
|
FET -technologie |
Knooppunt |
|
Hoogste frequentieband |
Ultra hoge frequentie B |
|
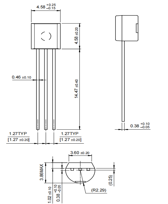
Hoogte |
4.58 mm |
|
Lengte |
4.58 mm |
|
Breedte |
3,86 mm |
|
ROHS -status |
Niet-ROHS-conform |
|
Leid gratis |
Leid gratis
|
• BF245C
• 2N5457
• 2SK117
• MPF102
• 2N5458
• BF244A
• BF256A
• J113
• 2N3819
• 2N4416
• 2N5638
• 2SK162
De BF245 vindt uitgebreid gebruik bij het versterken van VHF (zeer hoge frequentie) en UHF (ultra hoge frequentie) signalen.Deze frequenties spelen een rol in radiocommunicatie, televisie -uitzending en draadloze apparaten, die gedetailleerde versterking vereisen om de duidelijkheid van de signaal te behouden.U kunt verkennen naar geavanceerde configuraties om de prestaties te verbeteren, waarbij uitdagingen zoals signaalvervorming en ruisbeheer worden overwegen.Deze achtervolging komt vaak overeen met de emotionele voldoening om technische uitmuntendheid te bereiken.
Deze transistor speelt een rol bij het maken van RF -oscillatoren, die stabiele en precieze frequentiesignalen genereren.De lage ruisfunctie verrijkt de kwaliteit van outputsignalen, een factor gekoesterd in telecommunicatie- en uitzendkringen.U kunt de emotionele en intellectuele inspanningen investeren om harmonische vervorming te minimaliseren, terwijl de frequentiestabiliteit wordt behouden, inzichten uit praktische ervaringen trekken om circuitparameters aan te passen.
In het domein van de audiosamplificatie biedt de BF245 betrouwbare ondersteuning voor low-power audiosignalen.Zijn rol in audiocircuits zorgt voor minimale vervorming, waardoor het geschikt is voor high-fidelity audiosystemen.De kunst van het balanceren van stroomverbruik met prestaties wordt een exacte taak, u kunt genieten van het verfijnen om de luisterervaring te verbeteren, geïnformeerd door praktische expertise om de transistor correct te bevooroordeeld.
Voor signaalverwerking op laag niveau, vaak gezien in analytische en meetinstrumenten, toont de BF245 de waarde ervan.Het omgaan met zwakke signalen zorgt voor de gegevensintegriteit voorzichtig.Werken met deze transistor op gebieden zoals milieumonitoring en biomedische engineering wordt een verkenning van het aanpassen van circuits om te voldoen aan precieze meetbehoeften, genieten van de intellectuele betrokkenheid die dit inhoudt.
De BF245 verbetert de sensorcircuits door zwakke signalen van verschillende sensoren te versterken.Of het nu in temperatuur, druk of vochtigheidsdetectie is, deze transistor biedt stabiele versterking, waardoor nauwkeurige sensorgegevensinterpretatie wordt vergemakkelijkt.U kunt proberen sensorcircuits te verfijnen, gericht op het minimaliseren van responstijden en het verbeteren van de gevoeligheid, terwijl u de consistente prestaties van de BF245 onder verschillende omstandigheden waarderen.

Op halfgeleider bedient de halfgeleidersector met een divers scala aan producten.Het bedrijf is gespecialiseerd in machts- en signaalbeheer, logische componenten en discrete en op maat gemaakte apparaten zoals automotive, communicatie, computergebruik, consumenten, industriële, LED -verlichting, medische, militaire/ruimtevaart- en power -toepassingen.Op Semiconductor heeft een uitgebreid netwerk in Noord -Amerika, Europa en Azië -Pacific.Het bedrijf heeft zijn hoofdkantoor in de levendige stad Phoenix, Arizona, een hub die zijn innovatieve geest voedt.
Cilindrische batterijhouders.pdf
Stuur een aanvraag, we zullen onmiddellijk reageren.
Op 2024/10/29
Op 2024/10/29
Op 8000/04/18 147757
Op 2000/04/18 111936
Op 1600/04/18 111349
Op 0400/04/18 83721
Op 1970/01/1 79508
Op 1970/01/1 66907
Op 1970/01/1 63040
Op 1970/01/1 63012
Op 1970/01/1 54081
Op 1970/01/1 52125