
De 1N5822 is een Schottky -diode die bekend staat om zijn uitzonderlijk lage voorwaartse spanningsval, waardoor het een gunstige keuze is voor toepassingen die snel schakelen op verlaagde stroomniveaus vereisen.Dit biedt een voordeel in de schakelmodusvoedingen en hoogfrequente DC-naar-DC-converters, waar efficiëntie de algemene systeemprestaties kan beïnvloeden.Deze diode is ingekapseld in een DO-201ad-pakket en wordt vaak gebruikt in laagspannings- en hoogfrequente bewerkingen, waaronder toepassingen zoals omvormers met een laag spanning, freewheeling-toepassingen, polariteitsbescherming en slanke batterijladers.Het vermogen om over te schakelen, zorgt voor gemak voor geminimaliseerd energieverlies, waardoor de efficiëntie van systemen die erop vertrouwen zijn verbeterd.
In praktische toepassingen blinkt het ontwerp van de 1N5822 uit in zijn vermogen om thermische dissipatie te beheren, wat vaak een uitdaging is in compacte systemen die een hoge efficiëntie vereisen.Met deze constructie kan het betrouwbaar werken over verschillende omstandigheden, waardoor het een voorkeurskeuze is voor prototypes die gestage prestaties vereisen in veranderende omgevingen.De lage voorwaartse spanning van de diode is een belangrijke rol bij het behoud van het vermogen, wat meestal gunstig is voor het handhaven van energie in draagbare elektronische apparaten.
Vanuit een analytisch perspectief, terwijl de 1N5822 schijnt in laagspanningsscenario's, is het fundamenteel om ervoor te zorgen dat het hele circuit de voordelen van de low-forward spanningsdaling maakt.Het nadenkend uitlijnen van de attributen van de diode met de andere componenten van het systeem kan de prestaties en duurzaamheid van het apparaat aanzienlijk verheffen.Dieper onderzoeken in de ontwerpefficiëntie kan verdere strategieën ontdekken om het potentieel van dit onderdeel in geavanceerde toepassingen volledig te benutten.

|
Speldnaam |
Beschrijving |
|
Anode |
Stroom komt altijd binnen door anode |
|
Kathode |
Stroom verlaat altijd via de kathode |



|
Functie |
Beschrijving |
|
Zeer kleine geleidingsverliezen |
Vermindert het energieverlies tijdens de geleiding |
|
Verwaarloosbare schakelverliezen |
Minimaliseert verliezen tijdens het schakelen |
|
Extreem snel schakelen |
Maakt snelle overgangen mogelijk |
|
Lage voorwaartse spanningsval |
Biedt lager vermogensverlies |
|
Avalanche -capaciteit opgegeven |
Tegen hoge spanningsomstandigheden weerstaan |
|
Guardring voor overspanningsbeveiliging |
Beschermt tegen overspanningschade |
|
High Forward Surge Capaciteit |
Verwerkt hoge stroomafzettingen |
|
Hoogfrequente werking |
Geschikt voor hoogfrequente toepassingen |
|
Soldeer dip 275 ° C Max.10 s, per JESD 22-B106 |
Zorgt voor duurzaamheid in soldeerprocessen |
|
Type |
Parameter |
|
Factory doorlooptijd |
6 weken |
|
Inzetten |
Door gat |
|
Montagetype |
Door gat |
|
Pakket / kast |
Do-201ad, axiaal |
|
Aantal pinnen |
2 |
|
Gewicht |
4.535924G |
|
Diode -elementenmateriaal |
SILICIUM |
|
Aantal elementen |
1 |
|
Verpakking |
Tape & box (tb) |
|
JESD-609 Code |
E3 |
|
Onderdeelstatus |
Actief |
|
Vochtgevoeligheidsniveau (MSL) |
1 (onbeperkt) |
|
Aantal beëindigingen |
2 |
|
ECCN -code |
EAR99 |
|
Eindafwerking |
Mat tin (sn) - gegloeid |
|
Max bedrijfstemperatuur |
150 ° C |
|
Min bedrijfstemperatuur |
-65 ° C |
|
Toepassingen |
STROOM |
|
Aanvullende functie
|
Gratis Wheeling diode |
|
HTS -code |
8541.10.00.80 |
|
Capaciteit |
190pf |
|
Spanning - beoordeelde DC |
40V |
|
Eindvorm |
DRAAD |
|
Huidige beoordeling |
3a |
|
Basisonderdeelnummer |
1N58 |
|
Telling |
2 |
|
Polariteit |
Standaard |
|
Elementconfiguratie |
Enkel |
|
Snelheid |
Snel herstel =< 500ns, > 200 mA (IO) |
|
Diodetype |
Schottky |
|
Stroom - omgekeerde lekkage @ vr |
2MA @ 40V |
|
Uitgangsstroom |
3a |
|
Spanning - vooruit (vf) (max) @ if |
525mv @ 3a |
|
Case -verbinding |
GEÏSOLEERD |
|
Vooruitstroom |
3a |
|
Max omgekeerde lekstroom |
2MA |
|
Bedrijfstemperatuur - Junction |
150 ° C max |
|
Max Surge Current |
80A |
|
Voorwaartse spanning |
525 mV |
|
Max Reverse Voltage (DC) |
40V |
|
Gemiddelde gerectificeerde stroom |
3a |
|
Aantal fasen |
1 |
|
Piek omgekeerde stroom |
2MA |
|
Max Repetitive Reverse Voltage (VRRM) |
40V |
|
Piek niet-repetitieve overspanningsstroom |
80A |
|
Max Forward Surge Current (IFSM) |
80A |
|
Max Junction Temperatuur (TJ) |
150 ° C |
|
Hoogte |
5,3 mm |
|
Lengte |
9,5 mm |
|
Breedte |
5,3 mm |
|
Bereik SVHC |
Geen SVHC |
|
Stralingsharding |
Nee |
|
ROHS -status |
ROHS3 -compatibel |
|
Leid gratis |
Leid gratis |
|
Onderdeelnummer |
Beschrijving |
Fabrikant |
|
SR304HA0 DIODES |
Gelijkrichter diode |
Taiwan Semiconductor Manufacturing Company Limited |
|
SR304HB0 DIODES |
Gelijkrichter diode |
Taiwan Semiconductor Manufacturing Company Limited |
|
SR340 diodes |
Gelijkrichter diode |
Changzhou Staresea Electronics Co Ltd |
|
SR304A0 DIODES |
3a, 40V, silicium, gelijkrichterdiode, do-201ad, ROHS
Compatibel, plastic pakket-2 |
Taiwan Semiconductor Manufacturing Company Limited |
|
SR304HX0 DIODES |
Gelijkrichter diode |
Taiwan Semiconductor Manufacturing Company Limited |
|
1N5822_R2_00001 |
Gelijkrichter diode, Schottky, 1 fase, 1 element, 3a, 40V
(VRRM), Silicon, DO-201 |
Panjit halfgeleider |
|
1N5822_AY_00001 |
Gelijkrichter diode, Schottky, 1 fase, 1 element, 3a, 40V
(VRRM), Silicon, DO-201 |
Panjit halfgeleider |
|
SR304x0g diodes |
Gelijkrichter diode, Schottky, 1 fase, 1 element, 3a, 40V
(VRRM), silicium, do-201ad, groen, plastic pakket-2 |
Taiwan Semiconductor Manufacturing Company Limited |
|
1N5822_AY_10001 |
Gelijkrichter diode, Schottky, 1 fase, 1 element, 3a, 40V
(VRRM), Silicon, DO-201 |
Panjit halfgeleider |
|
1N5822-T3 |
Gelijkrichter diode, Schottky, 1 fase, 1 element, 3a, 40V
(VRRM), silicium, do-201ad, plastic pakket-2 |
Sangdeste Microelectronics (Nanjing) Co Ltd |
In hedendaagse elektronische frameworks speelt de 1N5822 Schottky diode dynamische rollen vanwege de kenmerken zoals lage voorwaartse spanningsdaling en snelle schakelmogelijkheden, waardoor de geschiktheid voor laagspannings- en energiebesparende taken wordt gevormd.Deze functies dragen aanzienlijk bij aan toepassingen met betrekking tot vermogensrectificatie, spanningsklem en beschermingscircuits door stroomverlies en het genereren van warmte te minimaliseren.Het omgaan met hoge stroomdichtheden met minimaal energieverlies kan de circuitprestaties sterk beïnvloeden, wat zorgt voor zorgvuldige overwegingen in ontwerpbenaderingen.
Het volgende circuit illustreert de voorwaartse voorspanning van de 1N5822-diode om een LED te activeren, aangedreven door een 3,7V-batterij, die de effectiviteit ervan in laagspanningsscenario's presenteert.Schottky -diodes hebben de voorkeur voor het handhaven van de invoerspanningsniveaus en het verminderen van energiedissipatie over de diode, waardoor een langere batterijduur en optimale LED -prestaties worden bevorderd.Omarmingsfactoren zoals thermisch beheer en belastingsomstandigheden worden gebruikt bij het gebruik van Schottky -diodes.Adequate warmtedissipatie is beheersbaar via geschikte koellichamen of thermische pads.Het selecteren van een diode met een huidige beoordeling die overeenkomt met de eisen van het circuit helpt voortijdige storingen te voorkomen en de betrouwbaarheid te vergroten.Het opnemen van deze strategieën verhoogt circuitveerkracht en verlengt de duurzaamheid van componenten.

Het maximaliseren van de voordelen van de 1N5822 vereist een doordachte circuitintegratie met precisie.Het situeren van de diode dicht bij de voeding vermindert de lijnverliezen en verbetert het circuitefficiëntie.Feedbackmechanismen configureren om biasingomstandigheden aan te passen, kunnen de prestaties onder verschillende operationele scenario's vloeibare optimaliseren.Schottky-diodes zijn behulpzaam in systemen die snelle schakelaar en lage voorwaartse spanning eisen, zoals schakelmodus voedingen (SMPS) en hoogfrequente toepassingen, vanwege hun vaardigheid in het beteugelen van schakelverliezen.
Omvormers die werken bij een lage spanning en hoge frequentie zijn sterk afhankelijk van efficiënte componenten om de stroomverliezen te verminderen.De 1N5822 -diode onderscheidt zich vanwege de lage voorwaartse spanningsval en snelle herstelfuncties.Deze kenmerken kunnen de energie -efficiëntie en betrouwbaarheid aanzienlijk verbeteren, voornamelijk waardevol in draagbare elektronische apparaten waar het behoud van energie een prioriteit is.
Freewheeling -circuits willen een alternatief stroompad aanbieden wanneer de hoofdschakelaar open is.De 1N5822 -diode blinkt hier uit, helpt de energieverliezen te verminderen en spanningspieken te onderdrukken, waardoor circuitstabiliteit wordt gewaarborgd.U kunt ontdekken dat het gebruik van de 1N5822 een betere bescherming biedt tegen tijdelijke spanningen en de levensduur van uw apparatuur verlengt terwijl hij windturbines en andere hernieuwbare energiesystemen produceert.
DC/DC -converters wonen aanzienlijk van de snelle schakelmogelijkheden van de 1N5822 en dissipatie met lage vermogen.Het integreren van deze diode leidt tot hogere efficiëntie en verbeterde spanningsregeling.U kunt opmerken dat de robuuste prestaties helpen bij het minimaliseren van warmteopbouw - een benodigde functie in dicht gepakte printplaten die vaak worden aangetroffen in hedendaagse elektronische apparaten.
In de wereld van signaaldetectie worden diodes zoals de 1N5822 gewaardeerd voor hun responsieve kenmerken, waardoor de detectienauwkeurigheid van zwakke signalen in RF -circuits wordt verbeterd.Dit verbetert digitale communicatie door meer betrouwbare signaalontvangst mogelijk te maken, zelfs met fluctuerende sterke punten.
Polariteitsbescherming waarborgen elektronische apparatuur tegen toevallige omgekeerde polariteitsverbindingen.De 1N5822 -diode biedt een eenvoudige en effectieve oplossing, wat leidt tot een merkbare daling van de faalpercentages van de componenten.Dergelijke resultaten benadrukken de waarde ervan bij het creëren van robuuste circuitontwerpen.
RF -toepassingen VERWIJDERDE VERMAADE RUIMENTERENDE EN Verbeterde signaalhelderheid.De 1N5822 -diode ondersteunt deze vereisten door signaalvervorming te minimaliseren.U kunt waarderen dat het opnemen van deze diode leidt tot verbeterde prestaties in high-fidelity audio- en communicatiesystemen, waar precieze signaalbeheer wordt gebruikt.
Logische circuits die snel schakelcomponenten vereisen, profiteren van de snelle schakeltijden van de 1N5822.Met behulp van deze diode bereiken circuits snellere responstijden, gevaarlijk bij high-speed computing en gegevensverwerking.Industrie leiders suggereren dat het opnemen van de 1N5822 de algehele snelheid en efficiëntie van computersystemen kan verbeteren.
Switched-mode voedingen (SMPS) vereisen een hoge efficiëntie en betrouwbaarheid.De 1N5822 -diode vermindert het energieverlies tijdens de werking aanzienlijk en verbetert de thermische prestaties, actief voor de levensduur van componenten van de voeding.U kunt de diode als instrumenteel beschouwen bij het stimuleren van SMPS -energie -efficiëntie, waardoor de rol in moderne energiebeheeroplossingen wordt versterkt.
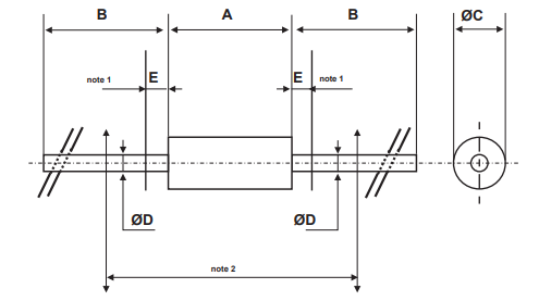
1N5822 Pakketoverzicht

1N5822 Mechanische gegevens
|
Ref. |
Afmetingen |
Aantekeningen |
|||
|
Millimeter |
Inches |
||||
|
Min. |
Max. |
Min. |
Max. |
1. De lead Diameter ▲ D is niet gecontroleerd boven zone E. 2. De minimale axiale lengte waarbinnen de Apparaat kan worden geplaatst met de leads gebogen haaks is 0,59 "(15 mm) |
|
|
A |
9.50 |
0.374 |
|||
|
B |
25.40 |
1000 |
|||
|
▲ c |
5.30 |
0,209 |
|||
|
▲ D |
1.30 |
0,051 |
|||
|
E |
1.25 |
0,049 |
|||
STMicro -elektronics heeft zich gepositioneerd als een toonaangevende speler in het wereldwijde halfgeleiderstadium.Het bedrijf staat bekend om zijn uitzonderlijke vermogen om geavanceerde silicium- en systeemoplossingen te maken.Door vooruitgang in System-on-Chip (SOC) -technologie voort te zetten, hebben ze opmerkelijke bijdragen geleverd aan de evolutie van moderne elektronica.
Door de toewijding aan onderzoek en ontwikkeling heeft STMicro-elektronics ontwerpen voor System-on-Chip verfijnde door verschillende functionele componenten in een enkele chip te integreren.Deze innovatie biedt niet alleen verbeterde efficiëntie en kostenreductie, maar heeft ook invloed op een breed scala aan producten, die consumentenelektronica en automotive -systemen omvatten.De dapperheid die ze in deze arena weergeven, duidt op hun toewijding om technologische grenzen en vindingrijkheid te verleggen.
Stuur een aanvraag, we zullen onmiddellijk reageren.
De 1N5822 Schottky-diode wordt opgemerkt vanwege de geschatte lage voorwaartse spanningsval van 0,525 V, wat bijdraagt aan zijn bekwaamheid in voorwaartse biologische circuits door een efficiënte elektriciteitsstroom mogelijk te maken.Deze diode schijnt in snelle schakelinstellingen die lagere stromen vereisen, zoals hoogfrequente stroomcircuits.Binnen de wereld van de industriële normen wordt de diode vaak gekozen voor rollen die geminimaliseerd vermogensverlies en een snelle respons op elektrische schommelingen eisen.Werkelijke toepassingen benadrukken de vaardigheid ervan bij het behoud van energie tijdens circuitveranderingen, waardoor de aantrekkingskracht in hedendaagse elektrische systemen het ontwerp wordt verbeterd.
Gewoonlijk zijn Schottky -diodes ontworpen met een thermisch pad op de kathode in plaats van op de anode.Deze keuze wordt geïnformeerd door hoe deze diodes reageren op thermische spanning, wat kan leiden tot ongelijke thermische omstandigheden.De standaardpraktijk houdt in dat een koellichaam aan de kathode wordt beveiligd om effectieve warmtedissipatie te garanderen.Ervaringen uit het veld onthullen dat deze opstelling de diode -werking stabiliseert en zijn servicevenstaat verlengt door bekwaam warmtebeheer.
Het vervangen van een 1N5819 Schottky-diode door een 1N5822 hangt af van hun gedeelde voorwaartse spanning (VF) en junction-to-ambient thermische weerstand (RTH-JA).De hogere lekstroom van de 1N5822 kan echter bepaalde toepassingen beïnvloeden, vooral in omgevingen die gevoelig zijn voor lekkage, zoals kracht- of circuits.Als het gaat om contexten zoals schakelmodusvoedingen (SMPS) of omgekeerde polariteitsbescherming, is het ruilen ervan meestal geschikt.Desalniettemin moet men rekening houden met de fysieke dimensies;De grotere voetafdruk van de 1N5822 daalt met een diameter van ongeveer 1,5 mm, waardoor geschikte bevestigingsaccommodaties nodig zijn.Dit praktische begrip benadrukt de noodzaak om mechanische en elektrische parameters af te stemmen op naadloze componentvervanging.
Op 2024/11/5
Op 2024/11/5
Op 8000/04/18 147758
Op 2000/04/18 111938
Op 1600/04/18 111349
Op 0400/04/18 83721
Op 1970/01/1 79508
Op 1970/01/1 66914
Op 1970/01/1 63058
Op 1970/01/1 63012
Op 1970/01/1 54081
Op 1970/01/1 52131