
De FDV301N is een zorgvuldig vervaardigde drie-terminale N-kanaal MOSFET, behendig op maat gemaakt voor superieure prestaties in laagspannings- en schakelcontexten.Wat deze component meestal aantrekkelijk maakt, is de minimale weerstand op de staat, die de veelzijdige vervanging van verschillende transistoren in elektronische circuits mogelijk maakt.Als basiscomponenten in elektronica worden MOSFET's-bekend als metaal-oxide-halfgeleider veldeffecttransistoren-gecategoriseerd in p-kanaal- en N-kanaalvarianten.Deze divisie beïnvloedt hun gebruik en prestatie -eigenschappen diepgaand.
N-kanaal MOSFET's, zoals de FDV301N, hefboom elektronen voornamelijk als ladingsdragers, die verbeterde geleidbaarheid bevorderen.Deze neiging tot elektronen verleent verschillende voordelen ten opzichte van P-kanaal MOSFET's die gaten gebruiken voor geleiding.De inherente kwaliteiten van elektronen, met hun schakelkleding, schenken N-kanaal MOSFET's met het potentieel om verhoogde prestatieniveaus te leveren, meestal in dimensies van krachtige vermogens.Snelle elektronentransit is dominant voor toepassingen die snelle schakelmogelijkheden en efficiënt energiebeheer vereisen.

|
Pin -nummer |
Speldnaam |
Beschrijving |
|
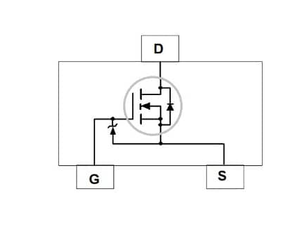
PIN 1 |
Droogleggen |
Met de afvoerpen kan de stroomstroom naar het apparaat. |
|
Pin 2 |
Hek |
Gebaseerd op de toegepaste spanning op deze pin, deze mosfet
Wordt ingeschakeld en uitgeschakeld.Dus deze pin wordt gebruikt om de transistor te voorspellen. |
|
Pin 3 |
Bron |
De stroom van stroom gaat over deze pin uit.
Meestal is deze pin verbonden met GND. |
|
Functie/specificatie |
Details |
|
Type |
N-kanaal mosfet |
|
Pakket |
SOT-23 Surface-Mount (Plastic/Epoxy) |
|
Maat |
Compact, lichtgewicht |
|
Betrouwbaarheid |
Betrouwbaar en robuust |
|
Kanaaltype |
N |
|
Pinnen |
3 |
|
Kanaalmodus |
Verbetering |
|
Transistorconfiguratie |
Enkel |
|
Lengte |
2,92 mm |
|
Breedte |
1,3 mm |
|
Materiaal |
Silicium (SI) |
|
Afvoer-tot-bronspanning (VDSS) |
25 V |
|
Gate-to-source spanning (VGSS) |
8 V |
|
Ingangsspanning (VIN) |
5 V |
|
Gate-to-source drempelspanning (VGS-TH) |
0.85V, 1,06V, 70V |
|
Afvoerstroom (ID) |
22 A |
|
Power Dissipation (PD) |
35 W |
|
Invoercapaciteit (CISS) |
5 PF |
|
Uitgangscapaciteit (COSS) |
6 PF |
|
Junction Temperatuur (TJ) |
-55 ℃ tot 150 ℃ |
|
Ambient thermische weerstand |
357 ℃/W |
|
On-state weerstand (RDS (ON)) |
4 tot 5 Ω |
|
Rise Time (TR) |
6 - 15 ns |
|
Totale poortlaad (QG) |
49 tot 0,7 NC |
|
Hoge celdichtheid |
Ja |
|
Technologie |
DMOS |
|
Reductie bij weerstand van de staat |
Ja |
|
Gate-to-source spanning (VGS-TH) |
8 V |
Inzicht in het potentieel van de FDV301N MOSFET vereist het onderzoeken van zijn rol in een basisschakelcircuit.De kerncomponenten van deze opstelling omvatten de FDV301N MOSFET, een LED die fungeert als de belasting, twee vermogensbronnen bij 3,3 V en 5V en een schakelaar.Deze configuratie demonstreert de functie van de MOSFET als een schakelaar, waarbij de overdracht van stroom wordt beheerd om de LED te verlichten.
In dit ontwerp geeft de 5V -stroombron de LED van energie en zorgt ervoor dat hij voldoende energie ontvangt om helder te schijnen.Omgekeerd verbindt de 3.3V -bron zich met de poort van de MOSFET en accentueert het reactievermogen van de MOSFET op poortspanningsschommelingen.Dit maakt de regeling van hoge stroomniveaus mogelijk met minimale input, een aantrekkelijke kwaliteit voor verschillende toepassingen.Door deze dual-source opstelling te gebruiken, wordt energie effectiever gebruikt, wat leidt tot een verminderd stroomverbruik-werkzaam voor apparaten die op batterijen lopen of draagbaarheid vereisen.
FDV301N MOSFET SWITCHING CIRCUIT

De schakelaar van het circuit regelt de bewerking.Indien niet ingedrukt, bereikt geen spanning de poort, waardoor de MOSFET niet -geleidend wordt en als een open circuit werkt als de volledige 5V wordt toegepast.Deze eenvoud is nuttig in toepassingen die een eenvoudige aan-uit-controle nodig hebben, vergelijkbaar met basislogische poorten in digitale elektronica.
Druk op de schakelaar introduceert 3.3V in de poort, waardoor de MOSFET kan worden uitgevoerd en zo de LED kan voeden.Dit weerspiegelt de besturingsmethoden die vergelijkbaar zijn met die in meer complexe systemen zoals pulsbreedtemodulatie (PWM) die gebruikelijk is bij het gebruik van microcontroller, waarbij precieze energiebeheer gunstig is.De LED licht op wanneer de schakelaar is ingeschakeld, wat de veelzijdige functionaliteit van de FDV301N MOSFET als een schakelaar bewijst.Het integreren van dergelijke MOSFET's resulteert vaak in circuits die zowel compact als veelzijdig zijn, aanpasbaar aan talloze configuraties.
De FDV301N MOSFET bevindt zich in een breed spectrum van toepassingen en graaft in geavanceerde domeinen zoals batterijbeheersystemen en DC-DC-converters.Display Driver Circuits Harnas zijn precisie voor lage spanning en stroomregeling.In het automotive-landschap heeft het diepgaande invloed op de elektronica met zijn bedreven high-speed-omschakeling en prestaties in omvormercircuits.De MOSFET is van onschatbare waarde in servomotorbesturing, stuurvermogensregeling en het uitvoeren van precieze schakelbewerkingen.Het integreert naadloos in elektronische besturingseenheden en functioneert als een efficiënte estafette -stuurprogramma.Binnen de wereld van elektrische voertuigen werkt het als een serieuze stroomomvormer, wat bijdraagt aan verbeterde energie -efficiëntie.
In geavanceerde automotive-systemen ondersteunt de FDV301N MOSFET de vooruitgang van ingewikkelde elektronische frameworks.Het beheert de stroomverdeling en het optimaliseren van elektronische prestaties in voertuigen.Betrouwbaarheid in zijn schakelhulpmiddelen de soepele werking van componenten zoals infotainmentsystemen en adaptieve verlichtingsopstellingen.
Binnen Power Electronics valt de impact van de MOSFET op het ontwerp van het omvormer en de prestaties op.Het snelle schakelvermogen in combinatie met minimale vermogensdissipatie is een substantiële bijdrage aan efficiëntieverbeteringen, vooral voor toepassingen die compacte en robuuste vermogensoplossingen eisen.Deze innovatie wordt steeds dynamischer naarmate de industrieën naar duurzame en energiezuinige praktijken rijden.
Naarmate de prevalentie van elektrische voertuigen groeit, wordt de rol van de FDV301N MOSFET in energieconversie steeds relevanter.Efficiënt beheer van energietransformatie ondersteunt maximaal batterijgebruik en verlengt het reisbereik van het voertuig.Dergelijke mogelijkheden krijgen momentum door cumulatieve auto -ervaring met het stimuleren van continu ontwerp en technologische verbeteringen.
Met elektronische besturingseenheden die dominante rollen tussen toepassingen uitgaande, schijnt het aanpassingsvermogen van de FDV301N MOSFET in slimme en geautomatiseerde systemen.De vaardigheid ervan in het omgaan met verschillende elektrische taken, terwijl de krachtefficiëntie in stand houdt, benadrukt de relevantie ervan voor huidige en komende vooruitgang.Praktische applicatie -inzichten openen paden om slimme technologie verder te verhogen.
Stuur een aanvraag, we zullen onmiddellijk reageren.
Op 2024/12/10
Op 2024/12/10
Op 8000/04/19 147783
Op 2000/04/19 112072
Op 1600/04/19 111352
Op 0400/04/19 83829
Op 1970/01/1 79644
Op 1970/01/1 67008
Op 1970/01/1 63135
Op 1970/01/1 63067
Op 1970/01/1 54098
Op 1970/01/1 52227