
De AD9361 valt op als een veelzijdige RF Agile -zendontvanger, op maat gemaakt voor hedendaagse 3G- en 4G -basisstationondernemingen.Met een breed frequentiespectrum van 70 MHz tot 6,0 GHz, toont het zijn veelzijdigheid en uitlijning met gevarieerde draadloze communicatie -eisen.Met de integratie van een RF -front -end naast flexibele basisband en frequentiesynthesizers, is ontwerp gestroomlijnd, waardoor een digitale interface wordt gepresenteerd aan processors.Dit efficiënte pakket, ingekapseld in een 10 mm × 10 mm, 144-ball CSP_BGA, is geschikt voor toepassingen waar de ruimte een premium is.De AD9361 omvat een breed frequentiespectrum en ondersteunt een veelvoud aan transceiver-toepassingen, waaronder basisstations en geavanceerde draadloze systemen.Het programmeerbare karakter geeft het apparaat in staat om nauwkeurige specificaties aan te passen, het ontwikkelingsproces te verbeteren en de prestaties te stimuleren.
Kanaalbandbreedtes omvatten van minder dan 200 kHz tot 56 MHz, waardoor de AD9361 geschikt is voor een breed spectrum van toepassingen.Deze bandbreedteflexibiliteit zorgt voor moeiteloze afstemming met verschillende communicatienormen, waardoor efficiënt resource management wordt bevorderd.Veldtest benadrukt hoe dit aanpassingsvermogen snelle en precieze reacties op dynamische omgevingen mogelijk maakt.Het vermogen van de AD9361 voor digitale interface met processors verlicht conventionele uitdagingen in het RF -ontwerp.Door meerdere functies in een enkele eenheid samen te voegen, vermindert het de behoefte aan extra componenten, waardoor het totale systeemontwerp wordt gestroomlijnd.Deze strategie ontvangt vaak lofbetuigingen binnen industrieforums vanwege haar capaciteit om de kosten te minimaliseren en de betrouwbaarheid te vergroten door faalpunten te verminderen.



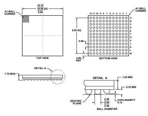
Technische specificaties, attributen en parameters van de Analog Devices Inc. AD9361, samen met onderdelen vergelijkbaar met de Analog Devices Inc. AD9361BBCZ.
|
Type |
Parameter |
|
Levenscyclusstatus |
Productie (laatst bijgewerkt: 2 weken geleden) |
|
Contact opnemen |
Koper, zilver, tin |
|
Montagetype |
Oppervlaktemontage |
|
Aantal pinnen |
144 |
|
Verpakking |
Dienblad |
|
PBFree -code |
Nee |
|
Vochtgevoeligheidsniveau (MSL) |
3 (168 uur) |
|
ECCN -code |
5A991.B |
|
Eindafwerking |
Tin/zilver/koper (Sn/Ag/Cu0.5) |
|
Eindvorm |
BAL |
|
Aantal functies |
1 |
|
Eindpunt |
0,8 mm |
|
Frequentie |
70 MHz - 6GHz |
|
Basisonderdeelnummer |
AD9361 |
|
Bedrijfsvoorzieningspanning |
1.3V |
|
Vermogen - uitgang |
0,8 MW |
|
Seriële interfaces |
Spi |
|
Stroom - verzending |
240 mA ~ 800MA |
|
Ruisfiguur |
2,5 dB |
|
Lengte |
10 mm |
|
Bereik SVHC |
Geen SVHC |
|
Leid gratis |
Bevat lood |
|
Factory doorlooptijd |
8 weken |
|
Inzetten |
Oppervlaktemontage |
|
Pakket / kast |
144-LFBGA, CSPBGA |
|
Bedrijfstemperatuur |
-40 ° C ~ 85 ° C |
|
JESD-609 Code |
E1 |
|
Onderdeelstatus |
Actief |
|
Aantal beëindigingen |
144 |
|
Type |
Alleen TX-RX |
|
Eindpositie |
ONDERKANT |
|
Peak Reflow -temperatuur (CEL) |
260 |
|
Voedingsspanning |
1.3V |
|
Diepte |
10 mm |
|
Time@peak reflow temperatuur-max (s) |
Niet gespecificeerd |
|
Telling |
144 |
|
Protocol |
LTE |
|
RF Family/Standard |
Cellulair |
|
Huidig - ontvangen |
175MA ~ 445MA |
|
Aantal ontvangers |
2 |
|
Hoogte |
1 mm |
|
Breedte |
10 mm |
|
ROHS -status |
Rohs compliant |

De zendontvanger accommodeert zowel Time Division Duplex (TDD) als Frequency Division Duplex (FDD) -bewerkingen, met een veelzijdige dubbele modus.Deze flexibiliteit maakt naadloze integratie in diverse communicatiesystemen mogelijk.Van telecommunicatie tot militaire toepassingen, dit aanpassingsvermogen verbetert de strategieën in verschillende uitdagende omgevingen.
Kanaalafstotbaarheid omvat van minder dan 200 kHz tot 56 MHz en biedt indrukwekkend aanpassingsvermogen.Dit zorgt voor op maat gemaakte prestaties over verschillende frequentiebanden: smalbandtoepassingen en breedbandtoepassingen.Technologieën zoals LTE en 5G maken gebruik van deze afstemming effectief om spectrumefficiëntie te optimaliseren en interferentie te minimaliseren, wat de operationele werkzaamheid aanzienlijk verbetert.
Hoge gevoeligheid van de ontvanger speelt een rol bij betrouwbare signaaldetectie, vooral onder uitdagende omstandigheden.Deze functie wordt gebruikt in afgelegen gebieden en landelijke regio's.Een dergelijke gevoeligheid is gunstig voor het onderhouden van sterke verbindingen, met name goed voor communicatie in sectoren zoals hulpdiensten of monitoring van de gezondheidszorg.
De AD9361 is een kern in point-to-point communicatiesystemen, gevierd om zijn opmerkelijke aanpassingsvermogen.De vaardigheid ervan over het beheren van een spectrum van frequenties en bandbreedtes maakt het een optimale keuze binnen deze systemen.Anderen benutten vaak het integratiepotentieel om gestroomlijnde netwerken te smeden, waardoor zowel betrouwbaarheid als prestaties van de links worden verbeterd.Door middelen oordeelkundig te optimaliseren, kunt u getuige zijn van verbeteringen in point-to-point connectiviteit.
Binnen basisstations onderscheidt de AD9361 zich door zijn veerkracht en uitstekende prestatiestatistieken.Het integreert naadloos met verschillende netwerkstandaarden, waardoor opmerkelijke schaalbaarheid en flexibiliteit wordt vergemakkelijkt, twee aspecten waarvan de moderne telecommunicatie -infrastructuur afhankelijk is.Velen hebben een winst in operationele efficiëntie en een daling van de inzetuitgaven door de AD9361 in hun kaders op te nemen.
De veelzijdigheid van het apparaat schijnt ook in algemene radiosystemen, waar de vraag naar aanpassing en aanpassingsvermogen hoog is.Anderen waarderen de capaciteit van de AD9361 om meerdere signaalroutes tegelijkertijd te beheren, waardoor de weg wordt vrijgesproken voor innovatieve radio -oplossingen.Een dergelijke integratie speelt een rol bij het bereiken van superieure signaalhelderheid en efficiëntie, in de hedendaagse hyper-verbonden omgeving.

Het AD9361-zendermodel integreert naadloos digitale up-conversie-, analoge en RF-front-end filters om efficiënte communicatie in verschillende toepassingen te ondersteunen, waardoor een brug tussen technologie en interactievereisten ontstaat.Digitale up-conversie transformeert basisbandsignalen naar hogere frequenties die nodig zijn voor effectieve transmissie.Dit proces behoudt signaalintegriteit door vervorming te minimaliseren.De continue evolutie van digitale signaalverwerking wordt aangedreven door industriële behoeften, gericht op precisie en betrouwbaarheid in complexe communicatiesystemen.Analoge en RF front-end filters zuiveren signalen door onnodige frequenties te elimineren en ruis te verminderen.Ze spelen een belangrijke rol bij het waarborgen van duidelijke communicatie over verschillende afstanden, hun efficiëntie bewezen herhaaldelijk in omgevingen.Deze elementen verbeteren signaaltrede en systeemprestaties.
Niet -lineariteiten en winst onevenwichtigheden vormen uitdagingen bij signaaloverdracht.Het AD9361 -zendermodel maakt gebruik van geavanceerde algoritmen om deze aan te pakken, waardoor piekprestaties mogelijk zijn.Innovatieve strategieën gebaseerd op empirische validatie en rigoureuze veldtests worden gebruikt voor continue parameteraanpassingen.
Instelbare verzwakking maakt nauwkeurige controle over signaalvermogensniveaus mogelijk, waardoor op maat gemaakte transmissiekarakteristieken mogelijk worden op basis van specifieke behoeften.Dit aanpassingsvermogen voorkomt gegevensverlies of interferentie, waarbij de signaalsterkte in evenwicht wordt gebracht.Deze aanpak, gevormd door uitgebreide feedback, komt overeen met hedendaagse eisen voor veerkrachtige en flexibele communicatiesystemen.Effectieve dempingsbeheer op verschillende communicatieplatforms handhaaft systeemintegriteit en efficiëntie.Aanpasbare instellingen komen overeen met verschillende operationele omstandigheden, terwijl veldproeven in dynamische instellingen de rol van instelbare verzwakking in moderne systemen onderstrepen.

De architectuur van de AD9361 -ontvanger resoneert met die van de tegenhanger van de zender, gericht op bedreven ruiscontrole en het handhaven van een breed dynamisch bereik.Deze harmonie omvat het toepassen van ingewikkelde filter- en dempingstechnieken, gericht op het beschermen van signaalzuiverheid.Het verminderen van geluid verbetert de duidelijkheid van ontvangen signalen.Het gebruik van geavanceerde filters helpt bij het onderscheiden van het gewenste signaal van omliggende ruis.Bovendien bieden adaptieve filterstrategieën de flexibiliteit voor on-the-fly aanpassingen aan veranderende geluidsomgevingen, waardoor de stabiliteit wordt verbeterd.Het handhaven van een uitgebreid dynamisch bereik is een integraal onderdeel van de prestaties van de ontvanger.Systemen Automatic Gain Control (AGC) stellen de ontvanger in staat zich aan te passen aan variërende signaalsterkten, met als doel de vervorming te verminderen en tegelijkertijd de gegevensprecisie te verbeteren.Anderen implementeren vaak AGC in ingewikkelde omgevingen om signaaluittreding te behouden.

Analoge apparaten hebben erkenning gekregen voor zijn expertise in het samenvoegen van analoge en digitale signaalverwerking.Het biedt baanbrekende oplossingen die complexe fenomenen vertalen in praktische elektrische gegevens, waardoor elektronische toepassingen naar voren worden gebracht.De toewijding van het bedrijf aan kwaliteits- en baanbrekende technologie plaatst het voorop in de evolutie van de industrie, waardoor zowel respect als een gevoel van bewondering worden opgeroepen.Via de AD9361 benadrukt analoge apparaten zijn invloedrijke rol bij het empowerment van technologieën die conventionele grenzen overstijgen.Naarmate de industrieën evolueren, zal de dorst naar aanpasbare en effectieve oplossingen voor signaalverwerking onvermijdelijk stijgen, waarbij de AD9361 staat als een belangrijk element voor toekomstige innovatie, het bevorderen van een gevoel van anticipatie en vooruitstrevende verkenning.
De AD9361 is vervaardigd voor een breed scala aan radiofrequentiebehoeften, en biedt sterke mogelijkheden in zowel modulatie als netwerkaanpassingsvermogen.Met zijn hoge integratie en uitstekende prestaties past het naadloos in hedendaagse communicatiekaders.In praktische termen helpt de CHIP om ontwerpprocessen te consolideren door verschillende functionaliteiten in een enkel pakket te integreren.Deze vermindering van de complexiteit draagt bij aan verbeterde betrouwbaarheid in apparaten zoals software-gedefinieerde radio's en MIMO-systemen.De flexibiliteit ervan wordt bijzonder invloedrijk in scenario's die snelle aanpassingen vereisen aan evoluerende netwerkstandaarden.
Een agile zendontvanger combineert een front-end van de radiofrequentie met een programmeerbare basisband, waardoor de ontwerpprocessen voor huidige digitale processors of veldprogrammeerbare gate-arrays (FPGA's) aanzienlijk worden vergemakkelijkt.Deze zendontvangers bieden breedtegraad in het maken en inzetten van communicatiesystemen, dankzij hun vermogen om dynamische herconfiguratie te ondergaan om te voldoen aan de eisen van verschillende communicatieprotocollen.Fabrikanten van netwerkapparatuur vinden bijvoorbeeld dat ze snel producten op de markt kunnen brengen, waardoor de transceiver -functies worden geëindigd door software -updates in plaats van hardwareveranderingen.
De AD9361 functioneert over een breed frequentiebereik, overspannen van 70 MHz tot 6 GHz, waardoor een gestroomlijnde methode ontstaat voor het maken van RF -transceivers.Het bevat een basisband met gemengd signaal met frequentiesynthesizers, waardoor het een divers spectrum van frequentiebanden kan dekken.Deze consolidatie helpt om het aantal benodigde externe onderdelen te verminderen, waardoor compactere en energiebesparende ontwerpen worden bevorderd.Gezien zijn diverse mogelijkheden, wordt de AD9361 toegepast op verschillende gebieden, zoals mobiele basisstations en ruimtevaarttechnologie, waar dynamische en standvastige draadloze communicatie waarde heeft.Velen hebben opgemerkt dat zijn bekwaamheid zich snel aanpast aan verschuivingen in frequentie en tegelijkertijd meerdere kanalen ondersteunen, met opmerkelijke operationele voordelen in snel voortschrijdende technologische domeinen.
Stuur een aanvraag, we zullen onmiddellijk reageren.
Op 2024/10/29
Op 2024/10/29
Op 8000/04/18 147757
Op 2000/04/18 111936
Op 1600/04/18 111349
Op 0400/04/18 83721
Op 1970/01/1 79508
Op 1970/01/1 66907
Op 1970/01/1 63040
Op 1970/01/1 63012
Op 1970/01/1 54081
Op 1970/01/1 52125