
De AD8542AR is een dubbele operationele versterker voor algemene doeleinden, gebouwd voor werking met laag vermogen en rail-to-rail invoer- en uitvoerprestaties.Het werkt vanuit één enkele voeding en ondersteunt laagspanningssystemen waarbij efficiënte signaalverwerking vereist is.Het apparaat biedt stabiele versterking voor kleine analoge signalen, terwijl het consistente gedrag over het hele werkingsbereik behouden blijft.Het tweekanaalsontwerp ondersteunt compacte circuitlay-outs en vermindert het aantal componenten.Veel voorkomende toepassingen zijn onder meer sensorsignaalconditionering, instrumenten op batterijen, draagbare meetapparatuur en analoge basisverwerkingsfasen.Het onderdeel combineert nauwkeurigheid en energie-efficiëntie voor alledaagse analoge functies.Op zoek naar AD8542AR?Neem contact met ons op om de huidige voorraad, levertijd en prijzen te controleren.

| Pinnummer | Pin-naam | Beschrijving |
| 1 | UIT EEN | Versterker A-uitgang |
| 2 | −IN A | Versterker Een inverterende ingang |
| 3 | +IN A | Versterker Een niet-inverterende ingang |
| 4 | V− | Negatieve voeding of aarde |
| 5 | +IN B | Versterker B niet-inverterende ingang |
| 6 | −IN B | Versterker B inverterende ingang |
| 7 | UIT B | Versterker B-uitgang |
| 8 | V+ | Positief aanbod |



De AD8542AR bevat twee onafhankelijke versterkerkanalen binnen één apparaat.Hierdoor kan een enkele component gepaarde analoge signalen verwerken, waardoor de kaartruimte wordt verminderd en de circuitindeling wordt vereenvoudigd.Beide kanalen werken met afgestemd elektrisch gedrag en ondersteunen een gebalanceerde en consistente signaalverwerking.
Ingangen en uitgangen kunnen dichtbij beide aanbodniveaus schommelen.Dit maakt een beter gebruik van het beschikbare spanningsbereik mogelijk, vooral in laagspanningssystemen.Signalen kunnen worden verwerkt met minimaal verlies aan dynamisch bereik bij werking vanuit één enkele voeding.
Het apparaat trekt tijdens normaal bedrijf zeer weinig voedingsstroom.Dit ondersteunt een langere levensduur van de batterij en een lager algemeen stroomverbruik.Het is zeer geschikt voor systemen die langere tijd actief blijven.
Een kleine ingangs-offsetspanning helpt de nauwkeurigheid te behouden bij het versterken van signalen op laag niveau.Dit vermindert ongewenste spanningsfouten aan de uitgang.Stabiel offsetgedrag ondersteunt herhaalbare metingen.
De ingangstrap trekt slechts een zeer kleine hoeveelheid stroom.Dit minimaliseert de interactie met signaalbronnen met hoge impedantie.Het helpt de signaalintegriteit in gevoelige invoerpaden te behouden.
De versterkingsbandbreedte ondersteunt gewone analoge signaalfrequenties die worden gebruikt in detectie- en regelcircuits.Het zorgt voor een stabiele versterking zonder overmatige signaalvervorming.Dit maakt het apparaat geschikt voor een breed scala aan dagelijkse analoge taken.
De zwenksnelheid maakt vloeiende uitgangsovergangen mogelijk wanneer het ingangssignaal verandert.Dit ondersteunt stabiele signaaltracking zonder abrupte randen.Het helpt een voorspelbare tijdrespons te behouden.
De eindtrap kan gematigde stroomniveaus aan- en afvoeren.Hierdoor is directe aansluiting op belastingen zoals filters of omvormers mogelijk.Bij veel ontwerpen is geen extra buffertrap nodig.
De versterker werkt over een breed bereik aan voedingsspanningen.Dit maakt compatibiliteit met verschillende systeemvermogensniveaus mogelijk.Het ondersteunt flexibele integratie in gemengde spanningsontwerpen.
Het apparaat is gespecificeerd om te werken over een breed temperatuurbereik.De elektrische prestaties blijven stabiel onder variërende thermische omstandigheden.Dit ondersteunt gebruik in industriële en buitenomgevingen.
| Productkenmerk | Kenmerkwaarde |
| Fabrikant | Analoge apparaten, Inc. |
| Spanning - voedingsbereik (min.) | 2,7 volt |
| Spanning - voedingsbereik (max.) | 5,5 V |
| Spanning - Ingangsoffset | 1 mV |
| Verkrijg bandbreedteproduct | 1 MHz |
| Zwenksnelheid | 0,92 V/µs |
| Uitvoertype | Spoor-naar-spoor |
| Huidig - aanbod | 45 µA (x2 kanalen) |
| Stroom - Uitgang / Kanaal | 30mA |
| Stroom - Ingangsbias | 4 pA |
| Bedrijfstemperatuur | -40°C ~ 125°C |
| Aantal circuits | 2 |
| Montagetype | Opbouwmontage |
| Apparaatpakket van leverancier | 8-SOIC |
| Pakket / doos | 8-SOIC (0,154", 3,90 mm breed) |
| Pakket | Buis |
| Basisproductnummer | 8542 n.Chr |

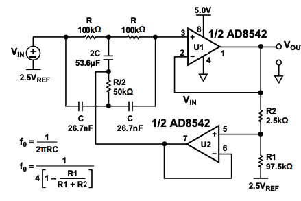
Actief twin-T notch-filter geconfigureerd om 60 Hz-interferentie te onderdrukken met behulp van beide kanalen van de AD8542 dubbele operationele versterker bij werking met één voeding.Het circuit combineert een passief twin-T-netwerk gemaakt van op elkaar afgestemde weerstanden en condensatoren met een actieve versterkertrap om de inkepingsdiepte te vergroten en de kwaliteitsfactor te regelen, die is ingesteld op 10 via een gedefinieerde weerstandsverhouding.Er wordt een voeding van 5,0 V gebruikt met een referentie van 2,5 V om het signaalpad te beïnvloeden, waardoor een goede werking zonder negatieve rail mogelijk wordt.Eén versterkersectie verwerkt het gefilterde signaal, terwijl de tweede de middentoevoerreferentie buffert, waardoor een stabiele biasing wordt gegarandeerd.Componentwaarden worden geselecteerd om de notch-frequentie vast te stellen volgens de standaard RC-relatie, waardoor de configuratie geschikt wordt voor het onderdrukken van elektriciteitslijnruis in laagfrequente analoge signaalpaden.
De AD8542AR wordt vaak gebruikt in draagbare elektronica waar een lage voedingsspanning en een laag stroomverbruik vereist zijn.Het ondersteunt een stabiele signaalversterking terwijl er minimale stroom wordt verbruikt, waardoor de gebruiksduur van de batterij wordt verlengd.Dankzij het rail-to-rail-gedrag kunnen signalen nauwkeurig worden verwerkt, zelfs als de batterijspanning verandert.
In sensorgebaseerde systemen wordt de AD8542AR gebruikt om signalen op laag niveau te versterken, bufferen of schalen voordat ze verder worden verwerkt.De lage ingangsbiasstroom helpt het laden van gevoelige sensoruitgangen te voorkomen.Dit ondersteunt een schonere signaaloverdracht van sensoren zoals temperatuur-, druk- of lichtsensorelementen.
Het apparaat past goed in instrumentatie die langdurig actief moet blijven.Het zorgt voor een constante versterking terwijl het stroomverbruik laag blijft.Dit maakt hem geschikt voor monitoringapparatuur waarbij consistent signaalgedrag en efficiëntie beide vereist zijn.
De AD8542AR wordt gebruikt in analoge front-end-trappen om signalen voor te bereiden voor conversie- of besturingsblokken.Het helpt bij het stabiliseren van spanningsniveaus en vloeiende signaalovergangen.Dit verbetert de consistentie in audiopaden, gebruikersinvoercircuits en analoge interfaces met lage snelheid.
In industriële systemen ondersteunt de versterker signaalconditionering voor besturingsfeedback en monitoringpaden.Dankzij het brede bereik van de bedrijfstemperatuur kan hij betrouwbaar functioneren onder wisselende omgevingsomstandigheden.Dit ondersteunt voorspelbaar systeemgedrag bij langdurig gebruik.
De AD8542AR wordt vaak geselecteerd voor algemene versterkingstaken binnen embedded platforms.Het kan signalen bufferen tussen gemengde analoge en digitale blokken.Dankzij deze flexibiliteit kan het filter-, schaal- en isolatiefuncties in compacte ontwerpen ondersteunen.

Compact opbouwpakket gedefinieerd door acht kabels die symmetrisch rond een smal rechthoekig lichaam zijn gerangschikt, met afmetingen gespecificeerd in millimeters en inch-equivalenten ter referentie.De lay-out toont een carrosseriebreedte van ongeveer 3,80 tot 4,00 mm en een totale lengte van ongeveer 4,80 tot 5,00 mm, met een nominale spoed van 1,27 mm.De geometrie van de lead omvat gedefinieerde leadbreedte, -dikte en afstandshoogte om goed solderen en coplanariteit te garanderen, gespecificeerd op 0,10 mm.De tekening identificeert de uitlijning van het zitvlak, de hoeken en de afschuiningsdetails, en geeft aan dat wordt voldaan aan de JEDEC-standaard MS-012-AA, wat consistente mechanische compatibiliteit biedt voor de assemblage van printplaten.
• Tweekanaalsontwerp ondersteunt compacte circuitlay-outs
• Lage voedingsstroom ondersteunt een energiezuinige werking
• Rail-to-rail input en output maken een beter gebruik van lage voedingsspanningen mogelijk
• Zeer lage ingangsbiasstroom geschikt voor signaalbronnen met hoge impedantie
• Het brede bereik van de bedrijfstemperatuur ondersteunt gevarieerde omgevingen
• Stabiel gedrag past bij analoge signaalverwerking voor algemene doeleinden
• De beperkte versterkingsbandbreedte beperkt het gebruik van hogere frequentiesignalen
• Een gematigde zwenksnelheid beperkt de reactie op snelle signaalveranderingen
• Het voedingsspanningsbereik ondersteunt geen systemen met een hogere spanning
• Het ontwerp voor algemeen gebruik is mogelijk niet geschikt voor toepassingen met ultralaag geluidsniveau
| Onderdeelnummer | Fabrikant | Belangrijkste kenmerken | Gebruik case/notities |
| AD8542ARM-REEL | Analoge apparaten, Inc. | Dubbele operationele versterker met laag vermogen, rail-naar-rail-uitgang, lage ingangsbiasstroom en stabiele prestaties over een breed temperatuurbereik.Geleverd in tape- en haspelverpakking voor automatische montage. | Zeer geschikt voor ontwerpen op batterijen en met beperkte ruimte die afhankelijk zijn van geautomatiseerde productie op het oppervlak, inclusief draagbare instrumenten en circuits voor het conditioneren van sensorsignalen. |
| AD8542AR-REEL7 | Analoge apparaten, Inc. | Dubbele opamp voor algemeen gebruik met rail-naar-rail-uitgangen, lage ruststroom en consistente elektrische kenmerken.Geleverd in grote rolverpakkingen. | Wordt vaak gebruikt bij de productie van grote volumes voor analoge signaalverwerkingstaken zoals versterking, buffering en conditionering in besturings- en monitoringsystemen. |
| AD8542AR-REEL | Analoge apparaten, Inc. | Dubbele operationele versterker met laag vermogen, rail-naar-rail-uitgangsmogelijkheid, gematigde bandbreedte en lage ingangsbiasstroom.Ontworpen voor toepassingen op het oppervlak. | Geschikt voor algemene analoge circuits waarbij een laag stroomverbruik en een compacte opbouwverpakking vereist zijn, zoals consumentenelektronica en ingebedde systemen. |
Analog Devices, Inc. is een technologiebedrijf dat zich richt op het ontwerp en de productie van analoge, gemengde signaal- en digitale signaalcomponenten.Het productportfolio ondersteunt signaalmeting, conversie, vermogensregeling en gegevensverwerking over een breed scala aan elektronische systemen.Het bedrijf bedient markten zoals industriële apparatuur, communicatie, gezondheidszorgapparatuur en consumentenelektronica.De lange bedrijfsgeschiedenis weerspiegelt de focus op stabiele prestaties, consistente kwaliteit en productondersteuning op lange termijn.De componenten van het bedrijf worden vaak gebruikt in systemen die betrouwbaar signaalgedrag vereisen onder variërende elektrische en omgevingsomstandigheden.
De AD8542AR biedt een uitgebalanceerde mix van laag stroomverbruik, stabiele prestaties en flexibele signaalverwerking.U kunt vertrouwen op de tweekanaalsopstelling om ruimte te besparen en het aantal extra onderdelen in uw circuit te verminderen.Dankzij het rail-to-rail-gedrag kunt u meer halen uit lage voedingsspanningen zonder complexe biasing.Met een lage ingangsvoorspanning en offsetspanning verwerkt hij kleine signalen netjes.Het apparaat werkt goed over een breed temperatuurbereik, waardoor het in veel omgevingen betrouwbaar is.Over het geheel genomen past het mooi in alledaagse analoge ontwerpen waar eenvoud en efficiëntie belangrijk zijn.
Stuur een aanvraag, we zullen onmiddellijk reageren.
De AD8542AR is een dubbele operationele versterker voor algemeen gebruik, ontworpen voor werking met laag vermogen en enkele voeding.
Ja, het is ontworpen om te werken op één enkele voedingsspanning en ondersteunt rail-naar-rail in- en uitgang.
Je ziet het vaak in sensorsignaalconditionering, draagbare elektronica, instrumentatie en analoge basisverwerkingscircuits.
De AD8542AR wordt geleverd in een 8-draads SOIC-pakket voor opbouwmontage met smalle behuizing.
Ja, de zeer lage ingangsvoorspanning maakt hem geschikt voor circuits die zijn aangesloten op signaalbronnen met hoge impedantie.
Op 2026/01/13
Op 2026/01/13
Op 8000/04/18 147767
Op 2000/04/18 111994
Op 1600/04/18 111351
Op 0400/04/18 83758
Op 1970/01/1 79555
Op 1970/01/1 66952
Op 1970/01/1 63098
Op 1970/01/1 63028
Op 1970/01/1 54095
Op 1970/01/1 52176