

|
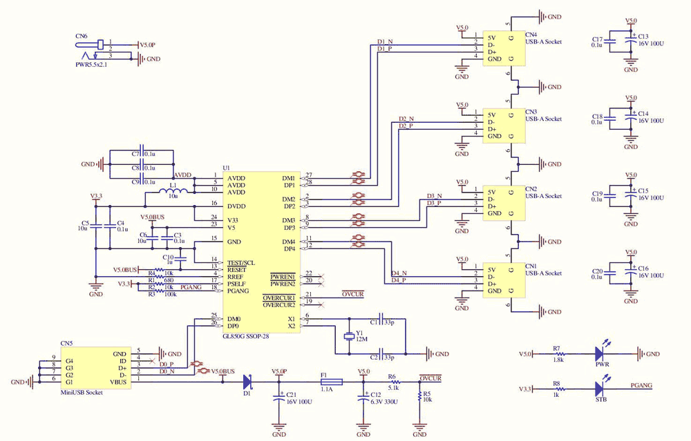
Pin |
Naam |
Functie |
|
1 |
AVDD |
3.3V analoge vermogensinvoer voor analoge circuits |
|
2 |
DM2 |
Downstream 2 poortgegevens - |
|
3 |
DP2 |
Stroomafwaarts 2 poortgegevens + |
|
4 |
RREF |
Verbind 680OHMS weerstand tussen RREF en AGND |
|
5 |
AVDD |
3.3V analoge vermogensinvoer voor analoge circuits |
|
6 |
X1 |
12MHz oscillator -ingang |
|
7 |
X2 |
12MHz oscillator -ingang |
|
8 |
DM3 |
Stroomafwaarts 3 poortgegevens - |
|
9 |
Dp3 |
Stroomafwaarts 3 poortgegevens + |
|
10 |
AVDD |
3.3V analoge vermogensinvoer voor analoge circuits |
|
11 |
DM4 |
Stroomafwaarts 4 poortgegevens - |
|
12 |
DP4 |
Stroomafwaarts 4 poortgegevens + |
|
13 |
Resetten |
Actieve lage externe reset |
|
14 |
Test/SCL |
Chip bevindt zich in de testmodus als ze hoog / i2c klok hebben getrokken
uitvoer |
|
15 |
GND |
Grond |
|
16 |
Dvdd |
3.3V digitale stroominvoer voor digitale circuits, logica
Niveau |
|
17 |
Zelf |
0: GL850G is bus aangedreven, 1: GL850G is zelfstoren |
|
18 |
Pegang |
Individuele / bende -modus Selecteer |
|
19 |
Ovcur2 |
Actief laag over stroomindicator |
|
20 |
PWren2 |
Actief Low Power Enable -uitvoer |
|
21 |
Ovcur1 |
Actief laag over stroomindicator |
|
22 |
PWREN1 |
Actief Low Power Enable -uitvoer |
|
23 |
V5 |
5V tot 3,3V -regelaarinvoer |
|
24 |
V33 |
3.3V -regelaaruitgang |
|
25 |
DM0 |
Upstream -poortgegevens - |
|
26 |
DP0 |
Upstream -poortgegevens + |
|
27 |
DM1 |
Stroomafwaarts 1 poortgegevens - |
|
28 |
DP1 |
Stroomafwaarts 1 poortgegevens + |
|
Functie |
Beschrijving |
|
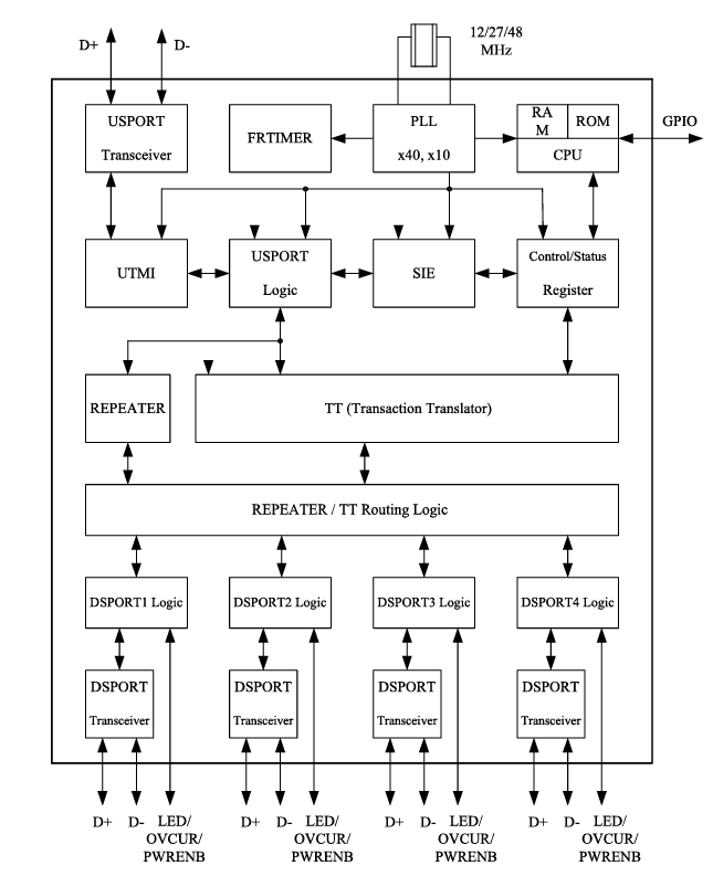
USB -specificatie |
Compliant bij USB -specificatie Revisie 2.0;achteruit
Compatibel met USB -specificatie 1.1. |
|
Stroomopwaartse poort |
Ondersteunt zowel hoge snelheid (HS) als volledige snelheid (FS)
verkeer. |
|
Stroomafwaartse poorten |
Ondersteunt HS-, FS- en low-speed (LS) verkeer. |
|
Pijpen |
1 bedieningspijp (eindpunt 0, 64-byte data payload);1
Interrupt pipe (eindpunt 1, 1-byte laadload). |
|
Microprocessor |
On-Chip 8-bit microprocessor met RISC-achtige architectuur
en USB-geoptimaliseerde instructieset. |
|
Prestatie |
6 MIPS @ 12 MHz. |
|
Geheugen |
64-byte RAM en 4K Mask ROM. |
|
Aangepaste PID/VID |
Ondersteund via externe EEPROM/SMBUS. |
|
Stroomafwaartse poortconfiguratie |
Ondersteund via externe EEPROM/SMBUS. |
|
Single Transaction Translator (STT) |
Deelt dezelfde TT -besturingslogica voor alle stroomafwaartse poort
Apparaten (kosteneffectieve oplossing). |
|
Zendafstand integratie |
Integreert USB 2.0 -transceiver. |
|
Output stuurprogramma's |
Verbeterd met de Slew-snelheidsregeling voor EMI-reductie. |
|
Energiebeheer |
Ingebouwde 5V tot 3.3V-regulator. |
|
Power-fail detectie |
Interne vermogensfaildetectie voor ESD-herstel. |
|
Pull-up/pull-down weerstanden |
Ingebouwde stroomopwaartse 1,5kΩ pull-up;stroomafwaarts 15kΩ
pull-down. |
|
PLL |
Ingebouwde PLL ondersteunt externe 12 MHz kristal/oscillator
klokinvoer. |
|
Serieweerstand |
Ingebed seriële weerstand voor USB -signalen. |
|
Ondersteuning met lage stroom |
Ondersteunt Selective Suspend, LPM L1 (via EEPROM). |
|
Smart Power -modus |
Ondersteunt individuele en bende -modi van energiebeheer
en overstroomdetectie. |
|
Busvermogen |
Voldoet aan de vereisten van de buskracht;Automatisch schakelen
tussen zelfaangedreven en bus-aangedreven modi. |
|
Stroomafwaartse poortconfiguratie flexibiliteit |
Geconfigureerd via SMBUS/EEPROM. |
|
Ondersteuning van samengestelde apparaten |
Configureerbaar door I/O -stappen, SMBU's of EEPROM. |
|
Beschikbare pakketten |
- 28-pins QFN (5x5 mm) |
|
- 28-pins SSOP (209 mil) |
|
|
- 24-pins QFN (4x4 mm). |
• GL852G
• Fe1.1s
• PL2586


Naast de kristal -oscillator- en USB -poorten, de GL850G USB -hubcontroller vereist een uitvoercondensator om een goede filtering en stabiliteit van de voeding te garanderen.Bovendien zijn pull-up weerstanden nuttig voor de configuratiepennen om de juiste spanningsniveaus te behouden en een betrouwbare werking mogelijk te maken.
De GL850G toont aanpassingsvermogen in een breed scala van elektronische apparaten, waaronder zelfstandige USB -hubs, computers, tablets, moederborden, dockingstations, gameconsoles en LCD -monitoren.De uitzonderlijke ondersteuning voor geavanceerde USB -functionaliteiten verrijkt uw ervaring in verschillende aspecten.
Het opnemen van de GL850G in USB -hubs biedt u uitgebreide connectiviteit, waardoor soepele gegevensoverdracht en stroomafgifte worden gewaarborgd en de wens voor verminderde kabelrommel en verbeterde werkruimte -efficiëntie.Het integreren van dergelijke technologie in dagelijkse omgevingen betekent een beweging naar meer ergonomische en gestroomlijnde instellingen.
Voor computers en tablets optimaliseert de GL850G-chip de gegevensoverdrachtssnelheden, het verbeteren van de prestaties van het apparaat in veeleisende toepassingen en data-zware taken.Een dergelijke integratie voedt het potentieel voor een betere multitasking en operationele effectiviteit.U kunt vaak ontdekken dat kleine verbeteringen in gegevensoverdracht hun ervaring en tevredenheid aanzienlijk kunnen beïnvloeden.
Wanneer toegepast op moederborden, neemt de GL850G-chipset communicatie tussen componenten af tussen de responsiviteit en efficiëntie van het systeem.Deze optimalisatie ondersteunt u bij het behouden van krachtige activiteiten, waardoor zowel persoonlijk gebruik als professionele omgevingen ten goede komen waar betrouwbare prestaties zeer worden gewaardeerd.
In dockingstations speelt de GL850G een actieve rol bij het uitbreiden van connectiviteit en het mogelijk maken van gelijktijdige perifere verbindingen.Deze innovatie behandelt de noodzaak van flexibele werkplekken door draagbare apparaten effectief te koppelen aan uitgebreide desktopconfiguraties.
Het gebruik van de chipset in gameconsoles zorgt voor vloeistofgegevensuitwisseling en perifere ondersteuning, waardoor uw betrokkenheid wordt verrijkt.Deze focus op prestaties komt overeen met de verwachtingen van de consument voor naadloze gamingavonturen, waar zelfs kleine verbeteringen een opmerkelijke impact kunnen hebben.
De integratie van de GL850G in LCD -monitoren vergemakkelijkt de efficiënte werking van USB -poorten, het bevorderen van schonere instellingen en het verwijderen van de noodzaak voor extra adapters.Deze vooruitgang komt overeen met een dieper bewustzijn van hoe visuele duidelijkheid en connectiviteit de productiviteit en tevredenheid verhogen.

Stuur een aanvraag, we zullen onmiddellijk reageren.
Op 2024/12/17
Op 2024/12/17
Op 8000/04/18 147757
Op 2000/04/18 111936
Op 1600/04/18 111349
Op 0400/04/18 83721
Op 1970/01/1 79508
Op 1970/01/1 66907
Op 1970/01/1 63043
Op 1970/01/1 63012
Op 1970/01/1 54081
Op 1970/01/1 52125