
De functie van elke omvormer in de 74LS04 is om de logische toestand van het ingangssignaal om te keren, waardoor het van hoog naar laag of laag naar hoog wordt verschoven.Deze bewerking speelt een dynamische rol in het ontwerp van het elektronisch circuit, en beïnvloedt zowel analoge als digitale toepassingen door veelzijdige signaalmanipulatie en efficiënte gegevensverwerking mogelijk te maken.
In elektronische systemen, meestal binnen digitale circuits, versterken 74LS04 omvormers logische bewerkingen.Deze omvormers worden gebruikt om niet -poorten te construeren, waardoor de implementatie van ingewikkelde logische functies wordt vergemakkelijkt.Bovendien kunnen ze worden geconfigureerd om geavanceerde logische poorten zoals NAND te vormen en noch, waardoor rekencapaciteiten worden uitgebreid.In analoge systemen draagt de 74LS04 aanzienlijk bij aan het signaleren van integriteit en ruisvorming.Door signalen om te keren, helpen deze componenten bij synchronisatie en pacing in communicatiecircuits.Deze interactie vermindert de timingverschillen en verbetert de duidelijkheid van het signaal, waardoor de algehele prestaties worden verhoogd.




|
Functie |
Specificatie |
|
Spanningsbereik |
+4.75V tot +5.25V |
|
Maximaal meegeleverde spanning |
+7V |
|
Maximale uitgangsstroom per poort |
8 ma |
|
TTL -uitgangen |
Loodvrij |
|
Maximale stijgtijd |
15ns |
|
Maximale valtijd |
15ns |
|
Bedrijfstemperatuurbereik |
0 ° C tot 70 ° C |

|
Parameter |
SN54S04 |
SN74S04 |
Eenheid |
||||
|
Min nom |
Maximaal |
Min nom |
Maximaal |
||||
|
VCC -voedingsspanning |
4.5 |
5 |
5.5 |
4.75 |
5 |
5.25 |
V |
|
VIH input op hoog niveau
spanning |
2 |
2 |
V |
||||
|
VIL Low-level input
spanning |
0,8 |
0,8 |
V |
||||
|
IOH hoog niveau
uitgangsstroom |
-1 |
-1 |
ma |
||||
|
IOL lage uitgang
huidig |
20 |
20 |
ma |
||||
|
TA operationeel
temperatuur |
-55 |
125 |
0 |
70 |
° C |
||
|
Onderdeelnummer |
Beschrijving |
Fabrikant |
|
GD54LS04LOGIC |
Inverter, LS Series, 6-Func, 1-input, TTL, PDIP14 |
Goldstar Electron Co Ltd |
|
SN74LS04NLOGIC |
Inverter, LS Series, 6-Func, 1-input, TTL, PDIP14, 646-06 |
Motorola halfgeleiderproducten |
|
SN74LS04N-00logic |
LS-serie, Hex 1-input Invert Gate, PDIP14, pakket-14 |
Rochester Electronics LLC |
|
SN74LS04JLOGIC |
Hex-omvormers 14-CDIP 0 tot 70 |
Texas instrumenten |
|
M38510/30003SCALOGIC |
Inverter, LS Series, 6-Func, 1-input, TTL, CDIP14,
Keramiek, DIP-14 |
Sigrenetiek |
|
74LS04ALOGIC |
IC LS-serie, Hex 1-input Invert Gate, PDIP14, Gate |
NXP -halfgeleiders |
|
GD74LS04Logic |
Omvormer, TTL, PDIP14 |
LG Semicon Co Ltd |
|
GD74LS04JLOGIC |
Inverter, LS Series, 6-Func, 1-input, TTL, CDIP14 |
Goldstar Electron Co Ltd |
|
HD74LS04PLOGIC |
Inverter, LS Series, 6-Func, 1-input, TTL, PDIP14, DP-14 |
Hitachi Ltd |
|
M38510/30003BCALOGIC |
Inverter, LS Series, 6-Func, 1-input, TTL, CDIP14,
Keramiek, DIP-14 |
Motorola halfgeleiderproducten |
Hier is de informatie gepresenteerd in een tabelformaat voor de Raytheon Semiconductor 74LS04N.
|
Type |
Parameter |
|
JESD-609 Code |
E0 |
|
Eindafwerking |
Tin/lead (sn/pb) |
|
Piekrefllowtemperatuur (° C) |
Niet gespecificeerd |
|
Time @ peak reflow -temperatuur (max) |
Niet gespecificeerd |
|
ROHS -status |
Niet-ROHS-conform |
De 74LS04, een hex -omvormer, vindt verschillende toepassingen in logische circuits door signaalinversie te bieden.Het wordt gebruikt om ingewikkelde logische functies te maken, waardoor de stroom van bewerkingen binnen digitale circuits wordt verbeterd.U kunt op deze component vertrouwen om signaalniveaus te beheren, waardoor nauwkeurige timing en sequencing worden gewaarborgd, die nuttig zijn in praktische toepassingen.
In serverontwerp wordt de 74LS04 gebruikt voor signaalconditionering en aanpassing, waardoor digitale signalen worden behandeld om soepele gegevensverwerking en verminderde latentie te garanderen.Deze component is waardevol voor stroombeheercircuits binnen servers, vooral in data-centra met veel verkeer waar betrouwbaarheid en efficiëntie prioriteit krijgen.
In digitale instrumenten is de 74LS04 waardevol voor stabiliserende signaalingangen en uitgangen, wat bijdraagt aan nauwkeurige en betrouwbare metingen.Het speelt een substantiële rol in apparaten die een hoge precisie vereisen, zoals oscilloscopen en multimeters, wat hun consistente prestaties in werkelijke situaties ondersteunt.
In netwerksystemen draagt de 74LS04 bij aan signaalverbetering en ruisreductie.Het is geïntegreerd in datatransmissieprotocollen om gegevensintegriteit en efficiëntie te handhaven, met name ten goede komen aan omgevingen waar het maximaliseren van de doorvoer en het minimaliseren van fouten van grote zorg zijn.

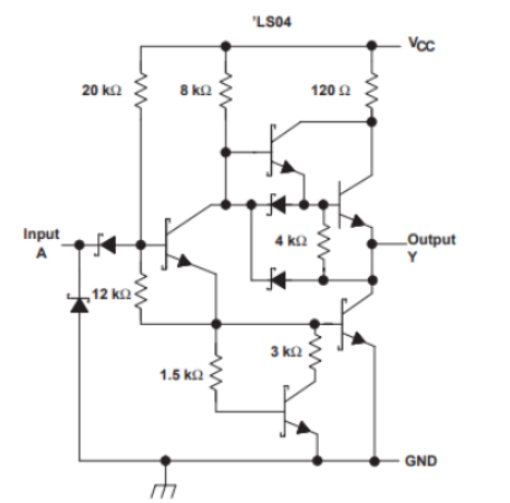
De 74LS04 bevat zes afzonderlijke poorten, die elk de logische omkeerfunctie uitvoeren.De uitgangssignalen zijn direct tegengesteld aan hun respectieve invoersignalen.De omvormer keert de fase van het ingangssignaal met 180 graden om.Dit circuit vindt de toepassing ervan in verschillende analoge systemen, waaronder audioversterkers en klokoscillatoren.Omvormers worden op grote schaal gebruikt in het ontwerp van het elektronisch circuit, waardoor de functionaliteit wordt gevormd met precisie en aanpassingsvermogen.
Stuur een aanvraag, we zullen onmiddellijk reageren.
Op 2024/10/24
Op 2024/10/24
Op 8000/04/18 147757
Op 2000/04/18 111936
Op 1600/04/18 111349
Op 0400/04/18 83721
Op 1970/01/1 79508
Op 1970/01/1 66907
Op 1970/01/1 63040
Op 1970/01/1 63012
Op 1970/01/1 54081
Op 1970/01/1 52125