




De ATMEGA16U2 is een 8-bits microcontroller die bekend staat om zijn lage stroomverbruik en aanpassingsvermogen als gevolg van de AVR verbeterde RISC-architectuur.Met dit ontwerp kunnen complexe instructies binnen een enkele klokcyclus worden verwerkt, waardoor indrukwekkende prestaties mogelijk zijn die ongeveer 1 MIP's per MHz kunnen bereiken.Deze balans tussen vermogensefficiëntie en verwerkingssnelheid vergemakkelijkt verschillende toepassingen, vooral wanneer het minimaliseren van energieverbruik een prioriteit is.
Door de architectuur verder te verkennen, kunt u de AVR-mogelijkheden voor de uitvoering van één cycle-instructies zeer efficiënte code schrijven.Dit is voordelig in contexten die een snelle besluitvorming vereisen, zoals ingebedde automobielsystemen of werkelijke controles.De eenvoud van de instructieset verhoogt niet alleen de prestaties, maar verlicht ook het programmeerproces.Bijgevolg kunt u vaak een beter beheersbare leercurve ervaren met de Atmega16u2, waardoor het tempo van innovatie en creatie wordt versneld.
Hier is de tabel met de technische specificaties, attributen en parameters voor microchip -technologie Atmega16u2-au.
|
Type |
Parameter |
|
Factory doorlooptijd |
10 weken |
|
Contact opnemen |
Tin |
|
Inzetten |
Oppervlaktemontage |
|
Montagetype |
Oppervlaktemontage |
|
Pakket / kast |
32-tqfp |
|
Aantal pinnen |
32 |
|
Aantal I/OS |
22 |
|
Waakhond timers |
Ja |
|
Bedrijfstemperatuur |
-40 ° C ~ 85 ° C (TA) |
|
Verpakking |
Dienblad |
|
Serie |
Avr® Atmega |
|
Gepubliceerd |
2007 |
|
JESD-609 Code |
E3 |
|
PBFree -code |
Ja |
|
Onderdeelstatus |
Actief |
|
Vochtgevoeligheidsniveau (MSL) |
3 (168 uur) |
|
Aantal beëindigingen |
32 |
|
Eindpositie |
Quad |
|
Eindvorm |
Meulvleugel |
|
Piekrefllowtemperatuur (° C) |
260 |
|
Voedingsspanning |
5V |
|
Eindpunt |
0,8 mm |
|
Frequentie |
16MHz |
|
Time @ peak reflow temp (s) |
40 |
|
Basisonderdeelnummer |
ATMEGA16U2 |
|
Kwalificatiestatus |
Niet gekwalificeerd |
|
Interface |
SPI, Serial, UART, USART, USB |
|
Geheugengrootte |
16KB |
|
Oscillatortype |
Intern |
|
RAM -maat |
512 x 8 |
|
Spanning - Supply (VCC/VDD) |
2.7V ~ 5.5V |
|
UPS/UCS/perifeer ICS -type |
Microcontroller, RISC |
|
Kernprocessor |
AVR |
|
Randapparatuur |
Brown-Out Detect/Reset, Por, PWM, WDT |
|
Programma -geheugentype |
FLASH |
|
Kerngrootte |
8-bit |
|
Programma -geheugengrootte |
16KB (8k x 16) |
|
Connectiviteit |
SPI, UART/USART, USB |
|
Bit -maat |
8 |
|
Heeft ADC |
Nee |
|
DMA -kanalen |
Nee |
|
Gegevensbusbreedte |
8B |
|
DAC -kanalen |
Nee |
|
Aantal timers/tellers |
2 |
|
EEPROM -maat |
512 x 8 |
|
Aantal PWM -kanalen |
5 |
|
Aantal SPI -kanalen |
1 |
|
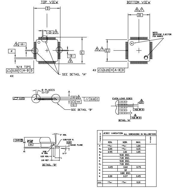
Hoogte |
1,05 mm |
|
Lengte |
7 mm |
|
Breedte |
7 mm |
|
Bereik SVHC |
Geen SVHC |
|
ROHS -status |
ROHS3 -compatibel |
|
Leid gratis |
Leid gratis |
|
Onderdeelnummer |
Atmega16u2-au |
AT90USB162-16AUR |
Atmega8u2-au |
ATMEGA8U2-AUR |
|
Fabrikant |
Microchip -technologie |
Microchip -technologie |
Microchip -technologie |
Microchip -technologie |
|
Pakket / kast |
32-tqfp |
32-tqfp |
32-tqfp |
32-tqfp |
|
Aantal pinnen |
32 |
32 |
32 |
32 |
|
Gegevensbusbreedte |
8 B |
8 B |
8 B |
8 B |
|
Aantal I/O |
22 |
22 |
22 |
22 |
|
Interface |
SPI, Serial, UART, USART, USB |
SPI, UART, USART, USB |
EBI/EMI, SPI, UART, USART, USB |
EBI/EMI, SPI, UART, USART, USB |
|
Geheugengrootte |
16 kb |
8 kb |
16 kb |
8 kb |
|
Voedingsspanning |
5 V |
5 V |
4.5 V |
- |
|
Randapparatuur |
Brown-out detecteren/reset, power-on reset, programmeerbare I/O |
Brown-out detecteren/reset, power-on reset, programmeerbare I/O |
Brown-out detecteren/reset, power-on reset, programmeerbare I/O |
Brown-out detecteren/reset, power-on reset, programmeerbare I/O |
|
Functie
Categorie |
Details |
|
Kern
|
High Performance, Low Power AVR® 8-bit microcontroller |
|
Architectuur |
Geavanceerde RISC -architectuur |
|
- 125 Krachtige instructies - de meeste enkele klokcyclus
Uitvoering |
|
|
- 32 x 8 werkregisters voor algemene doeleinden |
|
|
- Volledig statische werking |
|
|
- tot 16 MIPS -doorvoer bij 16 MHz |
|
|
Geheugen |
-8k/16k/32k bytes van zelf-programmeerbare flits in het systeem |
|
- 512/512/1024 EEPROM |
|
|
- 512/512/1024 Interne SRAM |
|
|
- Schrijf/wissen cycli: 10.000 flash/100.000 eeprom |
|
|
- Gegevensbehoud: 20 jaar bij 85 ° C / 100 jaar bij 25 ° C |
|
|
- Optioneel opstartcode -gedeelte met onafhankelijke slotbits |
|
|
-In-system programmering door on-chip opstartprogramma |
|
|
-echte lees-while-schrijfbewerking |
|
|
- Programmeervergrendeling voor softwarebeveiliging |
|
|
USB -module |
- USB 2.0 Module met volledige snelheid |
|
- voldoet volledig aan de universele seriële busspecificatie
Rev 2.0 |
|
|
- 48 MHz PLL voor busbediening met volledige snelheid (12 mbit/s) |
|
|
- 176 bytes USB -dpram voor eindpuntgeheugentoewijzing |
|
|
- Eindpunt 0 voor controlestransfers (8 tot 64 bytes) |
|
|
- 4 programmeerbare eindpunten |
|
|
- in of uit de richtingen |
|
|
- Bulk-, interrupt- en isochrone transfers |
|
|
- Programmeerbare maximale pakketgrootte (8 tot 64 bytes) |
|
|
- Programmeerbare enkele of dubbele buffer |
|
|
- Suspend/hervatten onderbrekingen |
|
|
- Microcontroller reset op USB -busreset |
|
|
- USB -bus ontkoppeling op het verzoek van de microcontroller |
|
|
Perifere kenmerken |
- Eén 8-bit timer/teller met afzonderlijke prescaler en
Vergelijk modus (twee 8-bit PWM-kanalen) |
|
- Een 16-bit timer/teller met prescaler, vergelijk en
Capture-modus (drie 8-bit PWM-kanalen) |
|
|
- USART met SPI-master-alleen-modus en hardwarestroom
Controle (RTS/CTS) |
|
|
- Master/Slave SPI seriële interface |
|
|
- Programmeerbare waakhondtimer met afzonderlijke on-chip
Oscillator |
|
|
- Analoge comparator op de chip |
|
|
- Onderbreken en wakker worden op pin-verandering |
|
|
Debuggen |
On-chip debug-interface (debugwire) |
|
Speciale functies |
-Power-on reset en programmeerbare bruine-outdetectie |
|
- Intern gekalibreerde oscillator |
|
|
- Externe en interne interruptbronnen |
|
|
-Vijf slaapmodi: inactief, power-save, power-down,
Stand -by en uitgebreide stand -by |
|
|
I/O en pakketten |
- 22 programmeerbare I/O -lijnen |
|
- QFN32 (5x5mm) / TQFP32 -pakketten |
|
|
Werkspanning |
2.7 - 5.5V |
|
Bedrijfstemperatuur |
Industrieel (-40 ° C tot +85 ° C) |
|
Maximale frequentie |
- 8 MHz bij 2,7 V (industrieel bereik) |
|
- 16 MHz bij 4,5 V (industrieel bereik) |

De ATMEGA16U2 -microcontroller onderscheidt zich voor zijn opmerkelijke vermogensefficiëntie, waardoor hoge functionaliteit wordt geleverd en minimale energie wordt verbruikt.Deze kwaliteit maakt het uitzonderlijk geschikt voor draagbare en op batterijen bediende apparaten, die zich richten op degenen die een lange levensduur en gemak waarderen.Gebouwd op geavanceerde geheugentechnologie, streeft de microcontroller naar optimale prestaties met de nadruk op het verminderen van onnodig vermogensverlies.Een dergelijke functie is vooral aantrekkelijk voor toepassingen die duurzame werking vereisen, waardoor apparaten gedurende lange periodes kunnen functioneren zonder het gedoe van frequente opladen of veranderende stroombronnen.
Ondersteuning voor gemeenschapsgestuurde ontwikkeling voegt een andere boeiende laag toe aan de voordelen van de Atmega16U2.Uitgerust met een robuuste bootloader, maakt het systeem naadloze updates voor applicaties mogelijk, waardoor lopende bewerkingen niet worden verstoord.Een levendige wereldwijde gemeenschap voedt een uitgebreid ecosysteem van softwarebibliotheken en ontwikkelingstools, waardoor het prototypingproces en de uitrol van innovatieve oplossingen worden versneld.Deze samenwerkingsomgeving voedt de uitwisseling van kennis en middelen en biedt dagelijkse percepties die de ontwikkeling van applicaties verrijkt en verhogen.
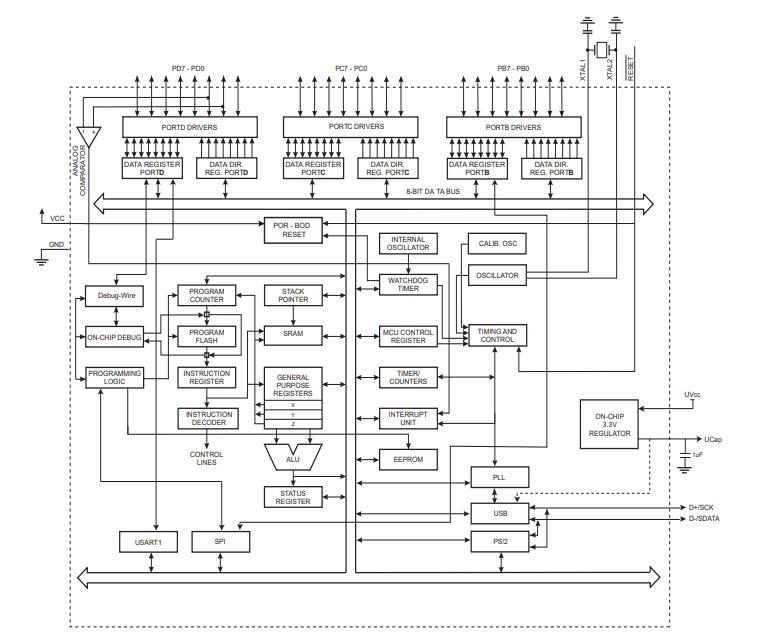
In de kern van de Atmega16u2 ligt een geïntegreerde RISC CPU naast ISP Flash -geheugen, waardoor het een ongeëvenaarde veelzijdigheid wordt gegeven die geschikt is voor een breed scala aan ingebedde systemen.Deze integratie stelt de microcontroller in staat om complexe computertaken uit te voeren en tegelijkertijd een eenvoudige programmering en uitvoering te waarborgen.De architectuur is specifiek ontworpen om computationeel veeleisende activiteiten en multitasking te beheren, die een dynamische rol spelen in verschillende toepassingen - die ontstanden van consumentenelektronica die de dagelijkse ervaringen tot industriële automatisering verbeteren die efficiëntie en productiviteit in het personeel stimuleren.

Microchip Technology Inc. komt naar voren als een prominente kracht in ingebedde besturingsoplossingen, die een toewijding aan innovatie weerspiegelen die verder gaat dan de enorme selectie van ontwikkelingstools en aanbiedingen.De organisatie beschikt over een stevige infrastructuur die is ontworpen voor gestroomlijnde ontwerpprocessen, waardoor de implementatie van producten in verschillende sectoren effectief wordt vergemakkelijkt.Opererend vanuit het hoofdkantoor in Chandler, Arizona, bedient Microchip met trots meer dan 120.000 klanten wereldwijd en benadrukt de substantiële invloed en reputatie in verschillende industrieën.
Het landschap van ingebedde controle is intens getransformeerd, met innovatieve ondernemingen zoals microchip die de lading in deze technologische stappen leidt.Hun diverse portfolio omvat microcontrollers en een uitgebreide selectie van randapparatuur, allemaal gericht op het vergroten van de algemene systeemmogelijkheden.Deze rijke collectie stelt u in staat om oplossingen aan te passen die zijn afgestemd op hun specifieke behoeften, waarbij u de weg vrijmaakt voor de ontwikkeling van toepassingen die een breed spectrum omvatten - van consumentenelektronica tot industriële automatisering.
Atmega8/16/32u2 Samenvatting.pdf
AT90USB82,162 Samenvatting.pdf
Atmega8/16/32u2 Samenvatting.pdf
Stuur een aanvraag, we zullen onmiddellijk reageren.
De ATMEGA16U2 is een low-power, 8-bit CMOS-microcontroller gebouwd op AVR-verbeterde RISC-architectuur.Dit ontwerp is precies vervaardigd om de vermogensefficiëntie en de verwerkingssnelheid te maximaliseren en bijna 1 MIP's per MHz te bereiken.De architectuur leent zich voor veelzijdige toepassingen op verschillende gebieden, van ingebedde systemen tot IoT -apparaten.Met name speelt het efficiënte stroomverbruik van de Atmega16u2 een substantiële rol bij het verlengen van de levensduur van apparaten op batterijen.Het samenspel tussen prestaties en vermogensefficiëntie weerspiegelt bredere trends in microcontroller -technologie, waarbij het doel is om het energieverbruik te verminderen zonder in gevaar te brengen op snelheid.Deze balans kan moderne ontwerppraktijken beïnvloeden, vooral in termen van duurzaamheid.
Het apparaat heeft 32 pinnen gewijd aan een breed scala aan invoer/uitvoerfuncties.Deze pennen zijn actieve interfaces voor het koppelen van de microcontroller met andere componenten, waaronder sensoren en actuatoren.Het hebben van een goed doordachte pin-configuratie kan het ontwerp van complexe systemen aanzienlijk verbeteren, wat leidt tot een betere operationele efficiëntie.Strategische PIN -toewijzing zorgt bijvoorbeeld voor naadloze multitasking en stimuleert de algemene systeemresponsiviteit.Ervaring toont aan dat focus op pin -opdrachten vroeg in het ontwikkelingsproces potentiële ontwerpbeperkingen kan voorkomen, waarbij doordachte planning tijdens de uitvoering van het project wordt benadrukt.
De ATMEGA16U2 wordt ondersteund door een gevarieerde verzameling ontwikkelingstools, waaronder C-compilers, debuggers, in-circuit-emulators en evaluatiekits die helpen bij programma- en systeemontwikkeling.Het gebruik van deze bronnen kan de ontwikkelingstijdlijn aanzienlijk versnellen en de productiviteit verhogen, waardoor een iteratieve ontwerpbenadering wordt bevorderd.Opmerkelijk is het praktische gebruik van deze tools in foutopsporing en code -optimalisatie, een strategie die is gebruikt voor het beheer van de ingewikkeldheden van ingebedde programmering.De synergie van software- en hardwarebronnen benadrukt een uitgebreide ontwikkelingsbenadering, waarbij het gebruik van uitgebreide toolsets leidt tot innovatieve en effectieve oplossingen.Het omarmen van dergelijke praktijken kan het begrip van systeemprestaties verdiepen en de weg vrijmaken voor toekomstige vooruitgang in technologieontwerp.
Op 2024/11/15
Op 2024/11/15
Op 8000/04/18 147757
Op 2000/04/18 111936
Op 1600/04/18 111349
Op 0400/04/18 83721
Op 1970/01/1 79508
Op 1970/01/1 66907
Op 1970/01/1 63043
Op 1970/01/1 63012
Op 1970/01/1 54081
Op 1970/01/1 52125