

|
Pin -nummer |
Speldnaam |
Beschrijving |
|
1 |
Winst (-rg) |
Invering gain -terminal verbonden met weerstand om winst in te stellen
waarde |
|
2 |
Invoer input (in-) |
De inverterende invoerpen van de op-amp |
|
3 |
Niet-inverterende invoer (in+) |
De niet-inverterende invoerpen van versterker |
|
4 |
Power (-vs) |
Negatieve leveringsterminal |
|
5 |
Referentie |
Uitvoerreferentie -invoer.Normaal gesproken verbonden met Common |
|
6 |
Uitvoer |
Versterkeruitgangspen |
|
7 |
Power (+vs) |
Positieve leveringsterminal |
|
8 |
Winst (+rg) |
Niet-inverterende versterkingsterminal verbonden met weerstand om in te stellen
winstwaarde |
|
Functie/specificatie |
Details |
|
Type |
Rail-to-rail instrumentatieversterker |
|
Voedingsspanning |
Werkt met enkele en dubbele voedingsspanning |
|
Bedrijfsstroom (Max) |
550 µA |
|
Bereik |
1 tot 1000 |
|
Bandbreedte |
800 kHz |
|
Instelling |
Stel winst in met slechts één weerstand |
|
Pakketopties |
8-pins PDIP, SOIC en VSSOP |
• Ina333
• LM4871
• AD620
• IC6283
• JRC4558
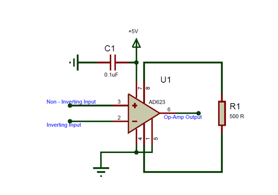
Het instellen van de AD623 is een relatief eenvoudig proces, voornamelijk met de selectie van een weerstand om de winst te definiëren.Deze eenvoud is een van de aantrekkelijke aspecten van de AD623, waardoor deze voor u benaderbaar is.Een typische configuratie houdt in dat het IC wordt aangesloten op een enkele +5V -voeding tijdens de aardingspen 4. In scenario's die dubbele voedingsconfiguraties vereisen, moet pin 4 verbinding maken met een negatieve spanning, waardoor het bereik van signaalverwerkingstoepassingen wordt uitgebreid.

De ingangssignalen worden toegepast op de niet-inverterende (pin 2) en omkeren (pin 3) pinnen, terwijl de referentiepen (pin 5) vaak is geaard.Aarding van deze pin zorgt ervoor dat de uitgangsspanning correct aansluit wanneer er geen verschil is tussen de ingangssignalen, waardoor potentiële fouten in signaalinterpretatie worden geminimaliseerd.Deze praktijk belichaamt een ultiem principe in circuitontwerp: het handhaven van een stabiel referentiepunt is dynamisch voor nauwkeurige metingen en betrouwbare prestaties.
Het aanpassen van de versterking van de AD623 wordt bereikt door een weerstand te plaatsen tussen pin 8 (RG) en pin 1. Bijvoorbeeld, met behulp van een 500-ohmweerstand resulteert in een versterking van 100. Deze flexibiliteit in versterkingsaanpassing stelt u in staat om de prestaties van de IC aan te passenom aan specifieke applicatiebehoeften te voldoen.

Bovendien kunt u versterking berekenen met behulp van een verstrekte formule of referentiekaart, die verschillende weerstandswaarden biedt.Dergelijk aanpassingsvermogen is vooral voordelig in werkelijke scenario's waarbij signaalniveaus aanzienlijk kunnen fluctueren.
|
1% STD -tabelwaarde van RG (ω) |
Berekende winst |
0,1% STD -tabelwaarde van RG
(Ω) |
Berekende winst |
|
49.9k |
1.990 |
49.3K |
2.002 |
|
12.4k |
4.984 |
12.4k |
4.984 |
|
5.49k |
9.998 |
5.49k |
9.998 |
|
2.61k |
19.93 |
2.61k |
19.93 |
|
1,00k |
50.40 |
1.01k |
49.91 |
|
499 |
100 |
499 |
100.0 |
|
249 |
199.4 |
249 |
199.4 |
|
100 |
495 |
98.8 |
501.0 |
|
49.9 |
991 |
49.3 |
1.003 |
De AD623 is uitzonderlijk goed geschikt voor een divers scala aan vermogensgevoelige toepassingen.Het hulpprogramma omvat kalibratie- en testapparatuur, medische instrumentatie met laag vermogen, differentiële versterkers, data-acquisitiesystemen en controleprocessystemen.Het ontwerp van de AD623 benadrukt zowel efficiëntie als precisie, waardoor het een favoriete optie is in scenario's waarin deze kwaliteiten de prestaties aanzienlijk beïnvloeden.
Binnen kalibratie- en testomgevingen vallen de lage ruiskenmerken van de AD623 en de hoge nauwkeurigheid op als ernstige voordelen.Deze functies maken precieze metingen mogelijk die een dynamische rol spelen bij het bevestigen van de betrouwbaarheid van verschillende instrumenten.Tijdens de sensorkalibratie bevordert het handhaven van de signaalintegriteit, terwijl de stroomverbruik effectievere en duurzame testpraktijken worden geminimaliseerd.Dit aspect heeft een bijzondere betekenis in laboratoria, waarbij apparatuur continu wordt gebruikt en energie -efficiëntie kan leiden tot aanzienlijke verlagingen van de operationele kosten.
De medische sector zoekt steeds vaker apparaten die nauwkeurige metingen leveren terwijl ze minimale stroom consumeren.De AD623 richt zich effectief aan deze vraag door een laag vermogen te bieden zonder prestaties op te offeren.In toepassingen zoals draagbare diagnostische apparatuur en draagbare gezondheidsmonitors, verbetert de capaciteit om efficiënt te werken op beperkte stroombronnen de mobiliteit en het comfort van de patiënt.Bovendien kan de integratie van dergelijke technologie in routinematige gezondheidsmonitoring de patiëntuitkomsten aanzienlijk verbeteren, omdat consistente monitoring haalbaarder en toegankelijker wordt.
In scenario's die de meting van kleine signalen vereisen te midden van ruis, spelen differentiële versterkers een belangrijke rol.De AD623 blinkt uit in dit domein en biedt uitzonderlijke afwijzing van gemeenschappelijke modus en hoge ingangsimpedantie.Deze kenmerken zorgen ervoor dat de versterker signalen van verschillende bronnen nauwkeurig kan verwerken, waaronder spanningsmeters en temperatuursensoren, die gewoonlijk wordt gebruikt in industriële en onderzoekscontexten.Door de AD623 op te nemen, kunt u systemen bedenken die niet alleen de betrouwbaarheid verbeteren, maar ook precieze gegevens leveren in uitdagende omgevingen.
De AD623 is fundamenteel voor data -acquisitiesystemen, waardoor de nauwkeurige verzameling en verwerking van analoge signalen wordt vergemakkelijkt.De efficiënte werking bij laag vermogen maakt het meestal geschikt voor op batterijen bediende apparaten, die in toenemende mate voorkomen in externe monitoringtoepassingen.De fusie van dergelijke systemen met geavanceerde data-analyse kan meer geïnformeerde besluitvorming opleveren, vooral op gebieden zoals milieumonitoring en slimme landbouw.De inzichten die van deze systemen zijn afgeleid, kunnen innovaties en verbeteringen in verschillende sectoren opwekken.
In Control Process Systems maken de kenmerken van de AD623 responsief en nauwkeurig procesbeheer mogelijk.Deze mogelijkheid wordt vooral gebruikt in automatisering en industriële toepassingen waar de huidige gegevensverwerking dominant is.Het lage stroomverbruik van de versterker draagt bij aan de algehele efficiëntie van controlesystemen, waardoor duurzame activiteiten mogelijk zijn.Naarmate de industrie automatisering blijft aannemen, zal het belang van efficiënte en precieze componenten zoals de AD623 de sleutel zijn in het rijgedrag en het verbeteren van operationele mogelijkheden.

Stuur een aanvraag, we zullen onmiddellijk reageren.
Op 2024/12/26
Op 2024/12/26
Op 8000/04/18 147757
Op 2000/04/18 111936
Op 1600/04/18 111349
Op 0400/04/18 83721
Op 1970/01/1 79508
Op 1970/01/1 66907
Op 1970/01/1 63040
Op 1970/01/1 63012
Op 1970/01/1 54081
Op 1970/01/1 52125