
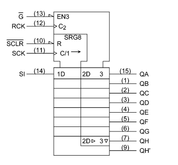
De 74HC595D is een 8-bits shift-register/vergrendeling die zorgvuldig is gepland met behulp van geavanceerde siliciumpoort C2MOS-technologie.Dit geavanceerde ontwerp zorgt ervoor dat het werkt met snelheden die verwant zijn aan LSTL -circuits, waardoor de krachtefficiëntie typisch is voor CMOS -technologie.De kerncomponenten omvatten een 8-bits statisch shift-register en een 8-bits opslagregister.Wanneer de SCK -invoer een positieve overgang ondergaat, verschuiven gegevens soepel door het register.Bovendien worden deze gegevens na een positieve overgang bij de RCK -ingang naadloos overgebracht naar het opslagregister.
Een opmerkelijk kenmerk van de 74HC595D is de divisie van de RCK- en SCK -signalen, die parallelle uitgangen tijdens het verschuivende proces aanzienlijk stabiliseert en onderhoudt.Dit is vooral gunstig in contexten die minimale gegevenscorruptie en hoge uitvoerintegriteit nodig hebben.Het apparaat beschikt over 3-staten parallelle uitgangen die eenvoudige verbindingen met een 8-bits bus mogelijk maken, waardoor het nut ervan wordt verbeterd in verschillende serie-naar-parallelle conversietaken.
U kunt zich vaak wenden tot de 74HC595D voor een groot aantal praktische toepassingen, meestal in serie-naar-parallelle conversie en gegevensontvangst.Het ontwerp bevat beschermende mechanismen tegen statische ontlading en tijdelijke spanningspieken.Dit zorgt voor betrouwbare prestaties in verschillende omgevingen.In circuitontwerp en -implementatie wordt de 74HC595D geprezen om zijn efficiëntie en robuustheid, kwaliteiten die worden gezocht om het stroomverbruik te verminderen met behoud van high-speed gegevensverwerkingsmogelijkheden.Dit aspect wordt steeds relevanter in moderne elektronica waar zowel energiebesparing als prestaties zeer worden gewaardeerd.




|
Functie |
Beschrijving |
|
Hoge snelheid |
fmax = 55 mHz (typ.) op vcc = 5 v |
|
Lage vermogensdissipatie |
ICC = 4,0 µA (max) bij Ta = 25 ° C |
|
Evenwichtige propagatie vertragingen |
TPLH ≈ TPHL |
|
Breed werkspanningsbereik |
VCC (OPR) = 2,0 V tot 6.0 V |
|
Type |
Parameter |
|
Factory doorlooptijd |
12 weken |
|
Montagetype |
Oppervlaktemontage |
|
Pakket / kast |
16-Soic (0,154, 3,90 mm breed) |
|
Aantal elementen |
1 |
|
Bedrijfstemperatuur |
-40 ° C ~ 125 ° C |
|
Verpakking |
Cut -tape (CT) |
|
Serie |
74HC |
|
Onderdeelstatus |
Actief |
|
Vochtgevoeligheidsniveau (MSL) |
1 (onbeperkt) |
|
Spanning - levering |
2V ~ 6V |
|
Functie |
Serie parallel |
|
Uitgangstype |
Driekleurige staten |
|
Logica type |
Schakelregister |
|
Aantal bits per element |
8 |
|
ROHS -status |
Rohs compliant |


|
Deel |
Vergelijken |
Fabrikanten |
Categorie |
Beschrijving |
|
74HC595D |
Huidige deel |
NXP |
Shift -registers |
NXP 74HC595D Shift Register, HC Family, 74HC595, serie
parallel, serieel tot serieel, 1Element, 8bit, soic |
|
74HC595D, 118 |
74HC595D vs 74HC595D, 118 |
NXP |
Shift -registers |
NXP 74HC595D, 118 Shift Register, HC Family, 74HC595,
Serie tot parallel, serieel tot serieel, 8element, 8bit, soic |
|
74HC595D-Q100,118
|
74HC595D vs 74HC595D-Q100,118 |
NXP |
Shift -registers |
IC Shift Register 8bit 16soic |
|
SN74HC595N |
74HC595D vs SN74HC595N |
Ti |
Shift -registers |
Shift Register, HC Family, 74HC595, serie aan parallel,
1Element, 8bit, dip, 16pins |
De 74HC595D is bij uitstek geschikt voor het besturen van LED -boards, vooral wanneer ze een groot aantal LED's beheren met behulp van een microcontroller.Dit schuifregister stroomlijnt het multiplexingsproces, waardoor het aantal I/O -pincode op de microcontroller aanzienlijk wordt verminderd.In complexe display -systemen zoals scoreborden of dynamische informatieve boards kan het integreren van de 74HC595D bijvoorbeeld het algemene circuitontwerp vereenvoudigen, waardoor het efficiënter en beheersbaar is.
De 74HC595D interfaces efficiënt met LCD -schermen door de basisgegevensbits te leveren, waardoor een naadloos communicatiekanaal tussen de microcontroller en het display wordt opgezet.Met deze functie kunnen soepelere updates van de weergave -inhoud.Het is meestal voordelig in controlepanelen van industriële machines en consumentenelektronica, waar een heldere en tijdige informatiedisplay actief is.Deze integratie moedigt meer compacte en kosteneffectieve ontwerpen aan.
De 74HC595D is in staat om 5V-belastingen, zoals relais, te regelen via een 3,3V microcontroller, vanwege de 3,15V spanningscapaciteit op hoog niveau.Dit kenmerk is voornamelijk nuttig in omgevingen die betrouwbare schakelmechanismen vereisen in beperkte stroomsystemen.Praktische toepassingen omvatten thuisautomatiseringssystemen en robotica, waarbij het beheren van hogere spanningscomponenten vanuit een logisch lagere spanningscircuit nuttig is voor soepele en efficiënte bewerkingen.Het opnemen van de 74HC595D zorgt voor soepelere overgangen tussen verschillende spanningsdomeinen, waardoor de integriteit van het hele systeem wordt gehandhaafd.
Een opmerkelijke sterkte van de 74HC595D is zijn rol bij het stimuleren van de betrouwbaarheid en schaalbaarheid van elektronische circuits.Ervaring toont aan dat shift-registers zoals de 74HC595D helpen bij het handhaven van de signaalintegriteit over langere afstanden, een veel voorkomende vereiste in grootschalige LED-installaties zoals architecturale verlichtingssystemen of uitgebreide openbare informatiedisplays.Ze vereenvoudigen ook de ontwerparchitectuur, waardoor het gemakkelijker is om het aantal controleerbare uitgangen met minimale hardwareveranderingen uit te breiden, waardoor het systeem wordt aangepast aan toekomstige behoeften.
Het integreren van de 74HC595D in circuitontwerpen verbetert de algehele ontwerpefficiëntie en energiebeheer.Het vermogen om de controle te centraliseren vergemakkelijkt de georganiseerde stroomverdeling, wat cruciaal is in apparaten op batterijen waar energiebesparing een prioriteit is.Dit voordeel sluit aan bij hedendaagse ontwerpfilosofieën die de nadruk leggen op minimale stroomverbruik en tegelijkertijd de prestaties maximaliseren, zoals te zien in draagbare technologie en draagbare medische hulpmiddelen.
De 74HC595D wordt vaak gebruikt in scenario's waarbij gegevens moeten overstappen van een serieel formaat naar een parallel formaat.Deze mogelijkheid is ernstig in verschillende digitale toepassingen die efficiënt gegevensbeheer en -verwerking vereisen.Op microcontroller gebaseerde systemen staan vaak voor de uitdaging van beperkte GPIO-pinnen.Door gebruik te maken van de 74HC595D, kunnen deze systemen effectief een groter aantal uitgangen met minder invoerpennen regelen, waardoor de beschikbare bronnen worden geoptimaliseerd.
In praktische toepassingen kunt u deze IC vaak gebruiken om LED -matrices aan te sturen of meerdere apparaten te beheren, zoals relais of weergavesegmenten.Het verzenden van gegevens serieel en het vervolgens uitbreiden naar parallelle uitgangen vereenvoudigt de bedrading en vermindert het aantal pincodes dat nodig is voor complexe bewerkingen.Het gebruik van de 74HC595D is getoond door ervaring om het ontwerp van het hardware te stroomlijnen, wat resulteert in compactere en efficiënte printplaten.
Een andere uitstekende toepassing van de 74HC595D is de rol in het vasthouden van afstandsbediening, die meestal gunstig is in programmeerbare logische controllers (PLC's) en andere industriële automatiseringssystemen.Dit apparaat kan bedieningssignalen opslaan, zelfs wanneer ze niet actief worden verzonden.U kunt vaak ontdekken dat het gebruik van de 74HC595D met externe besturingssystemen de betrouwbaarheid verbetert en de frequentie van handmatige interventies vermindert.Bovendien functioneren de houdingsregisters als tussenliggende buffers, waardoor gegevensintegriteit worden verbeterd ten opzichte van langeafstandscommunicatie.Het verminderen van de noodzaak van continue gegevensoverdracht leidt indirect tot een lager stroomverbruik en verhoogt de algehele systeemefficiëntie.

Toshiba Semiconductor & Storage presenteert een divers scala aan technologische oplossingen die de fabrikanten van originele apparatuur (OEM's), originele ontwerpfabrikanten (ODMS), contractfabrikanten (CMS) en fabless chipbedrijven bekrachtigen.Deze oplossingen bevorderen de ontwikkeling van geavanceerde geïntegreerde producten op meerdere markten, waaronder computing, netwerken, communicatie, digitale consumentenelektronica en autotoepassingen.
Toshiba's beheersing van halfgeleider- en opslagtechnologie is duidelijk in zijn verschillende bijdragen.Tijdens computergebruik voldoen hun microprocessors en geheugenoplossingen aan de snelgroeiende behoefte aan krachtiger en efficiëntere computermogelijkheden.In netwerken en communicatie zorgen voor de componenten van Toshiba voor betrouwbare en snelle gegevensoverdracht, gebruikt voor de gevaarlijke toepassingen van de moderne infrastructuur.De digitale consumentenmarkt floreert met de innovaties van Toshiba, waardoor uw ervaringen worden verbeterd door middel van superieure apparatenprestaties en energie -efficiëntie.Binnen de auto-industrie stimuleren de halfgeleiders van Toshiba de overgang naar intelligender en energiezuinige voertuigen.Hun technologieën effenen de weg voor vooruitgang in elektrische voertuigen (EV's), autonome rijsystemen en entertainment in de auto.Praktische ervaringen tonen aan dat het gebruik van Toshiba's geoptimaliseerde Power Management ICS en sensoren EV -bereik en betrouwbaarheid aanzienlijk uitbreidt, waardoor ze aantrekkelijker worden voor consumenten en fabrikanten.
De impact van Toshiba is vooral diepgaand in netwerken en communicatie.Hun high-speed en lage latentiecomponenten zijn nuttig voor het maken van volgende gennetwerken, meestal in de drive naar 5G-technologie.Ze leveren ook gebruikte componenten die zorgen voor naadloze connectiviteit en hoge gegevensdoorvoer.Feedback van de industrie benadrukt dat de integratie van de oplossingen van Toshiba de netwerkefficiëntie en betrouwbaarheid aanzienlijk verbetert, waardoor verschillende applicaties worden ondersteund van verbeterde mobiele breedband tot Internet of Things (IoT) -apparaten.
Cilindrische batterijhouders.pdf
De 74HC595D is een geïntegreerd circuit dat een 8-fasen seriële shift-register combineert met een opslagregister en tri-state uitgangen.Het maakt gebruik van afzonderlijke klokken voor de schuif- en opslagregisters, waarbij gegevensovergang worden overgedragen aan de positieve rand van de ploegregisterklokinvoer (SHCP).De weergave van de gegevens uit het opslagregister treedt op wanneer de uitvoerinvoer (OE) laag is.
De 74HC595D werkt met behulp van een Serial-In Parallel-Out (SIPO) -protocol.De microcontroller verzendt gegevens serieel naar het schuifregister, vervolgens uitgevoerd via parallelle pinnen.Elke chip biedt acht extra uitvoerpennen, waardoor uitgebreide I/O -mogelijkheden mogelijk zijn wanneer ze samen worden gebruikt.Meerdere 74HC595D-chips kunnen verbinding maken in een Daisy-Chain-configuratie, waardoor potentiële uitgangspinnen aanzienlijk worden vergroot.Dit aanpassingsvermogen is voornamelijk voordelig in projecten die talloze uitvoersignalen vereisen, zoals het besturen van meerdere LED's of het beheren van complexe digitale displays.Inzicht in de synchronisatie tussen seriële gegevensinvoer en kloksignalen is geschikt voor betrouwbare prestaties.In veel ingebedde systemen zorgt precieze timing voor data -integriteit tijdens diensten.
Het primaire onderscheid ligt in merk- en verpakkingsspecificaties.Het 'D' achtervoegsel van 74HC595D duidt op een specifieke verpakking (klein overzicht geïntegreerd circuit - soic) of bedrijfstemperatuurbereik, geschikt voor bepaalde productie- of omgevingscondities.Terwijl 74HC595 de generieke naam dient, geven fabrikanten zoals Texas Instruments hun versie aan met het 'SN' -voorvoegsel.Het selecteren van de juiste verpakking, zoals de 74HC595D, kan de systeemprestaties en een lange levensduur verbeteren, met name rekening houdend met ontwerpbeperkingen zoals ruimte of operationele omgeving.Deze beslissing maakt gebruik van uw ervaring vaak en brengt technische specificaties in evenwicht met praktische bouwscenario's voor de meest effectieve resultaten.
Stuur een aanvraag, we zullen onmiddellijk reageren.
Op 2024/10/17
Op 2024/10/17
Op 8000/04/18 147757
Op 2000/04/18 111936
Op 1600/04/18 111349
Op 0400/04/18 83721
Op 1970/01/1 79508
Op 1970/01/1 66907
Op 1970/01/1 63039
Op 1970/01/1 63012
Op 1970/01/1 54081
Op 1970/01/1 52125