
Een vergrendeling is een type circuit in digitale systemen die een beetje informatie opslaat zonder een kloksignaal nodig te hebben, in tegenstelling tot andere circuits.Het houdt een gegevensbit stabiel op basis van invoersignalen, waardoor het een hoofddeel van het digitale geheugen is.Wanneer verschillende vergrendelingen samenwerken, kunnen ze meer bits bevatten, zoals in een "4-bit vergrendeling" of "8-bit latch", die respectievelijk vier en acht bits opslaan.Vergrenkingen zijn nuttig in toepassingen zoals het voorkomen van fouten veroorzaakt door het stuiteren van mechanische schakelaars en bouwstenen voor complexere geheugensystemen.Er zijn verschillende soorten vergrendelingen, zoals SR -vergrendelingen die uitgangen instellen en opnieuw instellen met twee ingangen, en D -vergrendelingen die gegevens bevatten met behulp van een besturingssignaal.Het kiezen van de juiste vergrendeling hangt af van wat u nodig hebt om te doen en waar het zal worden gebruikt.
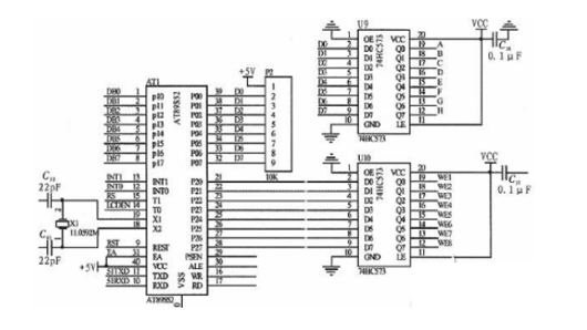
De 74HC573 is een hoogwaardige CMOS-apparaat met acht D-type vergrendelingen, elk met zijn eigen invoer en driestatenuitgangen.U kunt deze vergrendelingen besturen met behulp van de Latch Enable (LE) en Output Enable (OE) terminals, waardoor u flexibiliteit krijgt in verschillende bewerkingen.Dit apparaat wordt vaak gebruikt bij het computeren voor gegevensopslag en -verwerking, in communicatie om informatie -uitwisseling mogelijk te maken en in industriële controlesystemen.Bij gebruik van de 74HC573, denk en overweeg hoe elke vergrendeling het hele systeem beïnvloedt.Bij het computeren moet u bijvoorbeeld de verwerkingssnelheid in evenwicht brengen met opslagbetrouwbaarheid.In communicatie ligt de focus op naadloze gegevensuitwisseling beide ondersteund door de architectuur van de 74HC573.In industriële omgevingen zorgt de precisie ervan voor betrouwbare prestaties in verschillende omstandigheden.
CD4099: De CD4099 is een goed alternatief met unieke functies.Hoewel het er misschien op het oppervlak op lijkt, maar testen vertonen verschillen in stroomgebruik en responstijd.
SN74AHCT573DWR: De SN74AHCT573DWR is een andere geschikte optie, bekend om zijn snelle werking en ideaal voor tijdgevoelige taken.Het vergelijken van dit deel met het origineel kan helpen ontwerpen te verbeteren of aan te passen, snelheid, stroomgebruik en warmtebeheer.

• OE (uitvoer inschakeld)
Deze pin regelt of de uitgangspennen (Q) actief zijn.Als het is ingeschakeld, kunnen gegevens door de Q -pinnen stromen.Dit is handig wanneer verschillende apparaten dezelfde gegevenslijn delen, waardoor de gegevensstroom wordt behaald.
• LE (Latch Enable)
De LE -pin regelt wanneer gegevens van de invoerpennen (D) worden opgeslagen in de vergrendeling.Wanneer het wordt geactiveerd, vergrendelt het de gegevens, waardoor de uitvoer stabiel blijft totdat de pin opnieuw is geactiveerd.Dit helpt gegevens te stabiliseren in snelle digitale systemen.
• D0 ~ D7 (gegevensinvoerpennen)
Deze pennen zijn waar binaire gegevens de vergrendeling binnenkomen en gebruiken voor nauwkeurige gegevenstiming in complexe circuits.
• Q0 ~ Q7 (gegevensuitvoerpennen)
Deze pinnen voeren de vergrendelde gegevens uit.Ze zorgen ervoor dat gegevens op tijd worden vrijgegeven zoals die in microprocessors.
• GND (grondterminal)
Deze pen verbindt met de grond en biedt een referentiespanning die het circuit stabiel houdt.
• VCC (voedingsspanning)
Deze pin biedt de kracht die nodig is om de vergrendeling te laten werken.De spanning moet overeenkomen met de vereisten van het apparaat om het goed te laten werken.
De 74HC573-vergrendeling bestaat uit in totaal acht 3-draads pennen, opgesplitst in twee verschillende 4-bit poorten.Elke poort heeft zijn eigen set invoer- en uitvoerpennen, waardoor de efficiënte behandeling van 8-bits gegevens mogelijk is.Een hoofdfunctie is de bidirectionele invoerpoort die veelzijdig en dynamisch gegevensbeheer bevordert.Ook slaat een intern acht-bits geheugen efficiënt een complete 8-bit binaire volgorde op.
De 74HC573 is geweldig om snel gegevens te verwerken.Het werkt goed met verschillende logische niveaus veroorzaken zijn TTL-compatibele inputs.Deze vergrendeling kan pulsen tot 25 MHz verwerken, efficiënt voor high-speed gegevenstaken zoals prestaties-zware toepassingen.Het sterke rijcapaciteit zorgt voor betrouwbare gegevensoverdracht.
De 74HC573 is uitstekend voor snelle gegevensconversie.Het behandelt snel signalen, zodat u zonder vertraging updates krijgt.Het heeft een ingebouwde bescherming tegen elektrische pieken, wat betekent dat het betrouwbaarder is en langer duurt in belangrijke toepassingen.
De 74HC573-vergrendeling maakt gebruik van acht D-type transparante vergrendelingen om de gegevensstroom te regelen.Hier is hoe het werkt:
• Wanneer ingeschakeld (g hoog): de uitgang (q) komt direct overeen met de ingang (d) meteen.
• Wanneer uitgeschakeld (g laag): de vergrendeling houdt vast aan de laatste invoerwaarde, "vergrendelen" deze op zijn plaats.
Deze vergrendeling kan gegevens bevatten, zelfs wanneer het signaalveranderingen, belangrijk voor het stabiel houden van de gegevens.Het werkt onafhankelijk, dus het kan nieuwe gegevens vastleggen terwijl het nog steeds oude gegevens vasthoudt.Als u hier nieuw in bent, denk dan aan elke vergrendeling als een kleine geheugeneenheid die gegevens onmiddellijk kan doorgeven of deze kan doorstaan, afhankelijk van een besturingssignaal dat de inschakelinvoer wordt genoemd, met het label "G."Wanneer het inschakelingssignaal hoog (g hoog) is, is de vergrendeling "transparant", wat betekent dat het mogelijk maakt dat alle gegevens aanwezig zijn bij de invoer (d) rechtstreeks naar de uitgang (Q) doorgeven zonder vertraging zoals een open poort.Wanneer het inschakelingssignaal echter laag is (g laag), sluit de poort en stopt de vergrendeling niet door nieuwe gegevens te passeren.In plaats daarvan vergrendelt het op en houdt het het laatste stukje gegevens vast dat op de invoer was voordat de poort sloot, waardoor die uitgang wordt gehandhaafd totdat het inschakelingssignaal weer hoog wordt.Zelfs als de invoergegevens verandert, blijft de uitvoer stabiel zolang het inschakelingssignaal laag is, waardoor gegevensintegriteit wordt gewaarborgd en informatie betrouwbaar kan verwerken of opslaan.
Zorg er eerst voor dat u de invoerpennen (D0-D7) verbindt met de uitvoerpennen van uw CPU of controller veilig.Deze verbindingen zijn behoefte aan gegevensstroom, dus gebruik korte kabels van hoge kwaliteit om signaalverlies te voorkomen.Sluit vervolgens de uitvoerpennen (Q0-Q7) aan op uw secundaire apparaat.De gegevens blijven stabiel totdat u de output enable -pin activeert (OE) en stelt u in staat om de gegevens precies te verzenden wanneer u deze nodig hebt.
De CPU neemt de leiding door gegevens te schrijven naar de invoer (D0-D7) en vervolgens de uitvoer te manipuleren (OE) en Latch Enable (LE) pinnen om de gegevensstroom te regelen.Dit zorgt voor nauwkeurige vergrendeling en tijdige transmissie.De OE -pin regelt of de vergrendelde gegevens zichtbaar zijn op de uitvoerpennen;Wanneer het laag is, zijn de gegevens aanwezig op Q0-Q7, maar wanneer deze hoog is, komen de uitgangen in een hoge impedantietoestand, waardoor de vergrendeling effectief isoleert.Aan de andere kant bepaalt de LE-pin wanneer de invoergegevens worden vergrendeld: wanneer deze hoog is, worden de invoergegevens continu vergrendeld, wat de status van D0-D7 weerspiegelt, terwijl wanneer deze laag is, de vergrendeling de laatste invoergegevens bevat,het bieden van een stabiele output.
Voor geavanceerde gegevenstaken met verschillende randapparatuur kunnen meerdere 74HC573 -chips worden gecascadeerd.Nauwkeurige timing van de inschakel- en besturingssignalen van elke chip is vereist om conflicten te voorkomen en naadloze gegevensuitwisseling te garanderen.Effectieve planning van controlesignalen handhaaft signaalintegriteit over de trapsgewijze chips.
Weerstanden en condensatoren filteren ruis eruit, stabiliseer de voedingslijnen en minimaliseer signaalreflecties die de gegevensstroom kunnen verstoren.De nauwe plaatsing van de 74HC573 -vergrendeling aan de CPU en randapparatuur minimaliseert signaalvertraging en interferentie, waardoor zowel transmissiesnelheid als betrouwbaarheid worden verbeterd.Het gebruik van grondvliegtuigen en afgeschermde sporen in het PCB -ontwerp Bolsters signaalintegriteit verdere bolsters, waardoor soepele en efficiënte gegevensverwerking worden gewaarborgd.
Voordat u nieuwe gegevens omarmt, wist u de huidige gegevens in de 74HC573 -vergrendeling.Implementeer een RESET -routine tijdens de initialisatiefase om gegevensnauwkeurigheid te handhaven.Door zorgvuldig afhandeling, precieze configuratie en scherpe aandacht voor signaalkwaliteit en lay -out, kan men piekprestaties bereiken in gegevensoverdracht en opslagtaken.

De 74HC245 is een populaire 8-bit transceiver met drie-staten uitgangen, ontworpen voor asynchrone communicatie.Het wordt vaak gebruikt om bidirectionele gegevensstroom tussen twee bussen te beheren.Het apparaat beschikt over de richtingregeling, waardoor de gegevens in beide richtingen flexibel kunnen bewegen.De 74HC573 daarentegen is een octale D-type transparante vergrendeling met drie-staten uitgangen.Het wordt gebruikt voor tijdelijke gegevensopslag en het vasthouden van informatie totdat het nodig is.De vergrendelingsfunctie biedt een gestage stroom van gegevens bij het omgaan met asynchrone signalen.
74HC245 blinkt uit in het efficiënt beheren van gegevensoverdracht tussen bussen door directionele controle te bieden.Terwijl 74HC573 een stabiele middelen biedt om gegevens te vergrendelen en vast te houden tot het systeem het gebruik ervan vereist.De duidelijke focus op gegevensopslag maakt de 74HC573 geschikt voor toepassingen waarbij gegevenscontinuïteit een prioriteit is.74HC245 introduceert met zijn bidirectionele mogelijkheden een dynamische gegevensverwerkingbenadering.In tegenstelling tot de 74HC573, die duurzaamheid biedt bij het handhaven van gegevensintegriteit tijdens de verwerking, neigt de 74HC245 naar flexibiliteit in operationele dynamiek.
Bij het vervangen van de 74HC573 door de 74HC245 in circuitontwerpen, is het belangrijk om hun verschillen op te merken.De bidirectionele gegevensbeheersing van de 74HC245 kan enkele functies van de 74HC573 omvatten.Omdat de 74HC245 echter een vergrendelingsfunctie mist, kan deze niet op zichzelf geen gegevens stabiel houden zonder extra componenten.Dit betekent dat het vervangen van de 74HC573 door de 74HC245 het vermogen van het circuit om gegevens consequent te bewaren, kan beïnvloeden.Aan de andere kant, als de focus ligt op snelle gegevensuitwisselingen en soepele communicatie tussen bussen, kan de 74HC245 een betere keuze zijn, waardoor de responsiviteit van het systeem wordt verbeterd.
De 74HC573 is een 8-bit D-type transparante vergrendeling met 3-statusuitgangen, met Latch Enable (LE) en uitgangsvergunning (OE) ingangen.Wanneer LE hoog is, gaan gegevens bij invoer de vergrendelingen in.Het speelt een belangrijke rol in scenario's die tussenliggende gegevensopslag en -scenering nodig hebben, waardoor gereguleerde en efficiënte gegevensbusactiviteit wordt gewaarborgd.Deze component wordt vaak gebruikt in microcontroller -systemen voor het bufferen van gegevens en adresbussen.
De 74HC573 is een octale D-type transparante vergrendeling, geactiveerd door een hoge LE-uitgang.De 74HC574 daarentegen is een octale D-type flip-flop, geactiveerd door de positieve rand van zijn LE-uitgang.De 74HC573 staat realtime gegevenspassage toe, terwijl LE hoog is, waardoor de informatiestroom indien nodig wordt vergemakkelijkt.De 74HC574 legt en bevat gegevens bij de LE-overgang, waardoor stabiele gegevensbehoud na de klok toes wordt gewaarborgd.Deze functie is gunstig in gesynchroniseerde toepassingen voor gegevensoverdracht.
Het typische voedingsspanningsbereik voor de 74HC573 -overspanningen van 2.0V tot 6.0V.Deze variabiliteit biedt substantiële flexibiliteit, waardoor de 74HC573 kan worden geïntegreerd in diverse systemen met een minimale behoefte aan aanpassingen van de stroomvoorziening.Dergelijk aanpassingsvermogen is voordelig bij het optimaliseren van de krachtefficiëntie in verschillende circuitontwerpen, waardoor het een voorkeurskeuze is voor vermogensgevoelige toepassingen.
De 74HC573 dient als een octale transparante vergrendeling met 3-staten uitgangen, die in staat zijn om acht bits gegevens in digitale elektronische circuits op te slaan en uit te voeren.Zijn rol als intermediaire gegevenshouder is uitstekend in het beheren van de gegevensstroom tussen verschillende componenten.Deze functionaliteit wordt uitgebreid gebruikt in toepassingen die precieze controle eisen over gegevensbeschikbaarheid en vertragingsbeheer.De vergrendelingen helpen de nauwkeurigheid van gegevens en systeemstabiliteit te waarborgen.
Stuur een aanvraag, we zullen onmiddellijk reageren.
Op 2024/09/24
Op 2024/09/24
Op 8000/04/18 147778
Op 2000/04/18 112033
Op 1600/04/18 111352
Op 0400/04/18 83792
Op 1970/01/1 79600
Op 1970/01/1 66976
Op 1970/01/1 63111
Op 1970/01/1 63044
Op 1970/01/1 54097
Op 1970/01/1 52198