
Figuur 1. Zeven segment display
Een display met zeven segment is een elektronische component die is ontworpen om nummers en een paar letters te tonen met zeven lichtemitterende segmenten gerangschikt in een figuur-acht-lay-out.Elk segment, gelabeld A tot en met G, licht afzonderlijk op om cijfers te vormen van 0 tot 9. Een klein achtste segment, meestal een stip in de rechteronderhoek, kan ook worden opgenomen om decimale punten weer te geven.
Elk segment is een LED die licht uitzendt wanneer het wordt aangedreven.Het display werkt door spanning toe te passen op de terminals van de LED, waardoor licht wordt geproduceerd door elektroluminescentie.
Zeven segment displays werden populair in de jaren 1960 en 70 toen LED's eerdere weergavetechnologieën vervangen zoals Nixie-buizen en mechanische indicatoren.Deze nieuwe displays waren gemakkelijker te rijden, gebruikten minder vermogen en waren duurzamer.Tegen het einde van de jaren '70 waren ze standaard in rekenmachines, klokken en meetapparaten.
Zelfs vandaag worden deze displays veel gebruikt in apparaten die een eenvoudige, betrouwbare numerieke uitvoer nodig hebben.Ze bieden een laag stroomverbruik, sterke zichtbaarheid en eenvoudige controlelogica.Verbeterde LED -materialen hebben ze ook helderder en duurzamer gemaakt, wat helpt bij het handhaven van hun rol in zowel compacte gadgets als grote industriële systemen.
Zeven segmentdisplays zijn er in twee hoofdtypen, gebaseerd op hoe de interne LED's zijn bedraad: Common Anode (CA) en Common Cathode (CC).Het verschil ligt in hoe de LED -segmenten elektrische verbindingen delen.
In een gemeenschappelijk anode -display zijn alle positieve zijden (anodes genoemd) van de LED's met elkaar verbonden.Deze groep positieve verbindingen is gekoppeld aan de positieve voeding.
Om een segment in te schakelen (een deel van het nummerweergave), stuurt u een laag signaal (wat een verbinding met grond of 0 volt) naar de negatieve zijde (de kathode genoemd) van dat segment stuurt.Hierdoor kan elektriciteit stromen en het segment licht op.
Dit type display werkt goed met bepaalde soorten digitale circuits, vooral die zijn ontworpen om de stroom naar beneden te trekken.Een voorbeeld is TTL (transistor-transistor logica) circuits.

Figuur 2. Gemeenschappelijke anodeconfiguratie

Figuur 3. Toontabel
In een gemeenschappelijk kathodedisplay zijn alle negatieve zijden (kathoden) van de LED's met elkaar verbonden en verbonden met grond.
Om een segment te verlichten, stuurt u een hoog signaal (een spanning, zoals 5V) naar de positieve zijde (anode) van dat segment.Dit zorgt ervoor dat de elektriciteit van de positieve pin door de LED naar de grond stroomt en het segment verlicht op.
Gemeenschappelijke kathodedisplays zijn meestal gemakkelijker te gebruiken met microcontrollers, zoals Arduino of Raspberry Pi, omdat deze apparaten het benodigde hoge signaal rechtstreeks vanuit hun uitgangspinnen kunnen verzenden.

Figuur 4. Gemeenschappelijke kathodeconfiguratie

Figuur 5. Waarheidstabel

Figuur 6. Bovenaanzicht van zeven segmentdisplay
Elk cijfer met zeven segment bestaat uit zeven individuele LED's gerangschikt in een rechthoekig patroon dat lijkt op een "8".De segmenten zijn gelabeld A tot en met G, met drie horizontale segmenten (A, G, D) en vier verticale (B, C, E, F).Sommige displays bevatten ook een decimaal punt, gelegen in de buurt van de rechteronderhoek.

Figuur 7. Decimaal of puntpunt
Moderne displays gebruiken meestal op oppervlakte gemonteerde LED's ingebed in plastic of hars.Het displayhuis bevat vaak lichte barrières om te voorkomen dat gloed in naburige segmenten bloedt.De behuizing is meestal getint of mat om het licht te verspreiden en het contrast te verbeteren.
Standaard enkele cijfer displays hebben tien pennen: één voor elk van de zeven segmenten, één voor het decimale punt en één of twee voor de gedeelde gemeenschappelijke terminal.In de behuizing verbinden dunne draden of sporen elk segment op de respectieve pin.
Sommige displays omvatten ingebouwde weerstanden om de stroom te regelen, terwijl andere externe weerstanden vereisen.Goed thermisch ontwerp helpt het display op betrouwbare wijze gedurende lange periodes te laten werken, zelfs in uitdagende omgevingen.

Afbeelding 8. Onderaanzicht van zeven segmentdisplay

Figuur 9. Pin -diagram
|
Pin -nummer |
Aangesloten
Segment |
Functie |
|
PIN 1 |
E |
Controleert segment E |
|
Pin 2 |
D |
Controleert segment D |
|
Pin 3 |
Com (gewone pin) |
Gemeenschappelijke anode of kathode |
|
Pin 4 |
C |
Controleert segment C |
|
PIN 5 |
Dp |
Controls Decimal Point (DP) |
|
Pin 6 |
B |
Controleert segment B |
|
Pin 7 |
A |
Controleert segment A |
|
PIN 8 |
Com (gewone pin) |
Gemeenschappelijke anode of kathode |
|
Pin 9 |
F |
Controleert segment F |
|
Pin 10 |
G |
Controleert segment G |
Een display van zeven segment werkt door specifieke segmenten te verlichten om getallen of eenvoudige letters te vormen.Elk segment is een individuele LED die gloeit wanneer de stroom er in de juiste richting doorheen stroomt.

Afbeelding 10. Display -nummers
Om een nummer te tonen, schakelt het systeem de juiste combinatie van segmenten in.Bijvoorbeeld om "0" weer te geven, alle segmenten behalve G zijn verlicht.A "1" licht B en C alleen op en C. Deze combinaties worden opgeslagen in microcontroller -geheugen of afgehandeld door een decoderende chip.

Figuur 11. Zeven segment alfabet tekens
Sommige letters zoals A, C, E en F kunnen worden getoond, maar vele anderen zijn moeilijk te vertegenwoordigen vanwege de beperkte segmenttelling.Letters zoals Q of R zijn moeilijk duidelijk weer te geven.
In systemen met meer dan één cijfer gebruiken displays multiplexing.Dit betekent dat er slechts één cijfer tegelijk wordt verlicht, maar het systeem schakelt zo snel tussen cijfers (meestal 60 keer per seconde of meer) dat ze allemaal tegelijkertijd verschijnen.Dit bespaart stroom en vermindert het aantal vereiste verbindingen.
Het decimale punt kan worden gebruikt voor breuken, tijdscheiding of als een speciale indicator.Sommige klokken gebruiken zelfs decimale punten als knipperende dikke darm.

Figuur 12. Zeven segment LED -kloktijdweergave
Om nummers op een display met zeven segment weer te geven, verlicht elk cijfer een unieke set segmenten.Deze patronen worden opgeslagen als binaire codes.De codes zijn verschillend voor gemeenschappelijke kathode- en gemeenschappelijke anodetypen, afhankelijk van hoe de segmenten worden ingeschakeld.De onderstaande tabel toont de codes voor cijfers 0 tot 9.
|
Cijfer |
Segmenten verlicht
(A - G) |
Binaire code
(Common Cathode) |
Hexcode (CC) |
Binaire code
(Gemeenschappelijke anode) |
Hexcode (CA) |
|
0 |
A, B, C, D, E, F |
0B00111111 |
0x3f |
0B11000000 |
0xc0 |
|
1 |
B, C |
0B00000110 |
0x06 |
0b11111001 |
0xf9 |
|
2 |
A, B, D, E, G |
0B01011011 |
0x5b |
0B10100100 |
0xa4 |
|
3 |
A, B, C, D, G |
0B01001111 |
0x4f |
0B10110000 |
0xb0 |
|
4 |
B, C, F, G |
0B01100110 |
0x66 |
0B10011001 |
0x99 |
|
5 |
A, C, D, F, G |
0B01101101 |
0x6d |
0B10010010 |
0x92 |
|
6 |
A, C, D, E, F, G |
0B01111101 |
0x7d |
0B10000010 |
0x82 |
|
7 |
A, B, C |
0B00000111 |
0x07 |
0B11111000 |
0xf8 |
|
8 |
A, B, C, D, E, F, G |
0b011111111 |
0x7f |
0B10000000 |
0x80 |
|
9 |
A, B, C, D, F, G |
0B01101111 |
0x6f |
0B10010000 |
0x90 |
Er zijn een paar veel voorkomende manieren om een display te besturen.Laten we er doorheen gaan van de eenvoudigste tot de meer geavanceerde.

Figuur 13. Circuitdiagram van directe verbinding van een display van zeven segment met een microcontroller
De eenvoudigste manier om één cijfer te regelen is door elk segment op zijn eigen pin op de microcontroller te verbinden.Dit werkt goed voor kleine projecten die slechts één nummer tonen.
Voor een gemeenschappelijk anode -display zijn alle positieve zijden (anodes) van de LED's verbonden met stroom (zoals 3,3V of 5V).De negatieve zijde (kathode) van elk segment gaat door een weerstand en vervolgens naar een pin op de microcontroller.Wanneer de microcontroller een laag signaal verzendt, wordt het segment ingeschakeld.
Deze installatie geeft u volledige controle over elk segment, zodat u elk getal kunt maken.Maar het gebruikt veel pennen, zeven voor de segmenten en nog een als je het decimale punt gebruikt.U kunt bijvoorbeeld PINS PA0 via PA7 op een Arduino of STM32 verbinden met elk segment.De weerstanden (ongeveer 220-330 ohm) beschermen de LED's tegen te veel stroom.
Deze methode is eenvoudig, maar als je meer dan één cijfer wilt laten zien, werkt het niet goed, je hebt geen pinnen meer.Dat is wanneer het beter is om multiplexing of een display -stuurprogramma -chip te gebruiken.

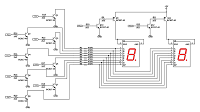
Afbeelding 14. Transistor stuurprogramma -circuit voor twee zeven segmentdisplays
Als u meer dan één cijfer wilt gebruiken, zou het verbinden van elk segment met de microcontroller te veel pinnen nodig hebben.Multiplexing is een truc die u helpt veel cijfers te regelen met minder pinnen.
Bij multiplexing delen alle cijfers dezelfde segmentdraden.Maar slechts één cijfer licht tegelijk op.De microcontroller schakelt zeer snel tussen cijfers, dus het lijkt erop dat alle cijfers tegelijk zijn.
Elk cijfer wordt ingeschakeld met behulp van een transistor.De microcontroller verzendt gegevens voor het cijfer en zet zijn transistor aan.Dan gaat het naar het volgende cijfer, enzovoort.Dit herhaalt zich snel, zodat je ogen het hele nummer tegelijk zien.
Je hebt slechts zeven segmentdraden en één draad nodig voor de transistor van elk cijfer.U kunt ook een chip gebruiken zoals het SN74HC595 -schuifregister.Hiermee kunt u gegevens met minder pennen verzenden en de segmenten regelen met slechts enkele microcontroller -pinnen.Dit maakt de bedrading eenvoudiger en helpt u grotere displays te bouwen.

Figuur 15. Zeven segmentweergave Interfacing met Arduino
Wanneer u een prototype leert of bouwt, is het gebruikelijk om het display met de hand met een Arduino te besturen.Een display van zeven segment heeft acht LED's in de vorm van een "8."De segmenten worden A tot G genoemd, met één extra voor het decimale punt (DP).
U verbindt elk segment via een weerstand met een pin op de Arduino.Als u een gemeenschappelijk kathodedisplay gebruikt, gaat de gemeenschappelijke pin naar de grond.Om een segment te verlichten, stuurt de Arduino een hoog signaal naar de pin van het segment.
Gemeenschappelijk kathodeschermen, draait High het segment aan.In de gemeenschappelijke anode wordt in plaats daarvan een laag signaal nodig.Het is belangrijk om te weten welk soort display u gebruikt, zodat u de juiste code schrijft.
Om bijvoorbeeld de nummers 0 tot 9 weer te geven, schakelt de Arduino -code de juiste combinatie van segmenten voor elk nummer in.Deze methode is geweldig om te oefenen, maar het werkt niet goed voor meer dan één cijfer, tenzij u multiplexing of een chip -chip toevoegt.

Afbeelding 16. Met behulp van een 4511 -stuurprogramma
Om het gemakkelijker te maken en microcontroller -pinnen op te slaan, kunt u een chip gebruiken zoals de CD4511.Deze chip heeft een 4-bit binair nummer en verlicht de juiste segmenten om cijfers te tonen 0 tot 9.
U kunt de chip zijn ingang geven van schakelaars of van een microcontroller.Wanneer de invoer verandert, verlicht de chip het juiste nummer op het display.Weerstanden beschermen nog steeds de LED's en pull-down weerstanden houden de ingang stabiel wanneer de schakelaars niet worden ingedrukt.
De 4511 -chip maakt de bedrading en code eenvoudiger.In plaats van elk segment te besturen, verzendt de microcontroller slechts één nummer en zorgt de chip voor de rest.
In meer geavanceerde projecten kunnen microcontrollers praten om stuurprogramma's weer te geven met behulp van communicatiemethoden zoals I2C of SPI.Dit maakt het gemakkelijker om veel cijfers te besturen zonder veel pinnen te gebruiken.
Het bouwen van een display-opstelling van zeven segment uit basisonderdelen is een geweldige manier om elektronica te leren.U hebt een display -module nodig, een decoderchip (zoals de 4511), weerstanden, DIP -schakelaars (of knoppen) en een breadboard.
Stap 1 : Plaats de 4511 op uw breadboard en sluit de pin 16 aan op stroom en pin 8 op de grond.
Stap 2 :Draadpennen 1, 2, 6 en 7 (BCD-ingangen) om te schakelen door 10K pull-down weerstanden.Hiermee kunt u handmatig binaire waarden invoeren.
Stap 3 :Sluit LT (lamptest) en LE (LATCH Enable) aan op VCC en aard de BI (blanco -ingang).
Stap 4 :Verbind pinnen 9-15 (uitvoert A - G) met het display door middel van 220-470Ω weerstanden.
Stap 5 :Bind de gemeenschappelijke kathodepennen van het display aan de grond.
Nu wijzigt het omdraaien van de schakelaars de BCD -ingang en werkt het display bij.U kunt functies toevoegen zoals decimale punten of een tweede cijfer voor oefening.Met behulp van een microcontroller in plaats van DIP -schakelaars kunt u multiplexing en dynamische weergavebesturing verkennen.
• Eenvoudig te gebruiken: een display van zeven segment is heel eenvoudig.Het heeft zeven kleine lichten (LED's genoemd) gerangschikt op een manier die elk getal van 0 tot 9 kan tonen. U zet gewoon de rechterlichten aan om elk nummer te maken.Dit maakt het geweldig voor beginners en kleine projecten zoals digitale klokken of tellers.
• Lage kosten: deze displays zijn goedkoop om te maken en te kopen.Omdat ze eenvoudig zijn en basistechnologie gebruiken, kosten ze niet veel.Dit maakt ze perfect voor low-budget projecten of producten die betaalbaar moeten blijven.
• Gebruikt zeer weinig vermogen: displays met zeven segment hebben niet veel elektriciteit nodig om te werken, vooral de LCD-mensen.Zelfs de LED -versies gebruiken niet teveel kracht als u ze op de juiste manier gebruikt.Daarom zijn ze goed voor apparaten die op batterijen lopen.
• Eenvoudig te lezen: de cijfers op een display met zeven segment zijn helder en duidelijk.LED -types gloeien sterk en zijn zelfs in het donker of ver van ver weg te zien.Daarom ziet u ze in wekkerklokken en basisapparaten.
• Sterk en langdurig: deze displays hebben geen bewegende delen, zodat ze niet gemakkelijk breken.De lichten binnen (LED's) kunnen heel lang meegaan.Ze werken ook goed, zelfs als het heet, koud is of als het apparaat wordt gestoten.
• Klein en ruimtebesparend: displays met zeven segment zijn klein en passen goed in krappe ruimtes.U kunt meerdere naast elkaar plaatsen om langere nummers te tonen zonder veel ruimte nodig te hebben.Ze zijn perfect voor compacte apparaten.
• Kan geen volledige woorden of symbolen weergeven: deze displays zijn gemaakt om nummers weer te geven, geen volledige letters of symbolen.Ze kunnen een paar eenvoudige letters laten zien (zoals A, B, C), maar niet alle.Dus ze zijn niet goed voor het tonen van volledige woorden of zinnen.
• Niet flexibel in ontwerp: de vorm van de segmenten is vastgesteld, dus u kunt niet veranderen hoe de nummers eruit zien.Je kunt ook geen foto's of speciale pictogrammen tonen.Dit beperkt de ontwerpopties voor meer stijlvolle of moderne producten.
• Moeilijk te zien vanuit sommige hoeken: met LED -typen kan het moeilijk zijn om de cijfers te lezen als u er niet rechtstreeks naar kijkt.Als je van de zijkant kijkt of als het buiten erg helder is, zijn de cijfers misschien moeilijk te zien.
• LED -typen kunnen meer stroom gebruiken: LED -displays gebruiken meer elektriciteit dan LCD -mensen, vooral als veel segmenten altijd zijn.Dit kan een probleem zijn voor gadgets op batterijen waar het besparen van stroom belangrijk is.
• Als een deel breekt, is het moeilijk te lezen: als een van de lichten (segmenten) stopt met werken, kan het een nummer verkeerd laten lijken.Het nummer 8 lijkt bijvoorbeeld op een 0 als een middelste segment mislukt.Dit kan anderen verwarren.
• Bedrading wordt ingewikkeld voor veel cijfers: het tonen van meer dan één cijfer betekent meer draden en onderdelen.Je hebt misschien speciale chips en extra werk nodig om alles te verbinden.Dit kan het ontwerp en het programmeren moeilijker maken, vooral voor beginners.
Zeven segment displays zijn eenvoudige en nuttige tools voor het weergeven van nummers.Ze verlichten bepaalde onderdelen (segmenten genoemd) om cijfers te vormen van 0 tot 9. Er zijn twee soorten, op basis van hoe de segmenten zijn bedraad.Deze displays zijn eenvoudig aan te sluiten, gebruiken niet veel vermogen en zijn geweldig voor basisapparaten zoals klokken, meters en keukenapparatuur.U kunt ze op verschillende manieren bedienen, van directe bedrading tot het gebruik van chips die ruimte besparen en dingen gemakkelijker maken.Hoewel ze geen volledige woorden of mooie afbeeldingen kunnen tonen, zijn ze nog steeds een goede keuze als je duidelijke en eenvoudige nummerweergaven nodig hebt.
Stuur een aanvraag, we zullen onmiddellijk reageren.
Een display van 7 segment toont alleen nummers en enkele letters, terwijl een display van 14 segment meer LED's gebruikt om zowel nummers als volledige alfabetische tekens te vormen.
Ja.Zonder weerstanden kunnen de LED's te veel stroom trekken en opbranden.Typisch worden voor elk segment 220Ω tot 470Ω weerstanden gebruikt.
Gebruik de diodetestmodus van een multimeter: sluit de gemeenschappelijke pin aan en onderzoek elk segment.Als segmenten oplichten wanneer de positieve sonde zich op de gemeenschappelijke pin bevindt, is deze een gemeenschappelijke kathode;Als de negatieve sonde zich op de gemeenschappelijke pin bevindt, is deze een gemeenschappelijke anode.
Standaard LED-gebaseerde displays werken bij 1,8 V tot 3,3 V per segment, maar worden meestal aangedreven met 5V-logica en stroombeperkende weerstanden om de helderheid veilig te regelen.
Niet direct.U kunt echter microcontrollers of driver IC's gebruiken om te programmeren hoe ze nummers, animaties of countdowns dynamisch weergeven.
Op 2024/01/16
Op 2026/03/17
Op 8000/04/18 147757
Op 2000/04/18 111936
Op 1600/04/18 111349
Op 0400/04/18 83721
Op 1970/01/1 79508
Op 1970/01/1 66909
Op 1970/01/1 63045
Op 1970/01/1 63012
Op 1970/01/1 54081
Op 1970/01/1 52125