De 2N6488 Transistor, gehouden binnen een tot 220 plastic behuizing, wordt erkend voor het betrouwbare gebruik ervan in vermogenslineaire en laagfrequente instellingen.Dit pakket heeft de voorkeur in de industrie, die praktisch en efficiëntie samenvoegt, geschikt voor verschillende situaties.Het ontwerp ondersteunt efficiënte warmtedissipatie en beïnvloedt de duurzaamheid en functie van transistoren.De 2N6488 gedijt in power lineaire toepassingen vanwege zijn robuuste build- en thermische mogelijkheden.Het zorgt voor consistent stroom- en spanningsbeheer voor stabiliteit in circuits.Deze betrouwbaarheid schijnt in audioversterkers en gereguleerde voedingen, waarbij het hanteren van variërende belastingen zonder het verliezen van prestaties nodig is.
In de laagfrequente taken vertoont de 2N6488 indrukwekkende aanpassingsvermogen en prestaties.Het vermogen om signalen met minimale vervorming te verwerken, benadrukt de sterkte ervan.Thermisch outputbeheer is centraal wanneer u werkt met de 2N6488.Het gebruik van effectieve koellichamen en thermische verbindingen helpt bij het optimaliseren van warmteoverdracht.Dit zijn nodig om oververhitting te voorkomen, wat de functionaliteit kan aantasten en de levensduur van de component kan verminderen.Een opkomend beeld in het veld is het aanpassen van traditionele componenten zoals de 2N6488 voor innovatief gebruik.Naarmate de technologie vordert, is het trending in hybride, energie-efficiënte systemen.Deze methode maakt gebruik van de vastgestelde betrouwbaarheid van de 2N6488 en tegelijkertijd aan de moderne behoeften voor duurzaamheid en energie -efficiëntie voldoet.
• 2N60
• 2N600
• 2N6000
• 2N6001
• 2N6002
• 2N6491




De 2N6488 -transistor heeft een opmerkelijke DC -huidige versterking naast indrukwekkende bandbreedte.Deze kwaliteiten verhogen de effectiviteit ervan in scenario's die een high-fidelity audiosamplificatie en soepele schakelactiviteiten vereisen.Velen genieten vaak van het gebruik van deze attributen om signaalvervorming in complexe systemen te minimaliseren, waardoor duidelijkheid en precisie worden gewaarborgd.
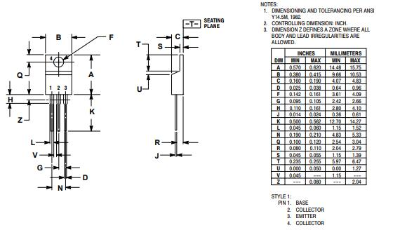
De 2N6488, ingekapseld in een gestroomlijnd naar-220-pakket, bevordert thermische efficiëntie en eenvoudige installatie.De structuur ervan vergemakkelijkt de warmtedissipatie voor het aftappen van oververhitting in krachtige toepassingen.Velen geven de voorkeur aan dit pakket vanwege zijn bedreven hantering van warmte en compacte vorm.
De 2N6488 voldoet aan ROHS-normen, wat een ontwerp benadrukt dat rekening wordt gehouden met welzijn van het milieu door schadelijke stoffen te minimaliseren.Met een groeiend belang in hedendaagse productinnovatie vormt deze afstemming een aanvulling op wereldwijde ecologische doelen.
De 2N6488 biedt een afbraak van collector-emitter van 80V en staat veerkrachtig in hoogspanningsinstellingen.Dit kenmerk verdient waardering wanneer betrouwbare prestaties onder druk noodzakelijk zijn.Industrie selecteert dergelijke componenten vaak voor hun vermogen om substantiële spanningsvariaties te doorstaan.
De 2N6488 -transistor onderscheidt zich in audiosystemen waar het een rol speelt bij stroomversterking.Het biedt opmerkelijke prestaties tijdens het besturen van luidsprekers en audiocomponenten door de stroom- en spanningsniveaus efficiënt te beheren.Dit zorgt voor een geluidsuitgang die zowel duidelijk als vrij is van vervorming.Audio geeft vaak de voorkeur aan transistors zoals de 2N6488 voor het maken van klasse AB -versterkercircuits.Ze waarderen het vermogen om consistente thermische stabiliteit te leveren en efficiënt warmte af te voeren, waardoor de audiokwaliteit wordt verbeterd.
De veelzijdigheid van de 2N6488 vertoont robuustheid bij laagfrequente schakeltaken, wordt duidelijk.Het wordt vaak gebruikt in circuits die precieze controle vereisen, zoals in motorrijders en andere elektromechanische systemen.Velen die kiezen voor transistoren zoals de 2N6488 kunnen een gestage prestaties bereiken in omgevingen waar langdurige betrouwbaarheid een primaire overweging is.
|
Type |
Parameter |
|
Levenscyclusstatus |
Verouderd (laatst bijgewerkt: 3 dagen geleden) |
|
Pakket / kast |
TO-220AB |
|
Leverancierapparaatpakket |
TO-220AB |
|
Current-Collector (IC) (Max) |
15a |
|
Bedrijfstemperatuur |
-65 ° C tot 150 ° C TJ |
|
Gepubliceerd |
2007 |
|
Vochtgevoeligheidsniveau (MSL) |
1 (onbeperkt) |
|
Min bedrijfstemperatuur |
-65 ° C |
|
Max Power Dissipation |
1.8W |
|
Basisonderdeelnummer |
2N6488 |
|
Elementconfiguratie |
Enkel |
|
GAON BANDBIDTH PRODUCT |
5MHz |
|
Collector emitter spanning (VCEO) |
3.5V |
|
DC Current Gain (HFE) (min) @ IC, VCE |
20 @ 5A 4V |
|
VCE verzadiging (max) @ ib, ic |
3.5V @ 5a, 15a |
|
Frequentie - overgang |
5MHz |
|
Emitter basisspanning (vebo) |
5V |
|
Leid gratis |
Bevat lood |
|
Montagetype |
Door gat |
|
Aantal pinnen |
3 |
|
Breakdown-spanning van de collector-emitter |
80V |
|
hfe/min |
20 |
|
Verpakking |
Buis |
|
Onderdeelstatus |
Verouderd |
|
Max bedrijfstemperatuur |
150 ° C |
|
Spanning - beoordeelde DC |
80V |
|
Huidige beoordeling |
15a |
|
Polariteit |
NPN |
|
Power - Max |
1.8W |
|
Transistortype |
NPN |
|
Max Collector Stroom |
15a |
|
Current - Collector Cutoff (Max) |
1MA |
|
Spanning - Collector Emitter Breakdown (Max) |
80V |
|
Collector Base Voltage (VCBO) |
90V |
|
ROHS -status |
Niet-ROHS-conform |
|
Deel
Nummer |
Fabrikant |
Pakket |
Polariteit |
BEVERKOPPUNTEN
Spanning |
Spanning - verzamelaar emitter
Breakdown (max) |
Max Collector Stroom |
Frequentieovergang |
Verzadiging van de verzamelaar
Spanning |
hfe min |
|
2N6488 |
Op halfgeleider |
TO-220-3 |
NPN |
80 V |
80V |
15 a |
5MHz |
3.5 V |
20 |
|
BD243B |
Op halfgeleider |
TO-220-3 |
NPN |
80 V |
80V |
3 a |
3MHz |
1.2 V |
25 |
|
Tip31b |
Op halfgeleider |
TO-220-3 |
NPN |
80 V |
80V |
6 a |
- |
1.5 V |
15 |
|
BDW42 |
Op halfgeleider |
TO-220-3 |
NPN |
100 V |
- |
15 a |
4MHz |
- |
- |

Op Semiconductor levert oplossingen die zowel innovatief als in de mindful van energieverbruik zijn, waardoor een leidende positie in elektronica wordt gesneden.Het uitgebreide bereik over de hele wereld ondersteunt verschillende toepassingen, waaronder automotive, industriële en consumentenelektronica.Deze brede invloed houdt het bedrijf aan het roer van technische voortgang.Terwijl we vooruitkijken, is nadenken over hoe op halfgeleider een doorlopende innovatie met duurzaamheid kan balanceren, intrigerend.Dit samenspel van snelle technische groei en milieu -rentmeesterschap vormt zowel hindernissen als nieuwe paden.De bekwaamheid van het bedrijf in het voorspellen en aanpassen aan toekomstige trends in de industrie zal zijn succes op lange termijn vormgeven.
Meerdere apparaten 19/jun/2009.pdf
Tip31 (a, b, c), tip32 (a, b, c) .pdf
Stuur een aanvraag, we zullen onmiddellijk reageren.
Op 2024/10/29
Op 2024/10/29
Op 8000/04/18 147776
Op 2000/04/18 112018
Op 1600/04/18 111351
Op 0400/04/18 83777
Op 1970/01/1 79575
Op 1970/01/1 66964
Op 1970/01/1 63104
Op 1970/01/1 63041
Op 1970/01/1 54097
Op 1970/01/1 52189