
De EPF8820Arc208-4 is een legacy FPGA -apparaat uit de Flex 8000 -serie ontwikkeld door Altera, nu onder Intel Programmable Solutions Group.Ontworpen met behulp van een op CMOS SRAM gebaseerde architectuur, behoort het tot een familie van herconfigureerbare logische apparaten die een fase in programmeerbare logica-ontwikkeling hebben gemarkeerd.De Flex 8000-serie werd erkend vanwege zijn veelzijdige logische celstructuur en schaalbare interconnect, geschikt voor digitale integratie van algemene doeleinden.De EPF8820Arc208-4 valt specifiek in een middellange snelheidskwaliteit in deze serie en interconnectmogelijkheden.Het deelt zijn architectuur met andere speed-grade varianten zoals de ‑2, ‑3 en ‑5, die voornamelijk verschillen in timingprestaties.
Op zoek naar EPF8820Arc208-4?Neem contact met ons op om de huidige voorraad, doorlooptijd en prijzen te controleren.
• Flex 8000 architectuur
De EPF8820Arc208-4 is gebaseerd op Altera's Flex 8000-architectuur, die op SRAM gebaseerde configuratie gebruikt voor programmeerbaarheid in het systeem.Het biedt een kosteneffectieve en flexibele oplossing voor middelgrote logische dichtheidstoepassingen.
• Logische dichtheid
Dit apparaat integreert 672 logische elementen en levert ongeveer 8.000 bruikbare systeempoorten.Het biedt een geschikte balans tussen complexiteit en prestaties voor ingebedde besturing, lijmlogica en statenmachineontwerpen.
• 5V -kern met multivolt ™ I/O -ondersteuning
Het apparaat werkt op een 5V -voorraad en ondersteunt ook 3.3V en 5V I/O -normen met behulp van Multivolt ™ I/O -technologie.Dit maakt het aanpasbaar voor gemengde spanningssystemen en legacy interface.
• Incircuit herprogrammeerbare configuratie
De EPF8820Arc208-4 is op SRAM gebaseerd en ondersteunt in-circuitconfiguratie met behulp van externe seriële of parallelle proms.Het zorgt voor snelle ontwerpupdates en herconfiguratie zonder het apparaat uit het circuit te verwijderen.
• Fasttrack interconnect routing
De fasttrack interconnectstructuur biedt een voorspelbare, snelle routeringsstof.Deze architectuur ondersteunt efficiënte logische plaatsing en timingcontrole, waardoor gestroomlijnde ontwerpprestaties mogelijk zijn.
• Draag- en cascadeketens voor rekenkunde
Toegewijde carry- en cascade -ketens verbeteren de implementatie van rekenkundige functies zoals adders en tellers.Deze functies verminderen de logische vertraging en vereenvoudigen de constructie van complexe wiskundeactiviteiten.
• PCI Bus Compliance (Rev 2.2)
Dit apparaat voldoet aan de PCI Local Bus Specification Revision 2.2, waardoor het geschikt is voor gebruik in PCI-gebaseerde systemen.Het ondersteunt 5V-tolerante PCI-signaalomgevingen.
• JTAG Boundary Scan Support
De EPF8820Arc208-4 omvat ingebouwde IEEE 1149.1 (JTAG) -grens-scanmogelijkheden.Dit vergemakkelijkt foutopsporing, bordtesten en in-systeemverificatie zonder extra circuits.
• Programmeerbare lewsnelheidsregeling
De uitvoerstuurprogramma's zijn voorzien van programmeerbare leefsnelheidsregeling, waardoor de schakelruis wordt geminimaliseerd.Dit is gunstig in high-speed ontwerpen voor signaalintegriteit.
• Standby-modus met lage kracht
Ontworpen voor vermogensefficiëntie, verbruikt het apparaat minder dan 0,5 mA in standby -modus.Hierdoor kunnen systemen stroom tijdens inactieve of inactieve periodes behouden.
• Bedrijfstemperatuur: 0 ° C tot 70 ° C
De component werkt betrouwbaar binnen een commercieel temperatuurbereik van 0 ° C tot 70 ° C.Het is ideaal voor algemeen gebruik in gecontroleerde omgevingen.

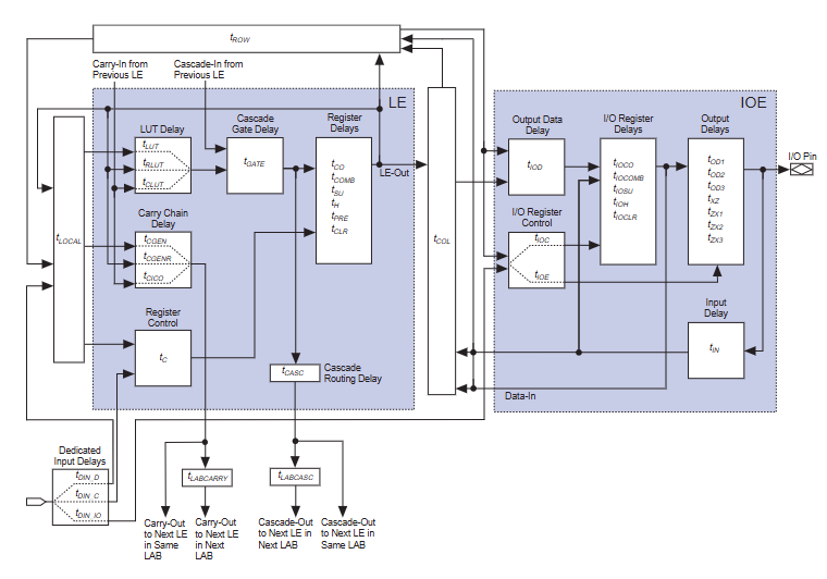
Het diagram illustreert de interne structuur en hoe de FPGA logica en verbindingen verwerkt.In het midden staan de logische arrayblokken (labs), die meerdere logische elementen (LES) bevatten.Deze LE's zijn programmeerbaar en kunnen worden geconfigureerd om een breed scala aan logische taken uit te voeren, ter ondersteuning van zowel combinatie- als opeenvolgende ontwerpen.Deze flexibiliteit zorgt voor aangepaste digitale circuitimplementatie.
Rond de laboratoria zijn de I/O -elementen (IOES), die de communicatie tussen de FPGA- en externe apparaten afhandelen.Ze ondersteunen invoer-, uitvoer- en bidirectionele signalen terwijl ze verschillende spanningsniveaus aanpassen.Het verbinden van alle onderdelen is de fasttrack-interconnect, een snel routingsysteem dat laboratoria en IOES efficiënt verbindt.Deze opstelling zorgt voor snelle gegevensoverdracht, soepele signaalroutering en betrouwbare prestaties in verschillende toepassingen binnen de Flex 8000 -serie.

Het diagram benadrukt hoe vertragingen de logische verwerking en signaalstroom binnen de FPGA beïnvloeden.Binnen elk logische element (LE), timingfactoren zoals opzoektabel (LUT) vertraging, draagketenvertraging en registratie -instellingen/hold -tijden bepalen hoe snel logische bewerkingen reageren op invoerwijzigingen.Deze interne vertragingen zijn belangrijk voor het handhaven van een nauwkeurige en stabiele werking, vooral in snelle schakelcircuits.
Voor I/O -bewerkingen laat de timingmodus zien hoe signalen zich gedragen als ze de FPGA binnenkomen en verlaten.Belangrijkste punten omvatten de uitvoervertraging, evenals invoerinstellingen en houdtijden, die bepalen hoe lang externe signalen stabiel moeten zijn voor de juiste gegevensverzameling.Het diagram schetst ook vertragingen tussen verbonden LES, inclusief carry- en cascadepaden, die de logica stroom over het apparaat beïnvloeden.In totaal zorgen deze timingelementen voor gesynchroniseerde, betrouwbare prestaties in de architectuur van de Flex 8000.

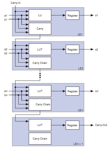
De carry chain-werking in de EPF8820Arc208-4 Flex 8000 is ontworpen om snelle rekenkundige berekeningen uit te voeren door meerdere logische elementen (LES) aan elkaar te koppelen.Elke LE bevat een opzoektabel (LUT), een carry logiccircuit en een register.Het proces begint met een draagsignaal dat de eerste LE (LE1) invoert, die, samen met ingangen A1 en B1, een somuitgang (S1) en een draagsignaal produceert.
Dit draagsignaal wordt vervolgens rechtstreeks doorgegeven aan de volgende LE in de keten (LE2, LE3, enzovoort), waardoor elke LE zijn eigen somuitgang (S2 tot SN) kan berekenen met behulp van de ingangen en de inkomende carry.De laatste LE in de reeks genereert het uiteindelijke uitvoeringssignaal, waardoor de bewerking wordt voltooid.Deze draagketenstructuur maakt een snelle, efficiënte toevoeging, ideaal voor het bouwen van adders, tellers en andere op rekenkunde gebaseerde logica in de Flex 8000-architectuur.
|
Type |
Parameter |
|
Fabrikant |
Altera/intel |
|
Serie |
Flex 8000 |
|
Verpakking |
Dienblad |
|
Onderdeelstatus |
Verouderd |
|
Aantal laboratorium/CLB's |
84 |
|
Aantal logische elementen/cellen |
672 |
|
Aantal I/O |
152 |
|
Aantal poorten |
8000 |
|
Spanning - levering |
4.75V ~ 5.25V |
|
Montagetype |
Oppervlaktemontage |
|
Bedrijfstemperatuur |
0 ° C ~ 70 ° C (TA) |
|
Pakket / kast |
208-bfqfp blootgesteld pad |
|
Leverancierapparaatpakket |
208-rqfp (28x28) |
1. Digitale signaalverwerking (DSP) en dat-path-besturingselement
De EPF8820Arc208-4 is goed geschikt voor het implementeren van aangepaste DSP-functies vanwege de matige logische dichtheid en efficiënte routeringsarchitectuur.Het kan manipulatie van gegevens-path verwerken voor bewerkingen zoals filteren, modulatie en transformatie van digitale signalen met hoge snelheid.
2. Aangepaste businterface en coprocessor afladen
Met het grote aantal I/O -pinnen en multivolt ™ -ondersteuning wordt deze FPGA vaak gebruikt om aangepaste perifere interfaces of brug onverenigbare logische niveaus te ontwerpen.Het dient ook als co-processor die herhaalde controle of data-handling-taken van de hoofdprocessor ontlaadt.
3. Software-gedefinieerde radio- en communicatieverwerking
De flexibiliteit en het vermogen van het apparaat om opnieuw te worden geprogrammeerd, maken het ideaal voor toepassingen zoals software-gedefinieerde radio (SDR), waar modulatieschema's of protocollen kunnen veranderen.Het kan dynamisch coderen, decoderen en signaalbeheer over communicatielagen omgaan.
4. ASIC -prototyping en hardware -emulatie
De EPF8820Arc208-4 wordt vaak gebruikt tijdens de prototypefase van ASIC-ontwikkeling.De herprogrammeerbare architectuur maakt snelle validatie, testen en timing simulatie van complexe digitale ontwerpen mogelijk voordat u zich aan silicium verbindt.
5. Spraakherkenning en coderingsmotoren
Deze FPGA is in staat om logica met medium-complexiteit te implementeren, zoals spraakherkenningspijpleidingen en cryptografische algoritmen.De aanwezigheid van draagketens en geregistreerde I/OS zorgt voor snelle berekening en signaalverwerking met lage latentie die nodig is voor dergelijke toepassingen.
6. Industriële controle- en instrumentatiesystemen
De voorspelbare timing, grote fanout synchrone bedieningselementen en flexibele logische blokken maken deze FPGA geschikt voor industriële automatiseringssystemen.Het wordt vaak gebruikt in programmeerbare timing, status-machine controle en signaalconditioneringscircuits.
7. Aerospace en Defense Embedded Systems
Dit apparaat wordt gebruikt in ruimtevaart- en defensie -elektronica waar configuratieflexibiliteit en betrouwbare werking in gecontroleerde omgevingen nodig zijn.Het ondersteunt veilige firmware-laden en biedt lage standby-power, die missiekritische toepassingen ten goede komt.
8. Automotive elektronische modules
In auto-elektronica is de EPF8820Arc208-4 te vinden in controlemodules die logische vertaling, diagnostiek of gegevensaggregatie tussen sensoren en centrale ECU's afhandelen.De herconfigureerbare aard maakt updates en verbeteringen mogelijk, zelfs na de implementatie.
9. Telecommunicatie -omschakeling en protocolafhandeling
In telecomsystemen ondersteunt deze FPGA schakellogica, protocolbehandeling en timingbeheer.Het kan zich aanpassen aan verschillende signaleringsnormen, waardoor compatibiliteit en upgradeerbaarheid in dynamische communicatienetwerken worden gewaarborgd.
Hier is een vergelijkingstabel van EPF8820Arc208-4 en de meest relevante vergelijkbare onderdelen uit dezelfde Flex8000-familie:
|
Onderdeelnummer |
Snelheidsgraad |
Pakkettype |
I/O -pinnen |
Logische elementen |
Temperatuurcijfer |
|
EPF8820Arc208-4 |
–4 (basislijn) |
208-pin QFP |
152 |
672 |
Commercieel |
|
EPF8820Arc208-2 |
–2 (langzamer) |
208-pin QFP |
152 |
672 |
Commercial (0–70 ° C) |
|
EPF8820Arc208-3 |
–3 (medium) |
208-pin QFP |
152 |
672 |
Commercieel |
|
EPF8820Arc208-5 |
–5 (sneller) |
208-pin QFP |
152 |
672 |
Commercieel |
|
EPF8820AQC208-4 |
–4 |
208-pin QFP (AQC) |
152 |
672 |
Commercieel |
|
EPF8820ARI208-4H |
–4 |
208-pin QFP |
152 |
672 |
Industrieel (–40–85 ° C) |
1. Genereer een configuratiebestand
Begin met het maken van het configuratiebestand met behulp van Altera's ontwikkelingssoftware zoals Max+Plus II of Quartus.Dit bestand, meestal ongeveer 16 kb groot, bevat de volledige bitstream die nodig is om de logica en routing van de EPF8820Arc208-4 te definiëren.
2. Selecteer configuratieschema
Kies een geschikte configuratiemethode op basis van systeemvereisten: Actief serieel/parallel (waarbij de FPGA het laden regelt) of passief serieel/parallel (waarbij een externe controller de configuratie behandelt).Passieve methoden zijn ideaal voor systemen die herprogrammering in het veld of dynamische updates vereisen.
3. Stel hardwareverbindingen in
Verbind de benodigde configuratielijnen zoals Nconfig, Conf_Done, DCLK en data0 tussen de FPGA en uw gekozen configuratie -geheugenapparaat (bijv. EPC1, EPC1213).Zorg ervoor dat pull-up weerstanden en klokbronnen correct zijn geconfigureerd om overeen te komen met de geselecteerde configuratiemodus.
4. Power-on initialisatie
Wanneer het systeem omhoog gaat of Nconfig wordt beweerd, voert de FPGA de configuratiemodus in en plaatst alle I/OS in een Tri-State-toestand.Het apparaat is nu klaar om de configuratiegegevens te accepteren op basis van het bedradingsschema dat u hebt geïmplementeerd.
5. Laad de configuratiegegevens
In de actieve modus haalt de FPGA gegevens rechtstreeks uit de EPROM met behulp van de interne oscillator.In de passieve modus biedt een hostprocessor of configuratiecontroller de gegevens en het proces is voltooid wanneer het conf_done -signaal hoog wordt.
6. Interne initialisatie en overgang naar de gebruikersmodus
Zodra de bitstream volledig is geladen en conf_done is beweerd, voert de FPGA interne initialisatie uit, stelt registers in en maakt gebruiker I/O mogelijk.Het apparaat begint vervolgens het logische ontwerp uit te voeren dat erin is geprogrammeerd.
7. Optionele herconfiguratie
U kunt een herconfiguratiecyclus activeren door Nconfig Low te trekken, die het apparaat opnieuw instelt en de configuratiemodus opnieuw invoeren.Dit zorgt voor snelle updates in system of fallback logicherstel, waarbij het gehele herprogrammeringsproces meestal in minder dan 100 milliseconden is voltooid.
• Evenwichtige keuze van snelheidskwaliteit
De EPF8820Arc208-4 biedt een ideaal evenwicht tussen prestaties en kosten, waardoor het sneller is dan lagere –2 of –3 varianten, terwijl het hogere prijs van de –5 snelheidsgraad wordt vermeden.Dit maakt het mogelijk om te voldoen aan de timingvereisten zonder te veel te betalen voor ongebruikte hoofdruimte.
• Voorspelbare routingvertragingen voor besturingslogica
Dankzij de fijnkorrelige horizontale routing en consistente vertragingspaden biedt de EPF8820Arc208-4 uitstekende voorspelbaarheid van de timing.Dit is nuttig in controle-georiënteerde of staat-machine-zware ontwerpen
• Snelle herconfiguratie in het veld
De op SRAM gebaseerde structuur maakt herconfiguratie in minder dan 100 milliseconden mogelijk, waardoor firmware-updates en fallback-logica in live systemen mogelijk zijn.Dit is waardevol in externe of missiekritische toepassingen waar downtime moet worden geminimaliseerd.
• Goedkoper
Voor toepassingen die ongeveer 8.000 systeempoorten vereisen, biedt de EPF8820Arc208-4 precies de juiste hoeveelheid logica zonder de overhead van grotere moderne FPGA's.Dit houdt de bom -kosten laag terwijl aan de functionaliteitsvereisten voldoet.
• Vereenvoudigde integratie van gemengde spanning
Met native ondersteuning voor zowel 3,3 V als 5V I/O-signalering, vereenvoudigt het apparaat het systeemontwerp bij interface met oudere TTL- of gemengde spanningscomponenten.Dit elimineert de behoefte aan extra niveauverschuivers, spaarbordruimte en kosten besparen.
• Pakkettype: 208-pins RQFP (rechthoekige quad plat pakket)
• Lichaamsgrootte (D × E): 30,60 mm × 30,60 mm
• Pakketoverzicht (D1 × E1): ongeveer 28,00 mm × 28,00 mm
• Hoofdlichaam (e): 0,50 mm
• Loodlengte (L): 0,60 mm typisch (bereik: 0,45 mm tot 0,75 mm)
• Loodbreedte (b): 0,17 mm typisch (bereik: 0,17 mm tot 0,27 mm)
• Leadhoek: 0 ° tot 8 °
• Montagetype: Surface Mount
De EPF8820Arc208-4 wordt vervaardigd door Altera Corporation, een baanbrekend bedrijf op het gebied van programmeerbare logische apparaten (PLD's) en veldprogrammeerbare Gate Arrays (FPGA's).Altera ontwikkelde oorspronkelijk de Flex 8000-familie, waartoe dit apparaat behoort en biedt een herconfigureerbare architectuur die is op maat gemaakt voor logische toepassingen voor mid-dichtheid.In 2015 werd Altera overgenomen door Intel Corporation, en het product werd nog steeds ondersteund onder de Programmable Solutions Group van Intel.In 2024–2025 herstelde Intel echter Altera als een op zichzelf staand merk, dat zijn focus op FPGA-ontwikkeling en ondersteuning op lange termijn opnieuw bevestigt.Hoewel de EPF8820Arc208-4 officieel is geclassificeerd als verouderd, blijft het productie-erfgoed gebonden aan Altera's erfenis van het leveren van betrouwbare, flexibele en algemeen aangenomen programmeerbare logische oplossingen.
De EPF8820Arc208-4 is een flexibele en betrouwbare chip die een goede mix van snelheid, functies en kosten biedt.Het werkt goed in veel verschillende systemen omdat het kan worden herprogrammeerd, verschillende spanningen ondersteunt en wiskunde- en controletaken snel verwerkt.Het ontwerp helpt ervoor te zorgen dat signalen soepel en nauwkeurig bewegen.Hoewel het nu wordt beschouwd als een ouder of stopgezet onderdeel, is het nog steeds nuttig in systemen die stabiele prestaties nodig hebben en niet gemakkelijk kan overschakelen naar nieuwere chips.Dit maakt het een slimme optie voor updates, reparaties of langdurige ondersteuning van oudere elektronica.
Stuur een aanvraag, we zullen onmiddellijk reageren.
Ja, het gebruikt externe seriële of parallelle proms zoals EPC1 of EPC1213 om de configuratiegegevens te laden tijdens systeeminitialisatie of reset.
Controleer uw schema op vereiste pennen zoals Nconfig, Conf_Done, DCLK en Data0.Zorg er ook voor dat uw configuratiegeheugen (zoals EPC1 of EPC1213) overeenkomt met de gekozen seriële of parallelle configuratiemethode.
Nee, de EPF8820Arc208-4 ondersteunt geen gedeeltelijke herconfiguratie.Updates of logische wijzigingen vereisen een volledige bitstream -herlaading via de standaardconfiguratiecyclus.
Ja, als de configuratietiming of signaalintegriteit niet correct wordt onderhouden, kan bitstream corruptie optreden.Zorg voor schone stroomvolgorde en juiste ontkoppeling in de buurt van de FPGA- en configuratielijnen.
Hoewel het niet door de beveiliging wordt gehard, is het apparaat geschikt voor het implementeren van aangepaste cryptografische logica, zoals basiscoderingsmotoren of sleutelbehandeling, maar het mist ingebouwde beveiligde functies in moderne FPGA's.
Op 2025/07/14
Op 2025/07/10
Op 8000/04/19 147781
Op 2000/04/19 112062
Op 1600/04/19 111352
Op 0400/04/19 83818
Op 1970/01/1 79633
Op 1970/01/1 66998
Op 1970/01/1 63124
Op 1970/01/1 63057
Op 1970/01/1 54097
Op 1970/01/1 52208